Amplificateur électronique

Un amplificateur électronique (ou amplificateur, ou ampli) est un système électronique augmentant la puissance d’un signal électrique[1]. L’énergie nécessaire à l’amplification est tirée de l’alimentation électrique du système. Un amplificateur parfait ne déforme pas le signal d’entrée : sa sortie est une réplique exacte de l’entrée avec une amplitude majorée ou une impédance minorée. C'est donc un quadripôle actif à base d'un ou plusieurs composants actifs, le plus souvent des transistors. Un amplificateur idéal est linéaire sur toute sa plage de fonctionnement.
Les amplificateurs électroniques sont utilisés dans quasiment tous les circuits en électronique analogique : ils permettent d’élever la tension d'un signal électrique vers un niveau exploitable par le reste du système, d'augmenter le courant de sortie d’un capteur pour en permettre la transmission sans interférences, de fournir une puissance maximale suffisante pour alimenter une charge comme une antenne radioélectrique ou une enceinte électroacoustique.
Généralités
Concepts

Un amplificateur se définit par généralisation à partir de la perception de sons ou d'images. Lorsqu'on s'éloigne d'une personne qui parle, le son de sa voix est affaibli, mais il conserve son identité. On parle d'affaiblissement ou d'atténuation du signal. Cette notion peut se généraliser à toute sorte de phénomènes. L'amplificateur effectue l'opération inverse : on dit qu'il a du gain.
L'amplificateur électronique respecte les lois de l'électricité. L'électricité circule dans des circuits composés d'au moins un générateur et un récepteur. Si l’on considère que l’alimentation d’un amplificateur est indépendante du signal d’entrée et de sortie de l’amplificateur, pour ne représenter que le circuit où circule le signal, l'amplificateur est un quadripôle. Cette « boîte » est le récepteur d'un circuit, et le générateur pour un autre. Puisque c'est un amplificateur, le générateur peut fournir une puissance supérieure à celle qu'absorbe le récepteur, et le rapport entre la puissance que le quadripôle peut fournir et celle absorbée à l'entrée est supérieur à un[2].
Dans un circuit électrique, le récepteur détermine la puissance qui circule. Il absorbe une puissance égale au produit de deux grandeurs, la tension et l'intensité. Une seule grandeur suffit pour définir un signal. Il y a donc, selon la grandeur qui supporte le signal à l'entrée du quadripôle amplificateur, et celle qui la supporte pour le quadripôle suivant, quatre sortes d'amplificateurs. Dans un amplificateur en tension, le signal est la tension à l'entrée et à la sortie ; dans un amplificateur en courant, c'est le courant, et la tension peut être identique à l'entrée et à la sortie. Les amplificateurs dont la grandeur d'entrée et la grandeur de sortie est différente sont plus rares[3].
On peut décrire un amplificateur de tension idéal comme un amplificateur opérationnel : un amplificateur différentiel dont la tension de sortie est égale à la différence entre celle de ses deux entrées multipliée par l'infini, et dont le courant d'entrée est nul et le courant de sortie illimité. Ce modèle mathématique permet de constituer le schéma électrique correspondant des fonctions où du gain est nécessaire et de calculer les valeurs de leurs autres composants.
Principe de fonctionnement

Un amplificateur électronique utilise un ou plusieurs composants actifs (transistor ou tube électronique) afin d’augmenter la puissance électrique du signal présent en entrée. Les composants actifs utilisés dans les amplificateurs électroniques permettent de contrôler leur courant de sortie en fonction d’une grandeur électrique (courant ou tension), image du signal à amplifier. Le courant de sortie des composants actifs est directement tiré de l’alimentation de l’amplificateur. Suivant la façon dont ils sont implantés dans l’amplificateur, les composants actifs permettent ainsi d’augmenter la tension et/ou le courant du signal électrique d’entrée. Le principe de fonctionnement d’un amplificateur est présenté dans le schéma simplifié ci-contre. Ce schéma utilise un transistor bipolaire comme composant amplificateur, mais il peut être remplacé par un MOSFET ou un tube électronique. Le circuit de polarisation assurant le réglage de la tension au repos a été omis pour des raisons de simplification. Dans ce circuit, le courant produit par la tension d’entrée sera amplifié de β (avec β >> 1) par le transistor. Ce courant amplifié traverse alors la résistance de sortie et l’on récupère en sortie la tension [N 1].
Avec le courant d’entrée et la valeur de la résistance.
Les amplificateurs peuvent être conçus pour augmenter la tension (amplificateur de tension), le courant (amplificateur suiveur) ou les deux (amplificateur de puissance) d’un signal. Les amplificateurs électroniques peuvent être alimentés par une tension simple (une alimentation positive ou négative, et le zéro) ou une tension symétrique (une alimentation positive, une négative et le zéro). L’alimentation peut aussi porter le nom de « bus » ou « rail ». On parle alors de bus positif ou négatif et de rail de tension positive ou négative.
Les amplificateurs sont souvent composés de plusieurs étages disposés en série afin d’augmenter le gain global. Chaque étage d’amplification est généralement différent des autres afin qu’il corresponde aux besoins spécifiques de l’étage considéré. On peut ainsi tirer avantage des points forts de chaque montage tout en minimisant leurs faiblesses.
Caractéristiques

Le formalisme des quadripôles, introduit dans les années 1920 par le mathématicien allemand Franz Breisig, permet d’obtenir une relation matricielle entre les courants et les tensions d’entrée et de sortie. Dans le cas d’un amplificateur de tension, les grandeurs électriques sont définis par quatre paramètres : l’impédance d’entrée Ze, l’impédance de sortie Zs, le gain de transconductance G et le paramètre de réaction G12. On a alors :
- .
Pour un amplificateur parfait, G12 est nul (le courant de sortie n’influence pas l’entrée), Zs est également nul (la tension de sortie ne dépend pas du courant de sortie), et le gain G est constant. On a alors le gain de l’amplificateur :
- .
En pratique ces conditions ne sont pas tout à fait respectées, entraînant de ce fait des caractéristiques altérées concernant la bande passante, le gain en puissance, le bruit dû au facteur température, ou encore la distorsion du signal. On évalue les performances d’un amplificateur en étudiant son rendement, sa linéarité, sa bande passante et le rapport signal sur bruit entre l’entrée et la sortie.

La « bande passante à −3 dB » (décibel) d’un amplificateur est la gamme de fréquences où le gain en tension de l’amplificateur est supérieur au gain maximum moins trois décibels[N 2]. Si on ne raisonne pas en décibel, cela correspond à la gamme de fréquences où le gain en tension est supérieur au gain maximum divisé par racine de deux[N 3], ce qui correspond à une division de la puissance fournie à la charge par deux[4],[N 4]. La bande passante est habituellement notée B ou BP. Occasionnellement on rencontre des bandes passantes plus larges, par exemple la bande passante à −6 dB, gamme de fréquences où le gain en tension est supérieur à la moitié du gain maximum.

La linéarité d’un amplificateur correspond à sa capacité à garder constante la pente de la courbe donnant la tension de sortie en fonction de la tension d'entrée. Une limitation de linéarité vient de l’alimentation de l’amplificateur : la tension de sortie ne peut dépasser la tension d’alimentation de l’amplificateur. Lorsque cela arrive, on parle de saturation de l’amplificateur. La linéarité d’un amplificateur est aussi limitée par sa vitesse de balayage (ou slew rate) qui représente la vitesse de variation maximale qu’il peut reproduire. Lorsque la variation du signal d’entrée d’un amplificateur est supérieure à sa vitesse de balayage, sa sortie est une droite de pente , telle que :
- .
La vitesse de balayage est exprimée en V μs−1.
Enfin, la caractéristique des éléments semiconducteurs n'est jamais totalement linéaire, et conduit à la distorsion harmonique. On réduit cette distorsion par la contre-réaction.
Histoire

Le premier amplificateur électronique fut réalisé en 1906 par l’inventeur américain Lee De Forest à l’aide d'une triode[5]. La triode fut vite perfectionnée par l’ajout d’une (pour la tétrode) puis de deux grilles supplémentaires, palliant certains effets indésirables, notamment l’effet « dynatron » (zone où le tube présente une résistance négative). Ce tube pentode est ensuite rapidement adopté pour la plupart des amplificateurs à tubes, pour son meilleur rendement. Les amplificateurs à tubes sont aussi connus sous le nom d’amplificateurs à « lampes », en raison de la forme des tubes et de la lumière qu’ils émettent lorsqu’ils fonctionnent.
La mise au point des transistors dans les années 1950 a fait disparaître progressivement les tubes, qui ne subsistent que dans des applications vintage comme les amplificateurs audio, surtout ceux destinés aux guitares électriques[6], et des applications de forte puissance à haute fréquence pour les émetteurs de radio et de télévision[7]. On préfère les transistors aux tubes car ils sont moins encombrants, fonctionnent à des tensions plus faibles, consomment et chauffent beaucoup moins et sont immédiatement opérationnels une fois mis sous tension, contrairement aux tubes électroniques qui nécessitent une dizaine de secondes de chauffage.

Les circuits intégrés, introduits au cours des années 1960, regroupent sur un très petit volume un certain nombre de transistors. Plus petits, plus fiables, ils sont depuis les années 1980 les principaux éléments actifs de l'électronique pour les faibles puissances. Un circuit amplificateur peut employer plusieurs dizaines de transistors, et un circuit intégré peut regrouper plusieurs éléments amplificateurs. L'amplificateur opérationnel intégré, de caractéristiques proches de l'idéal, est devenu un composant d'usage général. Pour des fonctions particulières, on fabrique des circuits intégrés amplificateurs spécialisés.
Le Fairchild μA709 créé par Bob Widlar en 1965 fut le premier amplificateur opérationnel intégré disponible en grande quantité. Le μA741 l'a remplacé dès 1967, avec de meilleures performances tout en étant plus stable et plus simple à mettre en œuvre[8]. Il est devenu omniprésent en électronique. Plusieurs fabricants en produisent des versions améliorées, ou des circuits plus performants qui peuvent se substituer à lui dans un circuit de conception ancienne. Les premiers amplificateurs intégrés se basaient sur le transistor bipolaire. À la fin des années 1970, on en produit à JFET, et à partir du début des années 1980, à MOSFET. Leur utilisation a progressé de la basse fréquence et faible puissance vers tous les domaines.
Distorsion
Un amplificateur doit fournir une tension de sortie ayant la même forme que le signal d'entrée, mais d'amplitude supérieure. Si la forme du signal de sortie (à l'amplitude près) est différente de la forme du signal d'entrée, on dit qu'il y a distorsion.
Distorsion d'amplitude
Cette distorsion a lieu si la bande passante de l'amplificateur n'est pas suffisante pour amplifier l'ensemble des fréquences (spectre) composant le signal. Cependant, si le signal d'entrée est sinusoïdal, le signal de sortie le sera également.
Distorsion harmonique
Cette distorsion est provoquée par un défaut de linéarité de l'amplificateur. Si le signal d'entrée est sinusoïdal, le signal de sortie ne l'est plus. Cette sinusoïde déformée peut être considérée comme la somme d'une sinusoïde pure (fondamentale) et de sinusoïdes de fréquences multiples de cette fondamentale (harmoniques). Le taux de distorsion harmonique sera fonction du rapport entre ces harmoniques et la fondamentale.
Distorsion de phase ou de temps de propagation
Le signal de sortie d'un amplificateur est composé généralement de plusieurs fréquences, qui devraient être amplifiées strictement en même temps. La forme d'un tel signal complexe ne sera plus conservée si le temps de propagation des fréquences qui le composent n'est pas le même. Ces retards sont peu audibles pour l'oreille. Cependant, si l'amplificateur doit amplifier des signaux numériques, cette distorsion devient très gênante et peut conduire à des erreurs sur les bits transmis et décodés. Pour cette raison, cette caractéristique est très importante pour les amplificateurs de signaux numériques. On quantifie cette distorsion en précisant les différences de retard en fonction de la fréquence. Il est aussi possible de préciser la courbe du déphasage en fonction de la fréquence. Cette courbe doit être une droite pour ne pas avoir de distorsion de propagation de groupe. Pour cette raison, les amplificateurs sans cette distorsion sont parfois qualifiés « à phase linéaire ».
Distorsion d'intermodulation
Si des étages d'amplification sont non linéaires, on observera en plus de la distorsion harmonique, l'apparition de « fréquences parasites » qui sont des combinaisons linéaires des fréquences composant le signal à amplifier. Ce type de défaut est très gênant pour les amplificateurs traitant de signaux radioélectriques, car ces fréquences parasites peuvent perturber les liaisons radio (voir intermodulation). Cette distorsion peut également être gênante pour les amplificateurs audio, car l'oreille pourra percevoir ces fréquences parasites qui sont surajoutées au signal.
Bruit

En électronique, le bruit désigne les signaux aléatoires et non désirés, voire parasites, se superposant aux signaux utiles. Dans un amplificateur ces signaux parasites peuvent venir de son environnement ou des composants le constituant. Il existe cinq types de bruit en électronique : le bruit thermique et le bruit de grenaille, qui sont tous les deux dus à des fluctuations quantiques, et que certaines formulations permettent de regrouper dans un seul concept[9] ; le bruit de scintillation (« bruit flicker »), le bruit en créneaux et le bruit d'avalanche[10]. Il est possible de réduire le bruit dans un amplificateur en s’attaquant directement à ses origines (voir ci-dessous) mais aussi en limitant le plus possible la bande passante de l’amplificateur, afin d’éliminer le bruit présent en dehors de ses fréquences de travail[11].
Bruit thermique
Le bruit thermique, également nommé bruit de résistance, bruit Johnson, ou bruit de Johnson-Nyquist est le bruit produit par l'agitation thermique des porteurs de charges, c’est-à-dire des électrons dans une résistance électrique en équilibre thermique. C'est un bruit blanc qui peut être modélisé par une source de tension en série avec la résistance qui produit le bruit. On caractérise le bruit thermique d'un amplificateur, par sa « résistance équivalente de bruit », ou, pour un amplificateur radiofréquences, par le facteur de bruit, qui dépend de la température de la source de signal.
Bruit de grenaille
Le bruit de grenaille, mis en évidence en 1918 par Walter Schottky, apparaît dans les dispositifs où le nombre d’électrons est assez faible pour donner une fluctuation statistique détectable. En électronique, ce bruit apparaît dans les dispositifs à base de semi-conducteur (transistors, etc.) et les tubes électroniques. C'est un bruit blanc dont la densité spectrale de puissance dépend uniquement de la valeur moyenne du courant traversant le composant bruyant.
Bruit de scintillation
Le bruit de scintillation, également nommé bruit en 1/f, bruit en excès, bruit de flicker ou bruit rose est un bruit dont la densité spectrale de puissance est en 1/f. Plus la fréquence augmente, plus son amplitude diminue. Il existe dans tous les composants actifs et a des origines variées, comme des impuretés dans les matériaux ou des créations et recombinaisons parasites dues au courant de base d’un transistor. Ce bruit est toujours relatif à un courant continu. Il peut être réduit en améliorant les procédés de fabrication des semi-conducteurs et diminuant la consommation de l’amplificateur[12]. Malheureusement, la réduction de la consommation d'un amplificateur passe par une augmentation de la valeur de certaines résistances ce qui va augmenter le bruit thermique[12].
Le bruit de scintillation se rencontre aussi avec les résistances au carbone, où il est désigné comme bruit en excès car il s’ajoute au bruit thermique. Le bruit de scintillement étant proportionnel à la composante continue du courant, si le courant est faible, le bruit thermique prédominera quel que soit le type de résistance.
Bruit en créneaux
Le bruit en créneaux, également nommé burst noise, ou bruit popcorn, ou crépitement, a été découvert lors du développement de l’un des premiers amplificateurs opérationnels : le µA709. Il s’agit de créneaux de tension (ou de courant) dont l’amplitude s'étend de moins d’un microvolt à plusieurs centaines de microvolts. L'intervalle entre les créneaux est de l’ordre de la milliseconde [13]. Le bruit en créneaux, dans un amplificateur audio, produit des « pops » qui lui ont valu le nom de bruit popcorn[14]. L’apparition de ces « pops » est aléatoire : ils peuvent se manifester plusieurs fois par seconde puis disparaître pendant plusieurs minutes.
Les origines de ce bruit ne sont pas connues, mais il semble qu’elles soient liées à des imperfections dans les semi-conducteurs et à l’implant d’ions lourds[15],[16]. Les conditions les plus favorables à l’apparition de ce bruit semblent être de basses températures et la présence de résistances de forte valeur[13].
Bruit d'avalanche
Le bruit d'avalanche a lieu dans les semi-conducteurs : le champ électrique accélère certains électrons au point de déloger d’autres électrons de valence et de créer des porteurs de charge supplémentaires. Ce bruit devient important pour les champs électriques élevés, au voisinage de l’effet d’avalanche.
Autres types de bruits
On peut rencontrer d’autres types de bruits dans un amplificateur électronique, souvent liés à son environnement. On citera les interférences électromagnétique subistant malgré les règles de compatibilité électromagnétique. La plupart de ces bruits peuvent être maîtrisés à l’aide de lignes symétriques, d’un blindage électromagnétique et du filtrage des signaux d’entrée et d’alimentation. Dans les cas les plus sensibles, il est parfois nécessaire d’avoir recours à de lourdes tables pour absorber les vibrations, des cages de Faraday, des chambres sourdes et des pièces climatisées[17],[18].
Rapport signal sur bruit
Le rapport signal sur bruit est un concept utilisé en ingénierie, en traitement du signal et en théorie de l'information défini par le rapport entre la grandeur nominale d’un signal (information utile, significative) et celle du bruit (information inutile, non significative). Comme de nombreux signaux ont une échelle dynamique élevée, les rapports signal-bruit sont souvent exprimés en décibels. Le rapport signal sur bruit est un paramètre de la qualité d’une transmission d’information. On définit ainsi la qualité d’un amplificateur, quel que soit son type et la catégorie de signaux qu’il traite. Plus le rapport est élevé, moins l’appareil ajoute de bruit au signal d’origine.
Classifications
Il existe une grande quantité de classifications, elles découlent souvent des différentes caractéristiques du schéma d’un amplificateur. Toutes ces caractéristiques ont une influence sur les paramètres et les performances de l’amplificateur. La conception d’un amplificateur est un compromis entre le coût, la consommation énergétique, les imperfections des composants et le besoin de rendre l’amplificateur compatible avec le générateur du signal d’entrée et la charge en sortie. Afin de décrire un amplificateur, on parle généralement de sa classe, de la méthode de couplage qui a été utilisée entre ces différents étages ainsi que la gamme de fréquences pour laquelle il est prévu[19].
Classification par angle de conduction : classes d'amplificateurs

Un amplificateur est généralement constitué de plusieurs étages d'amplification, chaque étage étant conçu autour d'« éléments actifs » (des transistors en général). Un élément actif n'est pas nécessairement polarisé de façon à amplifier le signal pendant 100 % du temps. Le système de lettres, ou classe, utilisé pour caractériser les amplificateurs assigne une lettre pour chaque schéma d’amplificateur électronique. Ces schémas sont caractérisés par la relation entre la forme du signal d’entrée et celui de sortie, mais aussi par la durée pendant laquelle un composant actif est utilisé lors de l’amplification d’un signal. Cette durée est mesurée en degrés d’un signal sinusoïdal test appliqué à l’entrée de l’amplificateur, 360 degrés représentant un cycle complet[20],[21],[22]. En pratique la classe d’amplification est déterminée par la polarisation des composants (tubes, transistors bipolaires, transistors à effet de champ, etc.) de l’amplificateur, ou le calcul du point de repos.
Les circuits amplificateurs sont classés dans les catégories A, B, AB et C pour les amplificateurs analogiques, et D, E et F pour les amplificateurs à découpage. Pour les amplificateurs analogiques, chaque classe définit la proportion du signal d’entrée qui est utilisée par chaque composant actif pour arriver au signal amplifié (voir figure ci-contre), ce qui est aussi donné par l’angle de conduction a :
- classe A : la totalité du signal d’entrée (100 %)[21],[22] est utilisée (a = 360°) ;
- classe B : la moitié du signal (50 %)[21],[22] est utilisée (a = 180°) ;
- classe AB : plus de la moitié mais pas la totalité du signal (50–100 %)[21],[22] est utilisée (180° < a < 360°) ;
- classe C : moins de la moitié (0–50 %)[21],[22] du signal est utilisée (0 < a < 180°).
Les amplificateurs de classe AB se nomment ainsi car ils fonctionnent comme ceux de classe A pour les signaux de faible amplitude, puis ils passent progressivement en classe B au fur et à mesure que l’amplitude du signal augmente.
À l'inverse des amplificateurs analogiques qui utilisent leurs composants actifs dans leur zone linéaire, les amplificateurs à découpage utilisent leurs composants actifs comme des interrupteurs en les amenant dans leur zone saturée. Quand ils sont utilisés ainsi, on peut distinguer deux modes de fonctionnement pour les composants actifs : passant (ou saturé) et bloqué. Quand un composant actif est bloqué, le courant qui le traverse est nul tandis que lorsqu’il est saturé, la chute de tension à ses bornes est faible. Dans chaque mode de fonctionnement, les pertes de puissances sont très faibles permettant ainsi aux amplificateurs à découpage d’avoir un fort rendement. Cette augmentation du rendement permet de demander moins de puissance à l’alimentation et d’utiliser des dissipateurs plus petits que pour un amplificateur analogique de puissance équivalente. C’est grâce à ces avantages en termes de rendement, d'efficience et de volume[23] que les amplificateurs de classe D concurrencent les amplificateurs de classe AB dans beaucoup d’applications[24].
Les amplificateurs de classe E et F sont des amplificateurs à haut rendement qui sont optimisés pour n’amplifier qu’une faible gamme de fréquences. Ils sont généralement utilisés pour amplifier les fréquences radio. Le principe des amplificateurs de classe E a été publié pour la première fois en 1975 par Nathan O. Sokal et Alan D. Sokal[25]. Les amplificateurs de classe F reprennent le même principe que les amplificateurs de classe E mais avec une charge accordée à une fréquence et à quelques-uns de ses harmoniques, tandis que la charge des amplificateurs de classe E n’est accordée que pour la fréquence fondamentale.
Les autres classes d'amplificateurs analogiques, G et H, ne se distinguent pas des autres par leur angle de conduction mais par leur rendement. La classe G a été introduite en 1976 par Hitachi[26]. Les amplificateurs de classe G possèdent plusieurs bus de tensions différentes et passent de l’un à l’autre en fonction de la puissance demandée en sortie. Cela permet d’augmenter le rendement en diminuant la puissance « perdue » dans les transistors de sortie. Les amplificateurs de classe H sont similaires à ceux de classe G, à la différence près que la tension d’alimentation « suit », ou est modulée par le signal d’entrée.
Caractérisation par méthode de couplage
Les amplificateurs sont parfois classés par leur méthode de couplage entre l’entrée et la sortie ou entre les différents étages de l’amplificateur. Ces différentes méthodes incluent les couplages capacitif, inductif (transformateur) et le couplage direct[19].
Le couplage capacitif permet d'isoler la polarisation des étages entre eux, par contre il ne permet pas d'amplifier le continu. L’utilisation d’un couplage direct permet de se passer des condensateurs de liaisons et d'amplifier le continu à condition d’utiliser une alimentation symétrique[27],[28]. Le couplage inductif permet de réaliser une adaptation d'impédance entre les étages ou de réaliser un circuit résonant, mais exclut l'amplification des très basses fréquences. La plupart des amplificateurs intégrés utilisent un couplage direct entre leurs étages[19].
Caractérisation par gamme de fréquences
On peut aussi caractériser les amplificateurs en fonction de leur bande passante. Un amplificateur basses fréquences (BF), au sens habituel en France, est conçu pour amplifier les signaux aux alentours des fréquences audibles (20 à 16 kHz) ; mais dans le contexte des radiofréquences, les basses fréquences (« low frequency », LF) vont de 30 à 300 kHz[29]. Par opposition, un amplificateur hautes fréquences (HF) traite des signaux à des fréquences supérieures aux basses fréquences. Quand on découpe ce vaste domaine selon la terminologie du spectre radio, « medium frequency » (MF) couvre de 0,3 à 3 MHz, « high frequency » (HF), de 3 à 30 MHz, « very high frequency » (VHF), de 30 à 300 MHz, etc.
Les amplificateurs hautes fréquences se caractérisent par largeur relative de leur bande passante. Ceux dont le gain est approximativement constant sur une large plage se désignent comme à large bande (wideband en anglais). C'est le cas d'un amplificateur vidéo, d'un répéteur simple dans un relais de télécommunications[30]. Le rapport entre les limites de la bande passante des amplificateurs à bande étroite (narrowband en anglais) est proche de 1 (par exemple de 450 à 460 kHz). Ils utilisent en général une charge accordée[31]. Les charges accordées sont des filtres passe-bande : elles ne laissent passer qu’une seule fréquence ou une bande de fréquences et permettent d’utiliser des montages de classe E ou F qui intéressent par leurs hauts rendements.
Caractérisation des étages d'amplificateurs par leur électrode reliée au zéro
Une de ces classifications se réfère à « l’électrode reliée au zéro » : le schéma de l’étage amplificateur est alors décrit par l’électrode du composant actif qui est reliée au plus court au zéro. Ainsi, on parle d’amplificateur à émetteur commun, à plaque commune ou à drain commun. Ces noms renseignent aussi sur le type de technologie utilisée. Par exemple, un amplificateur à émetteur commun utilisera un transistor bipolaire, celui à plaque commune un tube tandis qu’un amplificateur à drain commun utilisera un MOSFET ou un JFET. Quelle que soit l’électrode d’un composant actif, il existe certainement une application ayant amené à la création d’un montage où elle est reliée au zéro. Voir aussi : collecteur commun, base commune.
Inverseur et non inverseur
Une autre caractéristique des amplificateurs est la phase entre le signal d’entrée et celui de sortie. Un amplificateur inverseur produira un signal de sortie déphasé de 180 degrés par rapport au signal d’entrée. Un amplificateur non inverseur produira un signal de sortie en phase avec l’entrée. Dans un montage émetteur suiveur (ou collecteur commun), le signal sur l’émetteur suit (même phase et même amplitude en tension) le signal d’entrée, c'est un amplificateur de courant : ils permettent d’obtenir un courant de sortie élevé tout en absorbant un faible courant d’entrée.
Cette description peut s’appliquer à un simple étage ou à un système complet.
Classification par fonction
Les amplificateurs peuvent aussi être classés par fonctions ou caractéristiques de sortie. Ces descriptions fonctionnelles s’appliquent souvent à un système complet et non à un étage unique. Un servo-amplificateur possède une boucle de contre-réaction afin d’asservir un dispositif à une consigne. Certains servo-amplificateurs amplifient seulement le courant continu et les basses fréquences (jusqu'à quelques centaines de Hz), ignorant ainsi toute perturbation haute fréquence. Ils sont souvent utilisés dans les actionneurs mécaniques, ou avec des moteurs à courant continu qui doivent maintenir une vitesse ou un couple constant. Un servo-amplificateur amplifiant le courant alternatif pourra faire de même avec certaines machines à courant alternatif.
Un amplificateur linéaire ne produit pas de distorsion harmonique : un signal sinusoïdal sur son entrée donne toujours un signal sinusoïdal en sortie (voir la distorsion). Les concepteurs recherchent généralement la meilleure linéarité possible, mais il existe quelques amplificateurs délibérément non linéaires — par exemple logarithmique[32].
Les amplificateurs audio sont étudiés spécialement pour reproduire les fréquences audibles par l’intermédiaire d’enceintes électroacoustiques. Ils possèdent souvent plusieurs amplificateurs regroupés comme canaux séparés ou « bridgeables » afin de pouvoir s’adapter à différents systèmes de reproduction sonore.
Contre-réaction

La contre-réaction soustrait au signal d’entrée une image réduite du signal de sortie avant de l’amplifier. Son principal effet est de diminuer le gain du système. Cependant, les distorsions dues à l’amplificateur sont elles aussi soustraites au signal d’entrée. De cette façon, l’amplificateur amplifie une image réduite et inversée des distorsions. La contre-réaction permet aussi de compenser les dérives thermiques ou la non-linéarité des composants. Bien que les composants actifs soient considérés comme linéaires sur une partie de leur fonction de transfert, ils sont en réalité toujours non linéaires, ce qui implique une distorsion du signal. Le principe de la contre-réaction a été posé par Harold Stephen Black le . Cette idée lui serait venue alors qu’il se rendait à son travail aux laboratoires Bell[33],[34]. Ses précédents travaux sur la réduction des distorsions dans les amplificateurs lui avaient déjà permis de découvrir les amplificateurs « a priori » (feedforward en anglais) qui modifient le signal à amplifier de façon à compenser les distorsions dues aux composants de puissance[35]. Bien qu’ayant refait surface dans les années 1970 pour compenser les distorsions des amplificateurs bande latérale unique, dans les années 1920 la réalisation pratique des amplificateurs a priori s’avère difficile et ils ne fonctionnent pas très bien. En 1927, la demande de brevet de Black pour la contre-réaction fut accueillie comme une demande d’invention de mouvement perpétuel. Elle fut finalement acceptée neuf ans plus tard[36],[37], en , après que Black et d’autres membres des laboratoires Bell aient développé la théorie relative à la contre-réaction.
Un amplificateur de conception soignée, ayant tous ses étages en boucle ouverte (sans contre-réaction), peut arriver à un taux de distorsion de l’ordre du « pour cent ». À l’aide de la contre-réaction, un taux de 0 % est courant. L’application dicte le taux de distorsion que l’on peut tolérer. Pour les applications de type hi-fi ou amplificateur d'instrumentation, le taux de distorsion doit être minimal, souvent moins de 1 %. Alors que la contre-réaction semble être le remède à tous les maux d’un amplificateur, certains pensent que c’est une mauvaise chose. Comme elle utilise une boucle, il lui faut un temps fini pour réagir et pendant cette courte période, l’amplificateur est « hors de contrôle ». Un transitoire musical dont la durée est du même ordre de grandeur que cette période sera donc distordu, même si l’amplificateur possède un taux de distorsion faible en régime permanent. C’est ce qui explique les « distorsions d’intermodulations transitoires » dans les amplificateurs. Ce sujet a été largement débattu à la fin des années 1970 et pendant une grande partie des années 1980[38],[39],[40]. Ces arguments ont été sources de controverses pendant des années, et ont amené à prendre en compte ces phénomènes lors de la conception d’un amplificateur afin de les éliminer[41],[42]. Dans les faits, la majorité des amplificateurs modernes utilisent de fortes contre-réactions.
La contre-réaction modifie l’impédance de sortie de l’amplificateur et par conséquent, son facteur d'amortissement. Plus le taux de contre-réaction est fort, plus l’impédance de sortie est faible. La contre-réaction seule permet de définir précisément le gain et la bande passante.
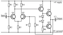
Exemple de montage amplificateur

À des fins d’illustration, on utilisera cet exemple pratique d’amplificateur. Il peut servir de base à un amplificateur audio de puissance modérée. Son schéma, bien que sensiblement simplifié, est typique de ce que l’on retrouve dans un amplificateur moderne grâce à son push-pull de classe AB[43] en sortie et à l’utilisation d’une contre-réaction. Il utilise des transistors bipolaires, mais il peut tout aussi bien être réalisé avec des transistors à effet de champ ou des tubes.
Le signal d’entrée est couplé à la base du transistor Q1 à travers le condensateur de liaison C1. Le condensateur permet au signal alternatif de passer, mais il bloque la tension continue due à la polarisation de Q1 par le pont diviseur R1-R2. Grâce à C1, aucun circuit antérieur n’est affecté par la tension de polarisation de Q1. Q1 et Q2 forment une paire différentielle (une paire différentielle donne un signal proportionnel à la différence entre ses deux entrées). Cette configuration est utilisée pour implémenter facilement la contre-réaction, qui est fournie à Q2 grâce à R7 et R8. La contre-réaction permet à l’amplificateur de comparer l’entrée à la sortie actuelle. Le signal amplifié par Q1 est envoyé directement au second étage, Q3, qui amplifie davantage le signal et fournit la tension continue de polarisation de l’étage de sortie (Q4 et Q5). R6 sert de charge à Q3. Un montage plus évolué utiliserait probablement une charge active, une source de courant constant par exemple. Jusqu’à présent, l’amplificateur travaille en classe A. La paire de sortie est câblée en push-pull de classe AB, aussi appelé paire complémentaire. Ils fournissent la majorité de l'amplification du courant et pilotent directement la charge à travers le condensateur de liaison C2 qui bloque la composante continue. Les diodes D1 et D2 fournissent une petite tension continue afin de polariser la paire de sortie, de sorte que la distorsion de chevauchement est minimisée. Celles-ci devront être couplées thermiquement avec Q4 et Q5 (souvent fixées sur leur dissipateur) afin de compenser leur dérive en température (accroissement du courant de polarisation dû à l’échauffement) et éviter ainsi l’emballement thermique.
Ce schéma est simple, mais c’est une bonne base pour la réalisation d’un véritable amplificateur car il stabilise automatiquement son point de fonctionnement grâce à sa boucle de contre-réaction, qui fonctionne du continu jusqu’au-delà de la bande audio. Un véritable amplificateur utiliserait probablement un circuit supplémentaire faisant baisser le gain au-delà de la bande de fréquences utile afin d’éviter la possibilité d’oscillations non désirées. De plus, l’utilisation de diodes fixes pour la polarisation peut poser des problèmes si les diodes ne sont pas thermiquement et électriquement assorties aux transistors de sortie. En effet, si les transistors deviennent trop passants, ils risquent de se détruire par emballement thermique. La solution traditionnelle pour stabiliser les composants de sortie est d'ajouter des résistances d’un ohm ou plus en série avec les émetteurs. Le calcul des résistances et des condensateurs du circuit se fait en fonction des composants actifs utilisés et de l’utilisation future de l’amplificateur.
Types
Amplificateurs opérationnels

Les amplificateurs opérationnels (aussi dénommé ampli-op ou ampli op, AO, AOP, ALI, AIL ou encore CIL) ont été initialement conçus pour effectuer des opérations mathématiques en utilisant la tension comme image d’une autre grandeur. C’est le concept de base des calculateurs analogiques dans lesquels les amplificateurs opérationnels sont utilisés pour modéliser les opérations mathématiques de base (addition, soustraction, intégration, dérivation…). Cependant, un amplificateur opérationnel idéal est extrêmement souple d’utilisation et peut effectuer bien d’autres applications que les opérations mathématiques de base[44],[45],[46],[47]. En pratique, les amplificateurs opérationnels sont constitués de transistors, tubes électroniques ou de n’importe quels autres composants amplificateurs et ils sont implémentés dans des circuits discrets ou intégrés.
Les amplificateurs opérationnels ont été initialement développés à l’ère des tubes électroniques, ils étaient alors utilisés dans les calculateurs analogiques. Actuellement, les amplificateurs opérationnels sont disponibles sous forme de circuits intégrés, bien que des versions sous forme de composants discrets soient utilisés pour des applications spécifiques.
Les amplificateurs opérationnels sont disponibles sous des formats, brochages, et niveaux de tensions d’alimentation standardisés. Avec quelques composants externes, ils peuvent réaliser une grande variété de fonctionnalités utiles en traitement du signal. La plupart des AOP standard ne coûtent que quelques dizaines de centimes d’euros, mais un AOP discret ou intégré avec des caractéristiques non standard et de faible volume de production peut coûter plus de 100 euros pièce.
Les principaux fabricants d’amplificateurs opérationnels sont : Analog Devices, Linear Technology, Maxim, National Semiconductor, STMicroelectronics et Texas Instruments[48].
Amplificateurs d'instrumentation

Un amplificateur d'instrumentation est un dispositif électronique destiné au traitement de faibles signaux électriques. L’application typique est le traitement de signaux issus de capteurs de mesure. Son fonctionnement est basé sur le principe de l’amplification différentielle. L’amplificateur d’instrumentation est généralement réalisé à partir d’un ou de plusieurs amplificateurs opérationnels, de telle manière qu’il améliore leurs caractéristiques intrinsèques : offset, dérive, bruit d’amplification, gain en boucle ouverte, taux de réjection du mode commun, impédance d’entrée.
Le gain idéal en mode commun de l’amplificateur d'instrumentation est minimisé. Dans le circuit ci-contre, le gain en mode commun est causé par les différences de valeur entre les résistances portant le même nom et le gain en mode commun non nul des deux AOP d’entrées. La réalisation de résistances appairées en valeur est la principale contrainte de fabrication des circuits d'instrumentation[49].
Les amplificateurs d'instrumentation peuvent être réalisés avec plusieurs AOP et des résistances de précision, mais ils sont aussi disponibles sous forme de circuits intégrés dans les catalogues de plusieurs fabricants (dont Texas Instruments, Analog Devices, et Linear Technology). Un amplificateur d'instrumentation intégré contient généralement des résistances dont les valeurs ont été ajustées avec précision à l’aide d’un laser, et offre donc un excellent taux de réjection du mode commun.
Amplificateurs programmables
Un amplificateur programmable désigne un amplificateur conçu pour que son gain soit programmable à distance, généralement via une liaison filaire (RS, GPIB ou autre), à la différence des amplificateurs classiques nécessitant un réglage manuel via une molette par exemple.
Bibliographie
En français
- Michel Girard, Amplificateurs de puissance, Ediscience International, , 435 p. (ISBN 2-84074-041-9 et 978-2840740414)précédemment (1988) chez McGraw-Hill.
- Paul Horowitz et Winfield Hill (trad. de l'anglais), Traité de l’électronique analogique et numériquetitre original=The Art of Electronicsvolume=1, Techniques analogiques, Nieppe, Publitronic, , 538 p. (ISBN 2-86661-070-9).
- Tran Tien Lang, Électronique analogique des circuits intégrés, Paris/Milan/Barcelone, Masson, , 396 p. (ISBN 2-225-85306-1).
- Jean Hiraga, Initiation aux amplis à tubes, Paris, Dunod, , 212 p. (ISBN 2-10-005269-1).
- Albert Paul Malvino et David J. Bates, Principes d’électronique [« Electronic principles »], Dunod, , 6e éd. (ISBN 2-10-005810-X).
En anglais
- (en) Ron Mancini, Op Amps for Everyone : Design Reference, Newnes, , 377 p. (ISBN 0-7506-7701-5 et 978-0750677011, lire en ligne)second edition (Disponible sur le site de TI (PDF)).
- (en) Walt Jung, Op Amp Applications Handbook, Newnes, , 898 p. (ISBN 0-7506-7844-5 et 978-0750678445, lire en ligne)
- (en) Douglas Self, Audio Power Amplifier Design Handbook, Newnes, , 468 p. (ISBN 0-7506-8072-5, lire en ligne).
- (en) Albert Paul Malvino et David J. Bates, Electronic principles, McGraw-Hill Science, , 7e éd., 1116 p. (ISBN 0-07-322277-1 et 0071108467).
Voir aussi
Articles connexes
- Amplificateurs : amplificateur audio, amplificateur pour guitare électrique, Amplificateur d'instrumentation, amplificateur opérationnel
, amplificateur optique, préamplificateur, préamplificateur d'antenne UHF - Montages amplificateurs : amplificateur différentiel, montage cascode, amplificateur classe B ; pour transistor bipolaire : base commune, collecteur commun, émetteur commun ; pour transistor à effet de champ : drain commun, grille commune, source commune
- Composants : transistor, tube électronique, gyrotron, klystron, tube à ondes progressives
- Général dans d'autres domaines : rétroaction
Liens externes
- Ressource relative à la santé :
- Ressource relative à la recherche :
- (en) Conversion : distortion factor to distortion attenuation and THD
- (en) [PDF] An alternate topology called the grounded bridge amplifier
- (en) [PDF] Reinventing the power amplifier
- (en) [PDF] International Rectifier application note 1071 : Class D Audio Amplifier Basics
- (en) [PDF] National semiconductors application note A : The Monolithic Operational Amplifier: A Tutorial Study
- (en) [PDF] Texas Instruments white paper SLOA011 : Understanding Operational Amplifier Specifications
- (en) [PDF] Texas Instruments application report slva043a : Noise Analysis in Operational Amplifier Circuits
- (en) [PDF] National semiconductors application note 20 : An Applications Guide for Op Amps
- (en) [PDF] National semiconductors application note 30 : Log Converters
- (en) [PDF] Analog Devices technical article : A Practical Review of Common Mode and Instrumentation Amplifiers.
Notes et références
Notes
- (en) Cet article est partiellement ou en totalité issu de l’article de Wikipédia en anglais intitulé « Electronic amplifier » (voir la liste des auteurs).
- (en) Cet article est partiellement ou en totalité issu de l’article de Wikipédia en anglais intitulé « Operational amplifier » (voir la liste des auteurs).
- (en) Cet article est partiellement ou en totalité issu de l’article de Wikipédia en anglais intitulé « Instrumentation amplifier » (voir la liste des auteurs).
- (en) Cet article est partiellement ou en totalité issu de l’article de Wikipédia en anglais intitulé « Burst noise » (voir la liste des auteurs).
- ↑ Ce montage est une version simplifiée d’un amplificateur à émetteur commun. Veuillez vous référer à sa page pour plus de précisions.
- ↑ Le gain est alors calculé de la façon suivante : 20 log (Vs/Ve).
- ↑ 103/20 ≈ √2.
- ↑ Cela n'est valable que si l'entrée et la sortie sont adaptées en impédance.
Références
- ↑ Commission électrotechnique internationale, « Dispositifs électriques et magnétiques : Dispositifs électriques particulier », dans IEC 60050 Vocabulaire électrotechnique international, (lire en ligne), p. 151-13-50, IEC60050, p. 351-56-32.
- ↑ IEC 60050, p. 131-12-81.
- ↑ Bogdan Grabowski, Fonctions de l'électronique, Paris, Dunod, 1980 passage=26.
- ↑ (en) Albert Paul Malvino, David J. Bates, Electronic principles, McGraw-Hill Science, , 1116 p. (ISBN 0-07-322277-1 et 0071108467), p. 563-577.
- ↑ Henri Lilen, Une (brève) histoire de l'électronique, Paris, Vuibert, , 640 p. (ISBN 2-7117-5336-0 et 978-2711753369), chapitre 4 : « Lee De Forest invente l'Audion ou tube triode ».
- ↑ (en) Barbour E., The Cool Sound of Tubes, IEEE Spectrum, 1998, volume 35 (8), p. 24-35.
- ↑ (en) Robert S. Symons, Tubes: Still vital after all these years, IEEE Spectrum, 1998, volume 35 (4), p. 52-63.
- ↑ (en) Ron Mancini, Op amps for everyone : design reference, Amsterdam Boston, Newnes, , 377 p. (ISBN 978-0-7506-7701-1, OCLC 845656062, lire en ligne), p. 1-3.
- ↑ (en) R. Sarpeshkar, T. Delbruck, and C. A. Mead, White noise in MOS transistors and resistors, IEEE Circuits Devices Magazine, p. 23–29, novembre 1993.
- ↑ (en) Texas Instruments application report slva043a :Noise Analysis in Operational Amplifier Circuits (PDF), p. 2.
- ↑ Patrick ALDEBERT, Techniques de l’ingénieur dossier E320: Amplificateurs faibles niveaux. Paragraphe : 5.5 « Minimisation du bruit », février 2002.
- 1 2 (en) Ron Mancini, Op Amps for Everyone : Design Reference, Newnes, , 377 p. (ISBN 0-7506-7701-5 et 978-0750677011, lire en ligne), p. 10.3.3 « Flicker Noise »
- 1 2 « Operational Amplifier Noise Prediction (PDF) » [PDF], sur Intersil, web.archive.org (consulté le ).
- ↑ (en) Ron Mancini, Op Amps for Everyone : Design Reference, Newnes, , 377 p. (ISBN 0-7506-7701-5 et 978-0750677011, lire en ligne), « Burst Noise », p. 10.3.4. [http://focus.ti.com/lit/an/slod006b/slod006b.pdf Disponible sur le site de TI (PDF).]
- ↑ (en) Texas Instruments application report slva043 : Noise Analysis In Operational Amplifier Circuits (PDF).
- ↑ Kent H. Lundberg, « Noise Sources in Bulk CMOS (PDF) ».
- ↑ Paul Horowitz et Winfield Hill (trad. de l'anglais), Traité de l’électronique analogique et numérique [« The Art of Electronics »], vol. 1 : Techniques analogiques, Nieppe, Publitronic, , 538 p. (ISBN 2-86661-070-9), p. 437:« Interférence ».
- ↑ Paul Horowitz et Winfield Hill (trad. de l'anglais), Traité de l’électronique analogique et numérique [« The Art of Electronics »], vol. 1 : Techniques analogiques, Nieppe, Publitronic, , 538 p. (ISBN 2-86661-070-9), p. 459-470 :« Interférences : blindage et mise à la terre ».
- 1 2 3 (en) Albert Paul Malvino, David J. Bates, Electronic principles, McGraw-Hill Science, , 1116 p. (ISBN 0-07-322277-1 et 0071108467), XII-I: « Amplifier Terms ».
- ↑ « Amplificateurs », sur Encyclopædia Universalis, 2008, web.archive.org (consulté le ).
- 1 2 3 4 5 Pascal Bareau, « Amplificateurs », dans Techniques de l'ingénieur – Électronique, vol. 1, Paris, éd. Techniques de l'ingénieur, (ISSN 0399-4120, présentation en ligne), chap. E310, E-310-1 à E-310-12, chap. 4 : « Classes de fonctionnement », p. 7-9..
- 1 2 3 4 5 (en) David Su, « CMOS RF Power Amplifiers: Non Linear, Linear, Linearized » [PDF], sur Atheros Communications, Sunnyvale, Californie, web.archive.org, (consulté le ). p. 4-5-6/41.
- ↑ « Amplification de Classe D », sur www.octavio.fr (consulté le ).
- ↑ (en) Albert Paul Malvino, David J. Bates, Electronic principles, McGraw-Hill Science, , 1116 p. (ISBN 0-07-322277-1 et 0071108467), XXII-XI: Class-D Amplifier.
- ↑ (en) N. O. Sokal and Alan D. Sokal, Class E — A New Class of High-Efficiency Tuned Single-Ended Switching Power Amplifiers, IEEE Journal of Solid-State Circuits, vol. SC-10, p. 168-176, juin 1975. HVK.
- ↑ (en) Douglas Self, Audio Power Amplifier Design Handbook, Newnes, , 468 p. (ISBN 0-7506-8072-5, lire en ligne), p. 37.
- ↑ (en) Douglas Self, Audio Power Amplifier Design Handbook, Newnes, , 468 p. (ISBN 0-7506-8072-5, lire en ligne), « History, architecture and negative feedback », p. 42-46 : « AC- and DC-coupled amplifier ».
- ↑ Paul Horowitz et Winfield Hill (trad. de l'anglais), Traité de l’électronique analogique et numérique [« The Art of Electronics »], vol. 1 : Techniques analogiques, Nieppe, Publitronic, , 538 p. (ISBN 2-86661-070-9), p. 71 : « Suiveurs avec alimentation symétrique ».
- ↑ Michel Fleutry, Dictionnaire encyclopédique d'électronique anglais-français, La maison du dictionnaire, (ISBN 2-85608-043-X), p. 463
- ↑ Fleutry 1991, p. 1035.
- ↑ Fleutry 1991, p. 554.
- ↑ Fleutry 1991, p. 444,453.
- ↑ (en) Ronald Kline : Harold Black and the negative-feedback amplifier, IEEE Control Systems Magazine, Volume : 13 (4), pages : 82-85, août 1993.
- ↑ (en) Ron Mancini, Op Amps for Everyone, second edition, page : 1-1.
- ↑ (en) Brevet U.S. 1686792.
- ↑ (en) Brevet U.S. 2102671.
- ↑ (en) Lire en ligne sur eepatents.com [PDF].
- ↑ (en) Otala, M., and E. Leinonen : The Theory of Transient Intermodulation Distortion, IEEE Transactions on Acoustics, Speech, and Signal Processing, ASSP-25 (1), février 1977.
- ↑ (en) Petri-Larmi, M. Otala, M. Leinonen, E. Lammasniemi, J. : Audibility of transient intermodulation distortion, IEEE International Conference on Acoustics, Speech and Signal Processing (ICASSP ’78), Volume : 3, pages : 255-262, avril 1978.
- ↑ (en) Cherry, E : Comments on The theory of transient intermodulation distortion, IEEE Transactions on Acoustics, Speech, and Signal Processing, Volume : 27 (6), pages : 653-654, décembre 1979.
- ↑ (en) Matti Otala : Transient Distortion in Transistorized Audio Power Amplifiers, IEEE Transactions on Audio Electroacoustics, Volume : AU-18, pages : 234-239, septembre 1970.
- ↑ (en) Cherry, E : Transient Intermodulation Distortion-Part I: Hard Nonlinearity, IEEE Transactions on Acoustics, Speech, and Signal Processing, Volume : 29 (2), pages : 137-146, avril 1981.
- ↑ Le push-pull de sortie n’est de classe AB que si la tension directe aux bornes d’une des diodes utilisée pour la polarisation est supérieure à la tension « d’allumage » d’un transistor bipolaire (0,7 V en général). Dans le cas contraire, c’est un push-pull de classe B voire C.
- ↑ (en) Analog Devices application note 106 : A Collection of Amp Applications (PDF).
- ↑ (en) National semiconductors AN-20 : An Applications Guide for Op Amps, p. 5-15.
- ↑ (en) National semiconductors AN-30 : Log Converters.
- ↑ (en) Texas Instruments Handbook of operational amplifier applications, p. 87-81 : « Additional circuits ».
- ↑ Patrick Aldebert, Techniques de l’ingénieur dossier E320 : Amplificateurs faibles niveaux. Paragraphe : « Pour en savoir plus », février 2002.
- ↑ (en) Smither, Pugh and Woolard : CMRR Analysis of the 3-op-amp instrumentation amplifier, Electronics letters, 2 février 1989.
- Portail de l’électricité et de l’électronique
- Portail de la physique