Amplificateur de mesure
Un amplificateur de mesure (en anglais Instrumentation Amplifier, in-amp ou INA) est un dispositif électronique destiné au traitement de faibles signaux électriques. On le trouve également dans la littérature sous le nom d'amplificateur d'instrumentation.
L'amplificateur de mesure est un élément essentiel dans la partie de conditionnement d'une chaîne d'acquisition : il permet le traitement de signaux issus de capteurs de mesure.
Il est généralement réalisé à partir d'un ou de plusieurs amplificateurs opérationnels (AOP), de telle manière qu'il améliore leurs caractéristiques intrinsèques : composante continue, dérive, bruit d'amplification, gain en boucle ouverte, taux de réjection du mode commun, impédance d'entrée.
Caractéristiques
Les caractéristiques importantes d'un amplificateur de mesure sont celles d'un amplificateur opérationnel.
Fonctionnement

L'amplificateur d'instrumentation est réalisé à partir d'amplificateurs opérationnels (AOP) qui est un amplificateur avec un gain différentiel très important. La fonction de transfert idéale s'écrit :
- .
En réalité l'AOP présente des défauts : courants d'offset et tension d'offset à l'entrée, TRMC, impédance de sortie, variation en fréquence du gain.
Voici un tableau donnant les caractéristiques d'un AOP :
| Propriété | Ordre de grandeur |
Bipolaire (LM741)[1],[2],[3] |
BiFET (TL081)[N 1],[4] |
Bimos (CA3140)[5] |
Cmos (LMC6035)[6] |
|---|---|---|---|---|---|
| Amplification Adiff=Vs/(V+-V−) | > 105 [7] | 2 × 105 | 2 × 105 | 105 | 106 |
| Gain Gdiff=20.log(Adiff) | > 100 [7] | 106 | 106 | 100 | 120 |
| Impédance d'entrée Re (Ω) | > 105 [8] | 2 × 106 | 1012 | 1,5 × 1012 | > 1013 |
| Impédance de sortie Rs (Ω) | < 200 | 75 | 100 | 60 | |
| Fréquence de coupure f1 | 10 Hz[N 2] | ~20 Hz | |||
| Courants de fuite I+, I- | < 500 nA | 80 nA | 30 pA | 10 pA | 0,02 pA |
| Tension d'offset Voff (mV) | < 10 | 1 | 3 | 8 | 0,5 |
| TRMC Gdiff/Gmc (dB) | > 70[7] | 90 | 86 | 90 | 96 |
| Tension de bruit (nV/)[N 3] | 18 | 40 | 27 |
Le but de l'amplificateur d'instrumentation est de réduire ces défauts.
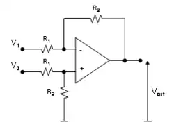
Amplificateur différentiel

L'amplificateur différentiel classique est réalisé à partir d'un amplificateur opérationnel, utilisé en mode linéaire (contre réaction de la sortie sur son entrée négative, peut être aussi sur l'entrée positive suivant un autre schéma).
Le gain de ce montage est :
Le gain peut se régler par une résistance placée entre les points communs des deux R2 préalablement divisées en deux chacune.
Ce montage est principalement utilisé lorsque les contraintes de complexité, de coût, de taille, de faible consommation sont importantes. De plus ce montage autorise des excursions d'entrée au-delà de la tension d'alimentation. Il présente néanmoins certaines limitations : le TRMC du montage correspond au TRMC de l'AOP et à l'appairage des résistances, l'impédance d'entrée est égale à R1 + R2, donc relativement faible. Ce montage conviendra donc pour des sources de faible impédance, et avec une faible fluctuation de la tension de mode commun.
Il faut également noter que ce montage est à la base de tous les amplificateurs de mesure. Les montages plus élaborés utilisent d'autres AOP pour limiter les inconvénients de l'amplificateur différentiel classique.
Amplificateur de mesure
Montage à 2 AOP

Le gain de ce montage est
Montage à 3 AOP

Ce montage est le plus utilisé . Son gain est
L'amplificateur d'instrumentation idéal devrait avoir un gain en mode commun nul (TRMC infini). En réalité, dans le circuit ci-contre, la valeur de ce gain est déterminée par les tolérances des valeurs des résistances qui rendent le schéma asymétrique, et par le gain de mode commun non nul des deux AOP utilisés. La réalisation de résistances appairées en valeur est la principale contrainte de fabrication des circuits d'instrumentation[9].
Réalisations
Les amplificateurs d'instrumentation peuvent être réalisés avec des AOP individuels et des résistances de précision, mais ils sont aussi disponibles en circuits intégrés chez de nombreux fabricants (Texas Instruments, Analog Devices, Linear Technology, etc.). Généralement ces circuits offrent de très bons TRMC, du fait de la fabrication très précise des résistances intégrées (découpe au laser).
Applications
Usage dans le cadre des boucles PLL
- Comparateur de phase :
L'amplificateur différentiel est un élément idéal pour le comparateur de phase de la boucle à verrouillage de phase. En effet, l'objectif d'un comparateur de phase d'une PLL est de délivrer une tension d'erreur représentative du décalage paramétrique des deux entrées du comparateur. Or le rôle d'un amplificateur différentiel est de rejeter le signal commun de ses entrées pour amplifier uniquement la composante différentielle ; et dans le cas présent de la boucle PLL cette composante différentielle représente le signal d'erreur du comparateur de phase destiné à corriger les dérives de l'oscillateur VCO.
- Oscillateur VCO :
Dans le cadre des oscillateurs VCO, la tension différentielle délivrée par l'amplificateur différentiel permet de polariser la diode varicap du VCO. Autre avantage, l'offset intrinsèque du VCO peut être parfaitement maîtrisé grâce à la possibilité de réglage précis du courant BIAS de l'amplificateur différentiel. Cette technique permet aussi de réduire considérablement le bruit de phase du VCO dû aux perturbations du courant de polarisation.
Quelques circuits très courants d'AOP à un circuit
- AD620
- INA111
Bibliographie
- Paul Horowitz et Winfield Hill, Traité de l’électronique analogique et numérique [« The Art of Electronics »], vol. 1 : Techniques analogiques, Elektor, , 538 p. (ISBN 978-2-86661-070-8)
Notes et références
Notes
Références
- ↑ (en) « LM741 Operational Amplifier Datasheet » [PDF], sur le site national.com
- ↑ (en) « LM741 Operational Amplifier Datasheet » [PDF], sur le site intersil.com
- ↑ (en) « µA741 General-purpose Operational Amplifier Datasheet (Texas) » [PDF], sur le site focus.ti.com
- ↑ (en) « TL081 Datasheet » [PDF], sur le site national.com
- ↑ (en) « CA3140 Datasheet » [PDF], sur le site intersil.com
- ↑ (en) « LMC6035 Datasheet » [PDF], sur le site national.com
- 1 2 3 (en) Walt Jung, Op Amp Applications Handbook, Burlington, Newnes, , 878 p. (ISBN 978-0-7506-7844-5, LCCN 2004053842, lire en ligne), « 1-1 : introduction », p. 6 : « Ideal Op Amp Attributes »
- ↑ (en) Walt Jung, Op Amp Applications Handbook, Burlington, Newnes, , 878 p. (ISBN 978-0-7506-7844-5, LCCN 2004053842, lire en ligne), p. 59 : « Input Impedance »
- ↑ (en) Smither, Pugh et Woolard, CMRR Analysis of the 3-op-amp instrumentation amplifier, Electronics letters, Volume 13, Issue 20, 29 September 1977, page 594
Voir aussi
Articles connexes
Liens externes
- (en) Opamp Instrumentation Amplifier
- (en) The instrumentation amplifier
- (en) Lessons In Electric Circuits — Volume III — The instrumentation amplifier
- (en) Eamon Nash, Analog Devices - A Practical Review of Common Mode and Instrumentation Amplifiers[PDF]
- (en) A Designer's Guide to Instrumentation Amplifiers (3rd Edition)
- (fr) http://meteosat.pessac.free.fr/Cd_elect/courelectr.free.fr/AINST/COURS.HTM
- Portail de l’électricité et de l’électronique