Push-pull (électronique)

Un push–pull est un montage électronique cascode amplificateur de tension qui relie à la sortie deux composants actifs travaillant en opposition de phase, relié l'un au plus de l'alimentation, l'autre au moins[1].
Une sortie push-pull peut se réaliser avec des composants actifs identiques, tubes ou transistors, recevant un signal d'entrée en opposition de phase l'un par rapport à l'autre. On a utilisé, pour ce déphasage, des transformateurs ou des circuits inverseurs-suiveurs. Une sortie totem-pole est un montage push-pull dans laquelle les composants actifs sont des transistors complémentaires, recevant le même signal en phase.
Le montage push-pull peut s'analyser comme deux amplificateurs classe B en parallèle sur la sortie. Un amplificateur classe B se définit comme un dispositif qui n'amplifie qu'une des deux alternances d'un signal électrique. Comme le push-pull est l'application la plus fréquente de l'amplification classe B, les deux termes sont souvent considérés comme équivalents[2].
Généralités

La consommation de puissance électrique d'un amplificateur électronique push-pull dépend du signal de sortie. Son efficacité en puissance est de ce fait largement supérieure à celle d'un amplificateur classe A, qui consomme une puissance importante en permanence. Pendant les alternances positives, le composant relié au bus d'alimentation négative est bloqué, la puissance consommée est le produit de l'intensité de sortie par la tension de bus d'alimentation positive. Pendant les alternances négatives, c'est l'inverse.
La transition entre les deux donne lieu à une distorsion très gênante appelée « distorsion de raccordement », qu'on réduit en imposant un décalage en courant continu entre les signaux d'entrée des composants de sortie. Si ce décalage est assez important, un faible courant passe dans le totem de sortie en l'absence de signal, et on désigne l'amplificateur comme « classe AB ». Les métaphores anglaises push-pull (« pousse-tire ») et totem-pole (« mât totémique ») s'appliquent aussi bien à la classe AB qu'à la classe B. Une contre-réaction réduit toutes les distorsions.
L'amplitude maximale de sortie d'un amplificateur classe B est l'écart entre l'alimentation positive et l'alimentation négative. Deux sorties en opposition de phase peuvent doubler cette amplitude.
Un amplificateur opérationnel a toujours une sortie push-pull, afin de se rapprocher de l'idéal d'une impédance de sortie nulle. Les sorties totem-pole des circuits logiques TTL et CMOS sont des push-pull mais on réserve généralement ce terme à des amplificateurs analogiques.
Sortie totem-pole

Une sortie totem-pole est un montage push-pull dans laquelle les composants actifs sont des transistors complémentaires, recevant le même signal en phase. Le collecteur de l'un et l'émetteur de l'autre sont reliés ensemble à la sortie[3]. Réalisé en transistors bipolaires, ce montage s'analyse en deux émetteur-suiveurs, l'un pour les parties positives du signal et bloqué pendant les parties négatives, l'autre fonctionnant en sens inverse. L'étage de sortie ne présente pas de gain en tension, mais un gain en puissance sur une charge grâce à sa basse impédance.
S'il s'agit de transistors, le collecteur de l'un est relié à l'alimentation, tandis que l'émetteur est relié à la sortie et au collecteur de l'autre, dont l'émetteur est relié à la masse. Les circuits CMOS utilisent un couple de transistors à effet de champ complémentaires.
Certains auteurs appellent ce montage cascode à point milieu. Le nom anglais vient de l'analogie du schéma avec la représentation d'un mât totémique[4].
Électronique logique
En électronique logique, l'un ou l'autre des deux semiconducteurs est toujours bloqué, tandis que l'autre est passant, assurant ainsi une sortie à basse impédance tant au niveau haut qu'au niveau bas. L'impédance de sortie est basse dans les deux états, permettant un temps de montée plus faible, alors que la sortie collecteur ouvert, plus simple, n'atteint rapidement le niveau pour lequel le semi-conducteur est bloqué qu'au prix d'une plus forte consommation permanente. Le circuit de commande d'une sortie totem-pole peut permettre le blocage des deux semiconducteurs de sortie ; il en résulte une haute impédance, qui laisse les autres composants reliés à un bus en affecter l'état haut ou bas. On parle alors de sortie à trois états.
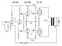
Push-pull à tubes
Le circuit push-pull est un montage amplificateur historique, attesté dès 1921[5].
Tous les tubes ont la même polarisation. Un amplificateur push-pull à tubes utilise donc nécessairement un étage déphaseur[6].
La construction symétrique des deux côtés de l'amplificateur signifie que les harmoniques d'ordre pair sont annulés, ce qui peut réduire la distorsion[7]. Le courant continu est annulé dans la sortie, permettant d'utiliser un plus petit transformateur de sortie. Cependant, l'amplificateur push–pull nécessite un composant de commande qui ajoute de la complexité et du coût pour le système. L'utilisation de transformateurs d'entrée et de sortie à prise centrale est une technique courante, mais ajoute du poids et limite les performances. Si les deux parties de l'amplificateur ne sont pas de caractéristiques identiques, de la distorsion peut être introduite car les deux moitiés du signal d'entrée sont amplifiées de façon inégale.
Annexes
Bibliographie
- Bernard Besserer, « 2. Technologie des composants », dans Électronique numérique, (lire en ligne)
- B. Hannequin, Technologie des circuits numériques, (lire en ligne)
Articles connexes
Références
- ↑ Michel Fleutry, Dictionnaire encyclopédique d'électronique : anglais-français, Paris, La maison du dictionnaire, , 1054 p. (ISBN 2-85608-043-X), p. 692 « Push-pull ».
- ↑ Tahar Neffati, L'électronique de A à Z, Paris, Dunod, , p. 24.
- ↑ Fleury 1986, p. 946 « Totem-pole ».
- ↑ Fleury 1986, p. 946 « Totem-pole arrangement » ;
Paul Horowitz et Winfield Hill (trad. de l'anglais par Jean-Pierre Charlier et Jean-Paul Brodier), Traité de l’électronique analogique et numérique [« The Art of Electronics »], vol. 2 : Techniques numériques et analogiques, Nieppe, Publitronic, , 538 p. (ISBN 2-86661-070-9). - ↑ Edwin H. Colpitts (en) et Otto B. Blackwell (en), « Téléphonie et télégraphie multiplex au moyen des courants à haute fréquence, 2 », Annales des postes, télégraphes et téléphones : recueil de documents français et étrangers concernant les services techniques et l'exploitation des postes, télégraphes et téléphones, Paris, Librairie de l'enseignement technique, , p. 415-454 (426) (lire en ligne)
- ↑ Commission électrotechnique internationale, « Tubes électroniques : caractéristiques et conditions d'utilisation », dans ISO 60050 Vocabulaire électrotechnique international, 1987/2018 (lire en ligne), p. 531-18-23 « Fonctionnement en push-pull ».
- ↑ Joe Carr, RF Components and Circuits, Newnes, page 84
- Portail de l’électricité et de l’électronique