Lester Allan Pelton
Lester Allan Pelton

Lester Allan Pelton
| Naissance | |
|---|---|
| Décès |
(à 78 ans) Oakland |
| Nationalité | |
| Activités |
| Distinctions |
|---|
.png)
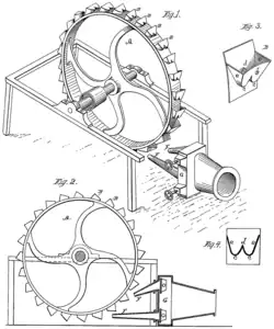
Lester Allan Pelton ( à Vermilion dans l'Ohio aux États-Unis - ) est l'inventeur de la roue à action qui porte son nom et qui est largement utilisée dans les centrales hydroélectriques modernes.
Biographie
Lester Allan Pelton part en 1850 en Californie lors de la ruée vers l'or. Il travaille à cette époque comme charpentier et meunier.
D'après un article de W. F. Durand, rédigé en 1939 à l'université Stanford, l'invention de Pelton est en partie due à une observation fortuite effectuée en 1870. En effet, regardant une roue de moulin à godets dont le jet d'eau est décalé, il constate que la roue tourne plus vite.
Voir aussi
Articles connexes
Liens externes
- Portail des États-Unis
- Portail de l’énergie