Huile de graissage pour turbomachine d'aviation
Une huile de graissage pour turbomachines d’aviation est un liquide, en mouvement au sein d'une turbomachine, qui a pour fonction de limiter l’usure des pièces métalliques en contact et d’évacuer la chaleur résultant de la combustion du carburant. Cette évacuation de la chaleur s'effectue dans un échangeur carburant/huile[1]. La principale caractéristique de ces huiles est qu’elles sont de nature synthétique, c’est-à-dire obtenues par synthèse chimique et non dérivées du pétrole. Leur utilisation dans l’aviation est soumise à une stricte réglementation internationale.
Introduction
La turbomachine est un hyperonyme qui définit un système de propulsion à réaction avec différentes architectures, comme le turboréacteur à simple flux des avions de chasse, le turboréacteur à double flux ou turbosoufflante des avions civils, le turbopropulseur des avions de transport, le turbomoteur des hélicoptères. Les huiles de graissage, appellation souvent réduite à huiles dans un contexte explicite, lubricating oils[note 1], dénommées parfois « huiles lubrifiantes », calque de l’anglais, sont des hyponymes des lubrifiants[note 2], lubricants[note 3], qui comprennent en outre, les liquides hydrauliques, les graisses, les liquides de refroidissement et les produits de protection. Presque tous les lubrifiants à usage aéronautique sont synthétiques, de structure chimique variée selon l’application[2]. On trouve ainsi, des esters organiques, hydrocarbures synthétiques, méthylsilicones partiellement fluorées, polyphényléthers comme huiles de graissage; des phosphates organiques, éthylsilicones[3], polyalphaoléfines comme liquides hydrauliques; des silicates organiques comme liquides de refroidissement[4] et aussi comme liquide hydraulique[5] de l’avion de ligne supersonique Concorde, etc.
On constate souvent une confusion dans l’emploi de « huile de graissage » et « lubrifiant » en anglais et en français, où l’on utilise volontiers « lubrifiant » à la place de « huile de graissage », probablement à cause de la proximité morphologique en anglais et en français, quand on a à l’esprit « huile lubrifiante ». Le comité technique E-34 Propulsion Lubricants de la SAE International ne traite que les questions relatives aux huiles de graissage dans l’aviation alors qu’il existe d’autres comités pour les liquides hydrauliques, comme A-6 Aerospace Actuation et les graisses, comme AMS M Aerospace Greases[6]. La sémantique exclut cette confusion en allemand ou en russe[note 4].
Les lubrifiants sont souvent associés aux carburants et cette association, carburants et lubrifiants (en anglais Fuels and Lubricants), se retrouve dans de nombreuses structures du ministère des Armées, à travers le Service des essences des armées, aujourd’hui Service de l’énergie opérationnelle de l’OTAN, dans le groupe de travail NATO Fuels & Lubricants Working Group, dans la distribution par les compagnies pétrolières, dans les achats par les sociétés de transport. On trouve également cette association dans d’autres langues: en allemand, où elle se traduit par un seul mot, Betriebsstoffe[7],[note 5], comme l’atteste le titre du site de l’Institut allemand de la Défense à Erding en Bavière Wehrwissenschaftliches Institut für Werk und Betriebsstoffe (WIWeB) dans sa traduction en anglais Bundeswehr Research Institute for Materials, Fuels and Lubricants[8] ; en italien, sous la forme d’un mot-valise : carbolubrificanti, formé à partir de l'association de carburanti et lubrificanti[9]. En russe, cette association est popularisée par son sigle GSM (ГСМ)[note 6] [ɡɛɛˈsɛm] [transcription phonétique à partir de l'API] et le spécialiste des carburants et lubrifiants est le GSMchtchik (ГСМщик)[note 7] [ɡɛɛˈsɛmʃʧik] qui exerce dans les structures mentionnées plus haut.
En Union soviétique, l’étude des carburants et lubrifiants a été soumise à la scientifisation[10], néologisme calqué sur Verwissenschaftlichung en allemand, processus par lequel une discipline tente de se constituer en science en adoptant son esprit, ses méthodes et qui a conduit le professeur Papok[11] (1908-1977) à désigner en 1964 cette science par le néologisme химмoтология [ximətə'logijа], « chimmotologie », dans un article de la revue Chimie et technologie des carburants et des huiles (Химия и технология топлив и масел). Le professeur Papok en donne la définition suivante : « Science des propriétés, de la qualité et de l’utilisation rationnelle des carburants, lubrifiants et liquides spéciaux en technique »[12]. Dans son célèbre dictionnaire sur les carburants et les lubrifiants, le professeur Papok illustre tous les domaines d’étude de la chimmotologie[13]. Mais le concept évolue : une interprétation moderne des objectifs de la chimmotologie prend maintenant en compte les enjeux écologiques[14]. Ce néologisme, forgé à partir de racines gréco-latines (grc khêmeia + lat motor + grc logos, « chimie » + « moteur » + « discours ») se traduit facilement dans les langues courantes dans le respect de leur morphologie propre : chimmotologia [kimotolo'dʒia] en italien, Chimmotologie [xemotoloˈɡiː] en allemand, ou chemmotology [kɛmə'tɒlədʒi] en aglais, comme le montre la revue russe citée ci-dessus, dans sa version en anglais, publiée aux États-Unis depuis 1965[15] еn Chemistry and Technology of Fuels and Oils[16]. Elle fait appel à la chimie organique, la physique, la physico-chimie, la chimie colloïdale, la thermodynamique, la mécanique, l’écologie et à l’économie[12]. Elle peut traiter une application comme « La chimmotologie dans l’aviation civile »[17] ou un produit comme « La chimmotologie des carburants pour fusées et avions »[18]. La chimmotologie aéronautique est une science vivante, enseignée dans les pays de l’ex-URSS, en particulier dans la fédération de Russie[19] et en Ukraine et aussi à l’université de technologie de Rzeszów[20], de Łódź[21] en Pologne, à l’université technique de Dresde[22] en Allemagne, et également en Slovaquie, Lituanie, Turquie, etc., sans nécessairement toujours faire référence à la chimmotologie. Elle fait l’objet de nombreux articles, d’ouvrages et de symposiums internationaux, comme ceux organisés par l’Université nationale de l’aviation (Нацiональний авiацiйний унiверситет) à Kyiv[23],[24]sous la direction de S. V. Boichenko[25]. La bibliographie citée dans le livre Bases techniques de la chimmotologie aéronautique publié en 2005 par le collectif de l'Institut central de la construction de moteurs d'aviation de la fédération de Russie contient 65 références d’ouvrages traitant exclusivement de chimmotologie dont la moitié concerne l’aéronautique[26]. Comme toute science, elle a développé sa terminologie et une soixantaine de pages du livre sont consacrées à la définition de termes[27]. L’Occident n’a jamais mis au point une science ou un terme correspondant, peut-être en raison du grand fossé qui sépare l’Union soviétique de ses adversaires pendant la guerre froide. Néanmoins, en 1966, le Britannique Peter Jost (en) (1921-2016), forge le mot tribologie — du grec tribos, frottement et du grec logos, discours —, science du frottement, de l’usure et de la lubrification, mais son champ de recherches est complémentaire de celui de la chimmotologie[12]. A contrario, les Soviétiques s’emparent aussitôt de cette nouvelle science venue de l’Occident et le professeur Igor Kragel'skij, de l’institut de recherche en génie mécanique, devient le quatrième lauréat de la médaille d’or de tribologie en 1975[28].
Dans le présent article, on utilise, par commodité, le syntagme nominal « chimmotologie aéronautique » dans la définition donnée plus haut et l’article se limite à la chimmotologie aéronautique des huiles de graissage. La consommation d’huile de graissage par la turbomachine représente 85 à 90 % des lubrifiants utilisés dans un aéronef, le reste, partagé entre le liquide hydraulique et les graisses, est apporté en appoint.
Chimmotologie aéronautique
Chimmotologies américaine et soviétique
Ces deux chimmotologies sont nées après la Seconde Guerre mondiale avec l'apparition de la turbomachine d'aviation comme moyen de propulsion.
Chimmotologie américaine
Les États-Unis, grand vainqueur de la Seconde Guerre mondiale, sont alors la première puissance économique et financière mondiale. L’activité du complexe militaro-industriel se concentre sur l’industrie aéronautique en pleine expansion. C’est dans cette atmosphère effervescente et dotée de moyens considérables que se développe la chimmotologie aéronautique. La chimmotologie aéronautique occidentale contemporaine est née aux États-Unis à l’initiative de l’armée de l’Air américaine, United States Air Force ou USAF, créée en comme branche distincte de la force aérienne américaine. Plus précisément, c’est le Laboratoire des matériaux, Materials Laboratory en anglais, aujourd’hui Materials and Manufacturing Directorate[29] et la Direction de la propulsion Propulsion Directorate[30], aujourd’hui Aerospace Systems Directorate, Turbine Engine Division, ces deux directions faisant partie de l'Air Force Research Laboratory, une composante de l'Air Force Materiel Command à Wright-Patterson Air Force Base, Dayton, Ohio qui sont à l'origine de l'introduction d'une huile synthétique dans l'aviation et de sa méthode d'évaluation. Le Laboratoire des matériaux a également financé des contrats de recherche avec les universités et l'industrie chimique pour la sélection de molécules thermostables.
La puissance militaire des États-Unis, son rôle prééminent au sein de l’OTAN ainsi que son influence dans certaines régions du monde, grâce à ses exportations de matériel aéronautique, ont largement contribué à la diffusion de cette chimmotologie. Seuls le Royaume-Uni et la France ont développé leur propre propre chimmotologie aéronautique en adoptant la chimmotologie américaine avec des variantes.
Chimmotologie soviétique
À l'inverse de l'économie libérale américaine, celle de l'Union soviétique est une économie planifiée, dirigée par le Parti communiste par l'intermédiaire d'un système centralisé d'administration économique. Selon la thèse marxiste, la science doit être l'instrument de développement de la société et il en résulte que l'organisation de la recherche est marquée par une double séparation, verticale entre recherche et production, la recherche étant conduite dans des structures distinctes des unités de production : les instituts et bureaux d'études Oпытно Kонструкторское Бюро (ОКБ, soit OKB). Une séparation horizontale ensuite, un centre de recherche pouvant être rattaché, soit au complexe militaro-industriel (500 instituts), soit à l'Académie des sciences (15 cités de la science, 300 instituts), soit enfin à un ministère de branche (3 000 instituts). On constate de multiples redondances conduisant à une dispersion de compétences et de moyens dans un même domaine et surtout l’absence du producteur et de l'utilisateur dans le processus de l'innovation[31]. Comme aux États-Unis, les huiles de graissage sont d'abord conçues à des fins militaires puis transposées dans l'aviation civile. Sauf que le régime soviétique imposera une chape de plomb sur toute l'activité militaire en développant un système de numérotation des structures et réalisations en relation avec la défense, véritable culture du secret, qui se maintiendra jusqu'à son effondrement en 1991. Ainsi, l’usine no 39 était l’usine d’Irkoutsk de fabrication des chasseurs Soukhoï, l’usine no 51 était le bureau d’études de Soukhoï à Moscou, l'avion de chasse Mikoyan-Gourevitch MiG-29 était connu sous le code « produit 9-12 » (изделия 9-12)[32], etc.; aucune publication sur l'activité dans les huiles n'était accessible, alors que celle qui concerne l'aviation civile était ouverte. La chimmotologie aéronautique soviétique se caractérise par une méthodologie d'évaluation approfondie, développée par plusieurs instituts, mais contraste avec la chimmotologie américaine par son aspect confus dans la multiplicité d'huiles de graissage. Les matières premières utilisées dans la fabrication des huiles sont souvent peu élaborées, mais le mal endémique est le manque chronique de ces matières premières.
La création, en 1955, du pacte de Varsovie groupant, dans une alliance militaire, les pays de l'Europe de l'Est et l'Union soviétique, comme contrepoids à l’OTAN, la politique expansionniste de l'Union soviétique, en Asie, en particulier, la collaboration militaire avec la Chine[note 8], mais surtout avec l'Inde[33], en Afrique (Angola, Guinée), au Moyen-Orient (Égypte, Libye, Irak, Syrie, Algérie) s'accompagne d'une livraison massive d'aéronefs militaires et de ce fait, de la propagation de la chimmotologie soviétique.
Durée de vie
L’avion de ligne Boeing 747 a été mis en service en 1970 et sa production a été définitivement arrêtée en 2022, mais son exploitation se poursuit bien au-delà par de nombreuses compagnies aériennes[34]. Le bombardier stratégique Boeing B-52 Stratofortress vole depuis 1955 et l’USAF prévoit de prolonger son service jusque dans les années 2050[35]. L’avion de combat supersonique Mikoyan-Gourevitch MiG-21, le plus produit de tous les temps avec presque 14 000 exemplaires, a été mis en service en 1960 et est toujours en service dans de nombreuses armées.
Les turbomachines des avions civils sont toujours lubrifiées avec des huiles des années 1960. Le Mirage 2000, dont le premier vol a eu lieu en 1978, est lubrifié avec une huile mise au point en 1965. L'huile minérale soviétique MS-8P lubrifie les aéronefs de l'aviation civile des années 1960, comme l'avion de ligne long-courrier Iliouchine Il-62, toujours en service.
Mise en service
Entre la mise au point d'une huile pour l'aviation militaire, son homologation, selon les exigences d'une norme, et sa commercialisation, il peut s'écouler entre une et deux décennies. La situation est beaucoup plus difficile dans l'aviation civile où la validation – autorisation d'emploi accordée par le constructeur – d'une huile exploitable sur tous les aéronefs civils se déroule sur plusieurs décennies.
Un marché très étroit
En se basant sur les données AirCraft Analytical System[36], actualisées avec celles du rapport d'Olivier Wyman[37], on arrive à une estimation de 33 000 t pour la seule consommation d'huiles dans l'aviation civile mondiale en 2018, à rapprocher aux 36 millions de tonnes du marché mondial de lubrifiants[38], soit 0,09 %. Le marché militaire étant inférieur à celui de l'aviation civile, on peut affirmer, sans risque, que le marché global des huiles de graissage pour turbomachines d'aviation[39] n'excède pas 0,2 % du marché mondial de lubrifiants.
Peu de fabricants d'huiles en Occident
Dans les années 1970, le motoriste — fabricant de moteurs d’avion — britannique Rolls-Royce avait enregistré vingt-deux fournisseurs d'huiles. Après la publication des deux normes militaires par l'USAF et l'Aéronavale américaine dans les années 1950 et 60, de nombreuses sociétés pétrolières et de produits chimiques, comme Shell, Mobil, Exxon,Texaco, BP, Sinclair, Stauffer, Monsanto, Celanese, Hatco, Emery Industries, Castrol, se sont engouffrées dans ce nouveau marché militaire, nourri par la guerre du Vietnam. Puis, avec la montée en puissance de l'aviation civile et la complexité d'accès à son marché, le déclin relatif du marché militaire, plusieurs sociétés ont disparu, ont été achetées, comme Castrol par BP en 2000 ou se sont retirées du marché[40]. Il ne restait plus que quatre sociétés pétrolières, Exxon, Mobil, Shell et BP, le groupe chimique américain Kaufman Holdings et la société française NYCO. Puis le marché s'est réorganisé. En 1999, Exxon et Mobil fusionnent pour donner naissance à ExxonMobil Corporation. Exxon et Mobil détiennent alors 90 %[41] du marché de l'aviation civile, les 10 % restants étant principalement partagés entre Shell et Castrol. Pour éviter l'instauration d'un monopole commercial, la Commission fédérale américaine du commerce et les autorités européennes de la concurrence contraignent le nouveau groupe à vendre un des deux secteurs de lubrifiants aéronautiques, qui sera finalement celui d'Exxon à Air BP. En 2014, Air BP se retire du marché et vend la gamme de lubrifiants aéronautiques à Eastman Aviation Solutions du groupe Eastman Chemical qui, par ailleurs, vend, depuis 2012, le liquide hydraulique pour l'aviation civile à base de phosphates organiques, Skydrol, fabriqué dans le groupe par Solutia, ex-Monsanto depuis 1997. Kaufman Holdings[42] comprend deux sociétés:Hatco Corporation, fabricant d'huiles pour turbines d'aviation, essentiellement pour le secteur militaire et Anderol Inc. En 1996, Hatco achète Royal Lubricants, une filiale de Shell, spécialisée dans la fourniture de lubrifiants pour l'aviation militaire et de nombreux lubrifiants sous des marques privées. En 2007, Chemtura Corporation achète Kaufman Holdings qui, à son tour, est achetée en 2017 par le groupe allemand de chimie de spécialités Lanxess, créé en 2004, quand Bayer se sépare de son activité dans la chimie. D'autres sociétés sont présentes sur le marché militaire et aussi celui de l'industrie, où l'on exploite des turbines à gaz dérivées de l'aviation, mais les huiles de graissage proposées sont des remarquages.
Dans ce panorama, la société française NYCO constitue une exception notable. Dans les années 1960, NYCO met au point une huile, cruciale pour le motoriste Snecma, adaptée à la lubrification à débit perdu du moteur Atar 9 C qui équipe les Mirages III et NYCO bénéficie dès lors du succès de cet avion de chasse. NYCO complète son portefeuille d’homologations et occupe aujourd’hui une place éminente dans le marché militaire mondial, y compris aux États-Unis, où NYCO lubrifie les deux fleurons de l’armée de l’Air américaine, l’avion de chasse furtif F-22 Raptor et l’avion de cinquième génération multirôle F-35 Lightning II[43]. Dans les années 1980, NYCO s’engage avec opiniâtreté dans l’aviation civile et affiche une progression continue avec des succès comme Easy Jet et Air France[44]. En 1972, NYCO se trouve mêlée aux soubresauts de la guerre froide lorsque l’armée de l’Air égyptienne lui demande de fournir des substituts d’huiles soviétiques[note 9].
Ces substituts, de composition équivalente et améliorée par rapport aux huiles d’origine, connaissent un succès immédiat auprès d’autres utilisateurs d’aéronefs soviétiques, confrontés à l’incurie[note 10] du service d’approvisionnement de l’Union soviétique. En 1986, une collaboration[note 11] est instaurée avec les instituts civils et militaires soviétiques afin de régulariser le statut des substituts et aussi avec l’industrie aéronautique qui aboutira à la création en 2007 d’une filiale à Moscou, NYCO Vostok. L’armée de l’Air indienne, avec ses aéronefs occidentaux et soviétiques, incite NYCO, qui maîtrise les deux chimmotologies, à fonder en 1993 une coentreprise, Avi Oil India, avec Indian Oil Corp. et Balmer Lawrie (en) & Co. En 2022, NYCO America investit dans une unité de fabrication aux États-Unis à Newnan Géorgie[47]. Après l'agression de l’Ukraine par la fédération de Russie le et en application des sanctions décrétées par l’Union européenne, la société NYCO a cessé toute activité dans la fédération et rompu toute relation avec cette dernière.
Dispositifs réglementaires
La mise en service d'une huile de graissage pour l'aviation exige une autorisation d'emploi accordée, après une série d'essais, par une autorité compétente. En Occident, la procédure pour obtenir cette autorisation est décrite dans une « norme » avec une procédure distincte pour l'aviation militaire et civile. En Union soviétique, cette procédure est unique dont la mise en œuvre est administrative.
Règlementation dans l'aviation militaire
Aux États-Unis
En Occident, la première norme militaire (US military specification), intitulée « MIL-L-7808 », est publiée en [48] par l'USAF avec l'appellation réglementaire Lubricating oil, aircraft turbine oil, synthetic base. Elle décrit une huile à base de diesters de diacides, de viscosité de trois centistokes – 3 cSt ou 3 mm2/s – à 100 °C et de 13 000 cSt à −54 °C. Cette contrainte à basse température est dictée par des considérations géostratégiques, les aéronefs devant pouvoir décoller à partir de bases militaires situées dans l'Arctique, face à l'Union soviétique[49].
Les normes américaines sont désignées par un groupe de lettres suivi d'un groupe distinctif de chiffres; les révisions sont signifiées par une lettre au final. On a ainsi : MIL pour Military, L pour Lubricating oil (huile de graissage), et, dans d'autres normes, H pour Hydraulic fluid (liquide hydraulique), etc. En 1994, sous la présidence de Bill Clinton, le ministre de la Défense, William Perry, publie une directive dans laquelle il exige de réduire le nombre considérable de normes de produits, plus de 30 000, de favoriser les produits disponibles dans le commerce et de garder les normes de produits spécifiques en introduisant la notion de « performance » ; les symboles L, H, G, etc., sont, dans leur très grande majorité, remplacés par PRF.
Au début des années 1960, l'Aéronavale américaine, US Naval Air, étudie de nouvelles bases lubrifiantes proposées par Mobil Chemicals et conçues autour des esters de mono et dipentaérythritol, car la préoccupation de l'Aéronavale était d'avoir des huiles plus stables thermiquement et d'une meilleure capacité de charge (pouvoir lubrifiant) que les huiles de type 3 cSt de la norme MIL-L-7808 D et E, en usage alors dans l'Aéronavale, pour la lubrification des réducteurs des turbopropulseurs et des boîtes de transmission principale des hélicoptères[48]. En 1962, l'US Naval Air publie sa propre norme, MIL-L-23699. Elle décrit une huile à base d'esters de néopolyols, famille de polyols avec un squelette néopentane, comprenant, outre le pentaérythritol, le triméthylolpropane et le néopentylglycol, et dont la viscosité est de 5 cSt à 100 °C et 13 000 cSt à −40 °C ; la limite maximale de viscosité permettant le décollage d'un aéronef est suffisante à −40 °C, car l'aviation embarquée n'est pas exposée à des températures aussi rigoureuses que celles rencontrées par l'USAF. Aujourd'hui, cette norme est gérée par le Naval Air Warfare Center Aircraft Division à Patuxent River, Maryland, une composante du Naval Air Systems Command (en) (NAVAIR).
Les deux motoristes américains, Pratt & Whitney et General Electric, adoptent rapidement cette nouvelle génération d’huile de la NAVAIR et l’imposent à l’aviation civile naissante, dominée alors sans conteste par les Américains avec Boeing, Lockheed et McDonnell Douglas.
Les deux normes MIL-L-7808 et MIL-L-23699 contiennent la liste des essais à effectuer, avec des limites différentes selon la norme, pour obtenir l'autorisation d'emploi de l'huile dans les aéronefs militaires américains. La liste comprend les essais physico-chimiques, physical, chemical and performance requirements, les essais au banc, bench performance requirements et l'essai de moteur, engine endurance test. Tous ces essais sont exécutés à leur tour selon différentes méthodes normalisées : American Society for Testing and Materials (ASTM) ; FED-STD-791: Lubricants, Liquid Fuels and Related Products: Methods of Testing; Aerospace Material Specifications et aussi Aerospace Recommended Practice de la SAE International, etc.
Pour assurer la traçabilité de l'huile, le fabricant d'huiles doit remettre à l'autorité militaire la composition centésimale de l'huile ainsi que l'origine des constituants.
Essais physico-chimiques
Une quinzaine d'essais sont à effectuer, dont la mesure de la viscosité à différentes températures, la détermination du point d'éclair, du point d'écoulement, de la teneur en traces métalliques, de la tendance au moussage, de la résistance à l'oxydation à différentes températures, de la compatibilité avec les élastomères, de la stabilité au stockage[50].
Essais au banc
Deux essais au banc sont exigés pour évaluer, l’un, le pouvoir lubrifiant de l’huile, l’autre la tendance à former des dépôts sur une paroi chaude.
Détermination de la capacité de charge sur la machine d'engrenages Ryder, mise au point par Pratt & Whitney en 1941[51] (Ryder gear load-carrying capacity)[29]
Principe : une paire d'engrenages de qualité aviation tourne à 16 000 tr/min sur laquelle on applique une charge croissante. Après avoir appliqué une charge pendant dix minutes, les dents sont examinées individuellement au microscope. La surface de métal éraflée sur chacune des 28 dents est mesurée et on détermine une moyenne, exprimée sous forme de pourcentage par rapport à la surface totale. On trace une courbe donnant le pourcentage de la surface éraflée en fonction de la charge croissante. La valeur de la capacité de charge correspondant à 22,5 % d'usure mesurée sur la courbe et cette valeur devient la référence de l'huile dans l'essai Ryder. Elle s'exprime en daN/cm et la valeur moyenne est de 500 daN/cm pour une huile de 5 cSt.
Évaluation de la tendance à la cokéfaction — formation de dépôts, de vernis plus ou moins colorés sur une paroi chaude — sur la machine Erdco[52] (High temperature Erdco bearing test)

Principe : le banc d'essai se compose d'un vrai palier de moteur tournant à 10 000 tr/min et soumis à une charge radiale, sur lequel l'huile est projetée. Le palier est chauffé électriquement à 260 °C. On injecte un débit d'air et la température de l'huile est régulée. La durée de l'essai varie de 48 à 200 h selon le type d'huile. À la fin de l'essai, l'huile est analysée et l'on mesure, notamment, les variations de viscosité et d'acidité par rapport à l'huile neuve et la consommation d'huile. Le banc est démonté et les différentes pièces sont cotées en appréciant la surface recouverte de dépôts et la nature de ce dépôt, la cotation étant affectée d'un coefficient suivant la pièce. Après addition des cotations partielles, on obtient un chiffre global, appelé « démérite » (total demerit rating). Plus ce démérite est petit, plus les pièces en contact avec l'huile sont propres, plus l'huile a une meilleure tenue à la cokéfaction. À titre d'illustration, l'aspect du palier après essais de deux huiles aux démérites différents est présenté[53].
Essai de moteur
Aujourd'hui, USAF et NAVAIR utilisent le même turbomoteur T 63[54], désignation militaire du moteur d'Allison Model 250, devenu Rolls-Royce M250. L'essai de moteur doit être considéré comme un essai de confirmation que tous les essais effectués préalablement ont bien sélectionné la bonne huile. La durée de l'essai est de 175 h avec 131 cycles de 80 min chacun pour l'évaluation d'une huile de 5 cSt, suivis d'un arrêt de 40 min après chaque cycle pour augmenter l'effet du reflux thermique (heat soakback). La température du palier augmente brutalement après chaque arrêt, par manque de refroidissement, ce qui a pour effet d'accentuer la cokéfaction du film d'huile et d'augmenter l'encrassement des pièces en contact avec l'huile, situation que l'on rencontre fréquemment avec les hélicoptères sanitaires aux arrêts brutaux. À la fin de l'essai, le moteur est démonté et l'état de propreté de chaque pièce est comparé à celui obtenu avec une huile de référence.
À l'issue de tous ces essais, l'huile est déclarée « homologuée » au titre de la norme militaire respective, qualified (anglais américain), approved (anglais britannique) et l'huile est inscrite dans la Liste des produits homologués ou LPH, Qualified Product List (anglais américain) ou QPL, Technically Acceptable Products List (anglais britannique) ou TAPL. Seules les sociétés dont les huiles de graissage sont inscrites dans la liste sont autorisées à participer à l'appel d'offres pour la fourniture d'huiles au ministère de la Défense.
Remarque : la terminologie ci-dessus est celle mentionnée dans la norme nationale correspondante ; dans de nombreux cas, décrits plus loin, la terminologie occidentale est celle de l'usage, souvent confuse, surtout dans le monde anglo-saxon. La phrase indépendante the oil is approved (anglais britannique) peut signifier que l'huile est homologuée selon une norme militaire britannique ou qu'elle est validée par un motoriste américain pour une application dans l'aviation civile. Dans l'Union soviétique, toutes les étapes de la procédure d'admission d'une huile en service sont définies avec rigueur, conséquence de la scientifisation, et, parfois même, une traduction du vocabulaire en anglais et en français est proposée[55].
Les fournitures destinées au ministère de la Défense sont présentées en recette avec la remise d’un bulletin d’analyses du lot d’huile, Conformance inspection (anglais américain), Product conformity certification (anglais britannique). La norme définit les caractéristiques physico-chimiques à mesurer et à reporter dans le bulletin d’analyses, les limites étant celles indiquées dans la norme. En France, les résultats du bulletin d’analyses doivent s’inscrire dans les tolérances données par la fiche d’identification établie par le ministère des Armées à partir de l’échantillon de l’huile qui a servi à l’homologation. Si, par exemple, le résultat de la mesure de la viscosité à −54 °C de l’huile est de 9 500 cSt alors que la norme accepte une viscosité maximum de 13 000 cSt, la fiche d’identification reprendra cette caractéristique en encadrant le résultat de 9 500 cSt avec un minimum et maximum et non pas le chiffre de 13 000 cSt.
La norme américaine précise également les modalités de recette du premier lot industriel, de remélangeage (en anglais : reblend) — mélangeage dans un nouveau site industriel d'une huile homologuée —, de remarquage (en anglais : rebrand) — désignation d'une huile, préalablement homologuée, attribuée par un nouveau fournisseur de cette huile — ; ces deux dernières informations ainsi que l'huile homologuée de référence et le lieu de fabrication sont documentées dans les QPL correspondants, comme, le QPL 7808 grade 3 et 4[56].
En France
La première norme militaire française, AIR 3513, publiée en décembre 1957, correspond à la norme américaine MIL-L-7808, dans sa révision C de 1955[57], à l’exception de l’essai de moteur. La norme est alors gérée par le Service technique aéronautique – STAé – de la Direction générale de l’armement et les essais sont effectués au Centre d’essais de propulseurs – CEPr[58] – à Saclay. En , une nouvelle version, AIR 3513 A, contient une exigence additionnelle pour tenir compte de la lubrification à débit perdu. Sous la pression des Américains - voir le paragraphe ci-dessous sur l'OTAN -, la norme devient AIR 3514 en 1974 avec un nouveau code OTAN. Dans un souci d’harmonisation avec la norme américaine, MIL-L-7808, révision J, publiée en mai 1982, la norme française est révisée la même année avec la désignation AIR 3514 A, en particulier, en introduisant l’évaluation de la tendance à la cokéfaction sur la machine Erdco, tout en maintenant les exigences du graissage à débit perdu.
La norme française, AIR 3514 A[59], se distingue de la norme américaine par l'addition de deux essais spécifiques pour simuler le graissage à débit perdu, mais surtout par les nombreux essais de moteurs au banc suivis d'une campagne d'évaluation.
Le graissage à débit perdu ou consommable du palier arrière de la turbine (total loss system ou once-through system) exige un pouvoir lubrifiant d'un brouillard d'huile à haute température et l'élimination de l'huile dans le flux gazeux sans cokéfaction.
- Le pouvoir lubrifiant est évalué sur un banc de friction à haute température, de 340 à 380 °C. Une bague d'acier chauffée en rotation frotte sur un patin de bronze argenté. La surface de contact est lubrifiée par l'huile en essai et l'usure est évaluée par la largeur de l'empreinte.
- La tendance à la cokéfaction et le pouvoir lubrifiant sont évalués sur un essai au banc de palier de moteur ATAR. Le débit d'huile est de 0,5 l/h et la durée de l'essai est deux fois 5 h à 300 °C et 350 °C. On évalue, par pesée, la quantité de dépôts formés sur la cage de roulement et l'usure, à titre indicatif, par perte de poids de la cage.
À l’inverse des États-Unis, où USAF et NAVAIR imposent aux constructeurs de moteurs et d’équipements leur huile selon leurs normes respectives, la France exige la validation préalable, c’est-à-dire l’autorisation d’emploi de l’huile par les seuls constructeurs, en particulier Snecma, aujourd’hui Safran Aircraft Engines, et Turbomeca, aujourd’hui Safran Helicopter Engines, avant sa mise en service. Les essais de moteur réalisés au CEPr[58] comprennent l’essai d’échauffement cinétique au banc, l’essai d’échauffement cinétique en caisson qui reproduit les conditions de fonctionnement supersonique en altitude, l’essai d’endurance au sol. Lorsque tous les essais ont été effectués sur les turboréacteurs et les équipements et ont été jugés satisfaisants, il est procédé à une campagne d’évaluation en service de six mois sur une base de l’armée de l’Air.
En 1997, un protocole est signé entre le Service des programmes aéronautiques, qui a succédé, en 1981, au STAé, et le Service des essences des armées concernant les produits pétroliers à usage aéronautique par lequel la gestion des normes des huiles d'aviation est attribuée à la Direction centrale du Service des essences des armées – DCSEA – à Malakoff. Le matériel d'essais est démonté et transféré au Centre d'expertise pétrolière interarmées – CEPIA – à Marseille, à l’exception des bancs Ryder et Erdco, pour des raisons sanitaires, présence d'amiante, mais surtout, parce que « les huiles sont désormais connues et caractérisées à travers le monde, les développements sont inexistants, l’investissement du laboratoire dans ce domaine n'est pas justifié par un besoin opérationnel ou d’expertise »[note 12].
En 2003, la DCSEA publie la norme DCSEA 299/A avec l’appellation « Huile synthétique pour turbomachines d’aviation type 5 mm2/s à 100 °C, O-156 », dans laquelle une homologation préalable à la norme MIL-PRF-23 699, classe STD O-156 est exigée et à laquelle s’ajoute la validation de la Snecma, en particulier pour le graissage à débit perdu et de Turbomeca. Cette norme est pratiquement inactive pour les raisons mentionnées ci-dessus.
Au Royaume-Uni
Le motoriste britannique Rolls-Royce est le seul parmi les motoristes occidentaux à considérer l'huile comme une pièce constitutive du moteur et à appliquer les règles rigoureuses de traçabilité, en particulier en enregistrant la composition de l'huile et l'origine des constituants. Il développe sa propre procédure de validation mettant l'accent sur les essais en laboratoire développés par Alan Squires[60].
Principe : on chauffe une quantité d'huile à différentes températures pendant une durée fixe de 192 h et on détermine les températures B192, pour laquelle l'insoluble dans le benzène atteint 0,05 % en atmosphère oxydante, et S3192, pour laquelle l'insoluble dans le benzène atteint 0,5 % dans le benzène en atmosphère confinée. On définit un index de température 2/3 B 192 + 1/3 S3192 qui est en relation directe avec la température critique d'utilisation de l'huile sur paliers des moteurs Rolls-Royce. La procédure inclut d'autres essais, comme la détermination de la température z192 à laquelle l'huile devient solide, etc., et des essais au banc.
Dans les années 1950, la préoccupation principale des autorités était concentrée sur les turbopropulseurs plutôt que sur les turboréacteurs, ce qui a amené les Britanniques à concevoir une huile de plus grande capacité de charge que les huiles de 3 cSt de l'USAF. En 1952, la norme militaire (UK defence standard) DERD 2487 standardise une huile de 7,5 cSt à 100 °C, formulée à partir d'un diester et d'un épaississant de type polyéthylèneglycol et qui reprend en partie la méthodologie d'évaluation mise au point par Rolls-Royce. Les normes sont gérées par Aviation Fuels Technical Manager, Defence Petroleum Centre, West Moors, Wimborne,Dorset et, comme en France, les Britanniques exigent une validation préalable des constructeurs.
Système de codification de l'OTAN
Un système de normalisation a été mis en place au sein de l'OTAN pour faciliter les opérations d'aide logistique mutuelle entre les armées des nations membres en temps de paix comme en temps de guerre. Le document de référence est le STANAG 1135 (pour STANdardisation AGreement, « accord de normalisation »), intitulé « Interchangeabilité des carburants, lubrifiants et produits connexes utilisés par les forces armées des pays du traité de l'Atlantique Nord » (Interchangeability Of Fuels, Lubricants And Associated Products Used By The Armed Forces Of The North Atlantic Treaty Nations). L'OTAN est une machine complexe ayant une structure civile et militaire. Les carburants et lubrifiants dépendent de la structure civile, NATO Pipeline Committee, Allied Committee 112, qui gère également 11 500 km d'oléoducs.
AC112 est assisté d'un groupe de travail permanent sur les carburants et lubrifiants, AC112 (NATO Fuels & Lubricants Working Group), et appuyé par trois groupes de travail spécialisés selon l'arme, dont celui de l'aviation, AC/112 (Aviation Fuels & Lubricants Working Party).
Ce groupe de travail se réunit régulièrement à Bruxelles et a pour mission, entre autres choses, d'attribuer, après étude comparative, un numéro de code aux normes nationales comme étant similaires à la spécification-type (guide specification)[61]. La première norme MIL-L-7808 est la spécification-type pour l'attribution du code O-148 et la norme française AIR 3513 a été considérée comme similaire à la norme américaine et le même code lui a été attribué. Lorsque la norme AIR 3513 A est publiée en pour tenir compte du graissage à débit perdu, elle porte toujours le code O-148, mais les Américains soumettent alors un échantillon de l'huile française à un essai au banc Erdco et la cotation, après démontage, donne un démérite très supérieur à celui exigé dans la norme américaine[note 13] ; ils estiment que cette nouvelle version de la norme n'est plus similaire à la norme MIL-L-7808 et, par conséquent, un nouveau code doit être attribué et la norme AIR 3514, publiée en , porte le code O-150[59].
Les huiles 0-148 et 0-150 présentent des caractéristiques générales sensiblement identiques, mais diffèrent en ce sens que les huiles américaines sont exclusivement adaptées au graissage avec recyclage de l’huile des moteurs américains, tandis que l’huile française est à la fois adaptée à ce type de graissage et au graissage à débit perdu des moteurs Snecma de la série ATAR 8 et 9. et M-53. Il a donc été décidé au sein de l’OTAN d’admettre l’huile 0-150 comme « produit acceptable avec avis technique » en remplacement de l’huile 0-148[59]. C’est ainsi que l’armée de l’Air belge décide, après la réception des Mirage 5 en 1970, dotés du moteur ATAR 9 C, nécessairement lubrifié avec l’huile O-150, d’étendre l’emploi de cette huile à la lubrification des moteurs américains des chasseurs F-104 Starfighter, acquis en 1963. De même, le Service technique des programmes aéronautiques considère que l’huile 0-150 est utilisable à la place de l’huile O-148 dans les moteurs américains en service dans l’armée de l’Air française et dans l’aéronautique navale. Les huiles 0-148 et 0-150 sont miscibles et compatibles en toutes proportions et peuvent être utilisées en conséquence dans les moteurs qui admettent ces deux types d’huile.
Le STANAG 1135 énumère les normes nationales qui ont été approuvées par le groupe de travail ainsi que les produits considérés comme acceptables pour la substitution et les produits qui peuvent être utilisés comme substitut d'urgence, tous ces produits étant également référencés par un numéro de code OTAN. Le STANAG étant un document à diffusion restreinte, on peut trouver dans la norme britannique Def Stan 01-005 la liste des normes nationales et la spécification-type pour un code donné ainsi que les codes en vigueur dans les 27 pays membres de l'OTAN, plus l'Australie et la Nouvelle -Zélande[62].
Tous les carburants et lubrifiants sont identifiés par leur appellation réglementaire qui comporte, d'une part, la désignation en langage clair en français ou en anglais et, d'autre part, le code OTAN. Les huiles de graissage sont identifiées de la façon suivante :
- huile synthétique pour turbomachines d'aviation, type 3 cSt symbole OTAN O-150 ;
- en anglais : Lubricating Oil, Aircraft Turbine Engine, Synthetic Base, 3 cSt NATO code O-148.
Le code OTAN des huiles de graissage se compose d'une lettre, d'un tiret suivi d'un nombre. La lettre « O » désigne les huiles pour Oil, en anglais. Les chiffres sont choisis chronologiquement dans des suites de chiffres qui varient selon le lubrifiant et l'arme. Pour l'aviation, les chiffres suivants sont proposés : de 112 à 175 et de 1 112 à 1 175. Les emballages d'huile livrés au ministère des Armées doivent porter les indications suivantes : le mois et l'année de fabrication, le numéro de lot de fabrication et le numéro de code encadré, bien visible, et, en dessous, la norme de référence sans l'indice de révision.
Règlementation dans l'aviation civile
Dans l'aviation civile, on parle volontiers de validation de l'huile par le motoriste (original equipment manufacturer, OEM), soit approval ou validation of the oil (anglais britannique), qui est une autorisation d'emploi d'une huile dans un moteur donné d'un aéronef civil, délivrée par le motoriste, inscrite dans le bulletin de service (service bulletin) du moteur et approuvée par une autorité de navigabilité (airworthiness authority). Dans le domaine militaire, comme on l'a vu dans le paragraphe précédent, l'expression équivalente est l'homologation de l'huile au titre d'une norme. Les normes militaires britanniques et françaises exigent également une validation, mais qui se limite à une autorisation d'emploi de l'huile délivrée par le motoriste, sans l'intervention des autorités de navigabilité.
Il existe deux autorités de navigabilité importantes, reflets de la puissance de l'industrie aéronautique civile incarnée par Boeing et Airbus, à savoir, l'agence des États-Unis, l'Agence fédérale de l'aviation (Federal Aviation Administration en anglais, FAA) et l'agence de l'Union européenne, l'Agence européenne de la sécurité aérienne, AESA (European Union Aviation Safety Agency, EASA). D'autres pays ont leur propre agence comme l'Agence fédérale russe du transport aérien, Rosaviatsia (Росавиация) qui dépend du Ministère du transport ou l'Administration de l'aviation civile de Chine. L'Agence européenne regroupe les 27 États de l’Union européenne, sans le Royaume-Uni, qui a sa propre autorité nationale, Civil Aviation Authority, l’Islande, le Liechtenstein, la Norvège et la Suisse. Elle est basée à Cologne et a, depuis , la responsabilité pleine et entière de la certification — attribution du certificat de type (type certificate) — des avions, des moteurs, des équipements, des modifications et des réparations, les États membres n'ayant juridiquement plus aucun pouvoir en la matière. Elle reprend toutes les activités des Autorités conjointes de l'aviation (Joint Aviation Authorities, JAA), mais est responsable de toutes les certifications. Les JAA étaient le club des directions générales de l'aviation civile européenne, créé à la fin des années 1960 pour faciliter la certification des Airbus[63]. L’aviation militaire et étatique française (service des douanes, de sécurité publique et civile) n'entre pas dans le champ des règlements de l'AESA et ce rôle est dévolu à la Direction de la sécurité aéronautique d'État, qui a vocation à jouer pour elle, toutes proportions gardées, le rôle de l’AESA, comme le suivi de la navigabilité des aéronefs, la certification initiale étant assurée par la Direction générale de l'armement[64].
La norme de navigabilité des turbomachines d’aviation de la FAA et des JAA, dans leur document respectif, FAR-33 (Federal Aviation Regulations – Section 33.71 – Lubrication system)[65] et JAR-E (Joint Aviation Requirements – JAR-E-270 – Lubrication system)[66] ne contient pas de procédure de validation des huiles ; elle ne traite que le système de lubrification, en particulier, la filtration de l’huile. L’huile qui a servi à la certification du moteur fait partie du certificat de type du moteur et est validée. Elle est référencée dans la fiche de caractéristiques (type certificate data sheet), du moteur avec les limites d’exploitation (operating limitations). Le certificat de type du moteur est un document administratif délivré par une autorité de navigabilité qui certifie que le moteur répond à un ensemble de spécifications qui garantit la navigabilité, son aptitude au vol en toute sécurité. En plus de la turbomachine, l’huile de graissage est également utilisée dans les équipements que sont le groupe auxiliaire de puissance (en anglais : auxiliary power unit, APU), le démarreur (starter en anglais) et le générateur d’entraînement intégré integrated drive generator, IDG, qui exigent également une validation. L’introduction d’une nouvelle huile est considérée comme une modification majeure (major change) de la fiche de caractéristiques. Le détenteur du certificat de type est responsable de la sécurité de son équipement dans sa fabrication, exploitation et entretien, dans les limites définies et ceci concerne également l’huile de graissage. Mais ceci implique que le détenteur soit renseigné sur la composition de l’huile et ait une politique de gestion de ses modifications. En 1963, les motoristes américains, Pratt & Whitney Aircraft et, en 1964, General Electric ont bien créé leur propre norme pour l’aviation civile, respectivement PWA-521 B type 2 et GE D 50 TF1 type 2[67], mais elles tombent rapidement en désuétude. Pendant de nombreuses années, les motoristes occidentaux, à l’exception de Rolls-Royce, se sont contentés, pour déclencher la validation d’une nouvelle huile, de son homologation préalable au titre de la norme MIL-PRF-23699, sans n’avoir aucune information sur sa composition, cette dernière étant conservée par la NAVAIR. C’est après avoir constaté cette anomalie que Francis Fagegaltier de la Direction générale de l’Aviation civile saisit le comité technique E-34 en septembre 2003, réuni à Montréal. Le comité technique E-34 « Propulsion Lubricants », fondé à l’initiative de Brian Rayner de Rolls-Royce-Derby, successeur d’Alan Squires et dont l’auteur a été l’un des membres fondateurs et membre pendant vingt ans, fait partie de l’Aerospace Council de la SAE International ; il se réunit pour la première fois à Cherry Hill, près de Philadelphie, en automne 1987. Ce comité se rassemble deux fois par an et regroupe les délégués de divers pays, représentant les autorités militaires, l’industrie aéronautique, les agences de navigabilité, les laboratoires d’essais, les fabricants d’huiles, d’additifs, d’équipements de laboratoire[68].
En octobre 2005, le comité E-34 publie la norme Aerospace Standard 5780[69],[70], AS 5780 Specification for aero and aero-derived gas turbine engine lubricants. Cette norme, approuvée par FAA et AESA, ne concerne que les huiles de graissage de l'aviation civile, de viscosité de 5 cSt à 100 °C. Elle introduit deux classes d'huiles : Standard Performance Capability (SPC) et High Performance Capability (HPC).
Pour l’évaluation technique des huiles, la norme emprunte les méthodes d’essais à NAVAIR et à divers organismes. Ainsi, en plus de l’essai de cokéfaction sur le banc Erdco, réalisé exclusivement par NAVAIR, d’une durée de 100 h et un démérite maximum de 80 pour la classe SPC et d’une durée de 200 h et un démérite de 40 pour la classe HPC, on effectue l’essai HLPS (Hot Liquid Process Simulator – Dynamic Coking, technique qui consiste à faire passer l’huile sur un tube en acier inoxydable à 375 °C pendant 20 h et 40 h et à mesurer l’augmentation de poids de dépôts formés sur le tube due à la cokéfaction[71]. De même, à la détermination de la capacité de charge sur le banc Ryder s’ajoute l’essai au banc WAM[72] (Wedeven Associates Machine), machine d’essai de type bille sur disque. La norme prévoit d’autres essais, à titre d’information, développés par les motoristes comme l’essai de cokéfaction (High Temperature Deposition Test, HTDT) de Rolls-Royce, l’essai de stabilité thermique de Turboméca, de compatibilité avec les élastomères de Snecma, etc. Il n’y a pas d’essai de moteur. Par rapport aux normes militaires, AS 5780 introduit une spécification de recette, des tolérances de fabrication et la gestion des modifications. La gestion de l’AS 5780 est confiée au Performance Review Institute, PRI, une filiale de la SAE International. Le fabricant d’huiles saisit le PRI, qui, après acceptation, lui envoie un document afin de déclarer la composition de l’huile (formulation information) et de présenter les résultats des essais (performance data). Le PRI communique ces documents à un groupe d’experts appelé Qualified Product Group (QPG), qui regroupe les constructeurs et les autorités militaires et civiles. À l’issue de l’examen par le QPG, l’huile est déclarée « admissible à la validation » (US qualified). Par souci de clarté, dans la traduction française, on privilégie la finalité de la qualification et non la traduction littérale : c’est une homologation au titre d’une norme militaire dans le cas, par exemple, US qualified as per MIL-PRF-23699 et une admission à la validation dans le cas précis qualified as per AS 5780. Une fois admise à la validation, le QPG attribue une référence à l’huile, en anglais : Qualification Reference Number, QRN. Exemple d’un QRN : SA02-1-4-R1 ; SA02 identifie la marque de l’huile et 1, la combinaison unique de la base/formulation ; 4 indique une modification mineure de la combinaison et R qu’il s’agit d’un remarquage. L’huile est finalement inscrite dans la liste des huiles admissibles à la validation (US Qualified Product List, QPL), distincte du QPL des normes militaires américaines. Cette admission doit être renouvelée tous les cinq ans. Le QPG exerce un contrôle strict de l’application de cette norme et s’autorise des audits chez le fabricant d’huiles, si nécessaire[73]. Après inscription de l’huile dans la liste, la procédure de validation proprement dite peut commencer. Les huiles, initialement à usage militaire de classe STD O-156, déjà en service dans l’aviation civile, sont, après admission à la validation, de classe SPC au bénéfice de l’expérience US grandfathering. Pour les huiles admises, la première étape de la procédure de validation est l’envoi par une ou plusieurs compagnies aériennes d’une lettre de motivation (customer request) au constructeur, motoriste et/ou le fabricant d’équipements, exprimant, avec plus ou moins de vigueur, la volonté d’utiliser l’huile en question. Après acceptation par le constructeur, on définit un programme de validation, souvent payant, variable selon le constructeur. D’après l’expérience en service de l’huile, le programme peut inclure ou pas des essais au banc, suivi ou pas d’une mise en service avec suivi documenté, MSD, Controlled Service Introduction, CSI. L’huile validée est inscrite dans le bulletin de service du moteur ou de l’équipement, avec l’approbation des agences de navigabilité, FAA et AESA. Cette procédure de validation se répète pour chaque type d’aéronef. La sécurité des vols étant la préoccupation primordiale des compagnies aériennes, ces dernières éprouvent une très grande réticence à envoyer les multiples lettres de motivation aux constructeurs et d’avoir à subir les contraintes que la MSD peut éventuellement entraîner. On comprend mieux que plusieurs décennies peuvent s’écouler avant la généralisation d’emploi d’une huile dans une flotte aérienne, rarement homogène. L’autre conséquence du temps très long et du coût onéreux de cette procédure de validation est le nombre restreint de fabricants d’huiles pour l’aviation civile, excluant de fait l’arrivée d’un nouvel acteur[39]. Il ne reste plus que les trois pétroliers américains, Exxon, Mobil et Shell, qui ont commencé la validation de leurs huiles à l’essor de l’aviation civile aux États-Unis dans les années 1960 et la société française NYCO, dans les années 1980. Mobil et Exxon se sont réorganisés, comme indiqué précédemment.
Réglementation en Union soviétique et dans la fédération de Russie
Il n’y a pas de norme au sens occidental du terme puisque l’économie centralisée et planifiée exclut toute initiative privée, mais il existe bien une procédure, unique, par laquelle une huile est autorisée d’emploi sur un aéronef civil ou militaire. Compte tenu de cette unicité de la procédure, les notions d’homologation et de validation se confondent en « autorisation de fabrication et d’emploi » (допуск к производству и применению, abrégé en допуск, transcrit en dopousk). Dе 1951 à 1991, l’organisation du dopousk était confiée à la Commission interministérielle (Goskomissia) auprès du Comité de normalisation de l’Union soviétique (Государственная межведомственная комиссия– Госкомиссия — при Госстандарте СССР), qui exerçait un contrôle rigoureux de la qualité des carburants et lubrifiants, de la conception à l’organisation de la production. Elle sera remplacée, après la dissolution de l’Union soviétique, par la Commission interministérielle de la fédération de Russie d’autorisation de production et d’emploi des carburants, huiles, graisses et liquides spéciaux (Межведомоственная комиссия по допуску и производству в РФ топлив, масел, смазок и специальных жидкостей, МВК, soit MVK). Cette Commission est présidée par le vice-président du Comité d’État de normalisation de la fédération de Russie, assisté de représentants du ministère de la Défense, de l’Énergie et des Transports et de divers « groupes de travail d’expertise scientifique » (рабочие группы научной экспертизы). Il y a onze groupes de travail, chacun spécialisé dans un domaine particulier : essences pour automobile et aviation, carburéacteurs, graisses, huiles pour transmissions, huiles pour moteurs, etc.
L'autorisation de fabrication et d'emploi d'une huile s'obtient après avoir soumis l'huile à deux séries d'essais : les essais d'acceptation (приемочные испытания) effectués sur un échantillon d'une nouvelle huile pour vérifier son acceptation à la fabrication et à l'emploi et les essais de qualification (квалификационные испытания) effectués sur le premier lot industriel pour s'assurer que l'unité industrielle peut fabriquer une huile conforme à la spécification de contrôle et aussi après un changement de site industriel ou l'introduction d'une nouvelle source de matière première.
Essais d'acceptation
Ils se déroulent en quatre étapes[74] :
Essais de laboratoire (лабораторно-стендовые испытания), qui ont pour but de vérifier la conformité de l'échantillon d'huile, préparé en laboratoire ou dans une unité pilote, aux « exigences techniques » (техническое задание), cahier des charges de conception du produit rédigé par le motoriste ou le ministère de la Défense, et de le soumettre à un « ensemble de méthodes d'évaluation qualitative » (комплекс методов квалификационной оценки, KMKO). Cet ensemble de méthodes, initialement proposé et développé par le professeur Papok, permet d'évaluer, dans une approche scientifique, les « propriétés fonctionnelles » (эксплуатационные свойства) des nouveaux carburants et lubrifiants, sans nécessairement recourir à de longs essais sur banc et en service[75]. Dans le cas des huiles de graissage d'aviation, le KMKO comprend 33 méthodes, dont vingt normalisées, comme la mesure de la viscosité selon la méthode GOST-33-2000 — GOST, acronyme russe de государственный стандарт, ГОСТ, en français « norme d'État », ici, révisée en 2000 —, la tendance au moussage selon GOST 21058-75, et treize méthodes spécifiques, approuvées par la Commission interministérielle d'État (Государственная межведомственная комиссия, ГМК, soit GMK) et mises au point par les instituts comme la détermination de la capacité de charge sur la machine d'engrenages Sha-3 (Ш-3) par le TSIAM (décision du GМК no 23/1-271 du )[76], de la résistance de l'huile à l'oxygène de l'air à haute température sur le simulateur UKM-1M (GМК no 23/1- 195 du ), etc.
Les instituts suivants, tous basés à Moscou, participent à la procédure d’obtention du dopousk :
- VNII NP (ВНИИ НП (ru)), sigle russe de l'Institut de recherche « panrusse » (Всероссийский, litt. « de toute la Russie », plus précisément « de toute de la fédération de Russie ») pour le raffinage du pétrole. Le VNII NP est le principal institut de raffinage de l'Union soviétique, a succédé, en 1954, au TSIATIM (ЦИАТИМ), acronyme de l'Institut central des carburants et lubrifiants pour l'aviation, fondé en 1933[77]. En 1969, est créé le département des lubrifiants sous la direction de V. M. Shkolnikov, qui a joué un rôle important dans la classification et la systématisation des lubrifiants[78]. Dans les années 1970, quatre usines pilotes sont installées à travers le pays. VNII NP est à l'origine de 90 % des lubrifiants utilisés dans l'Union soviétique[79] et est aussi responsable d'un fonds important de documentation normative, comprenant différentes spécifications de contrôle : 182 GOST, 10 OST et 600 TU[80] – voir les définitions dans le paragraphe Huiles de graissage dans l'Union soviétique – Depuis 2018, le VNII NP est devenu une filiale de la compagnie pétrolière Rosneft et ne conçoit plus les huiles pour l'aviation ;
- TSIAM (ЦИАМ (ru)), acronyme russe de l'Institut central de la construction de moteurs d'aviation, est l'organisation scientifique de recherche sur les turboréacteurs d'aviation, les turbines, la dynamique des gaz, le processus de combustion, la réduction du bruit et des émissions, etc. Il apporte également le soutien scientifique à la conception des moteurs[81].
- TSIAM est le centre de chimmotologie de l'industrie aéronautique et poursuit aujourd'hui des recherches dans le domaine des huiles d'aviation et des liquides hydrauliques capables de fonctionner à des températures allant jusqu'à 240-250 °C et du « moteur sec » qui n'utilise aucun système de lubrification[82] ;
- VIAM (ВИАМ (ru)), acronyme russe de l'Institut de recherche panrusse des matériaux d’aviation. VIAM développe et fournit une large gamme de matériaux métalliques et non métalliques, de revêtements, de méthodes et de moyens de protection contre la corrosion pour l’aviation et l’industrie[83]. Cet institut est à l’origine des méthodes d’évaluation de la compatibilité des huiles avec divers matériaux ;
- GosNII GA (ГосНИИ ГА (ru)), acronyme russe de l'Institut national de recherche de l'aviation civile. L'institut est un organisme de recherche dont les activités couvrent un large éventail allant de la certification des aéronefs, des aérodromes, des carburants et lubrifiants, de la navigabilité, de la sécurité des vols, des technologies de l'information, de l'utilisation de carburants alternatifs, etc. Il est constitué de treize centres[84] scientifiques et, depuis 1993, l'institut est accrédité comme le centre de certification des carburants, lubrifiants et liquides spéciaux pour l'aviation. Dans ce contexte et pour faire face à la contrefaçon, la certification englobe le contrôle de la qualité des carburants et lubrifiants et aussi de s'assurer du respect de toutes les procédures mises en œuvre tout le long de la chaîne, de leur fabrication à l'exploitation par les aéronefs[85]. GosNII GA collabore aussi avec les organisations internationales de l'aviation civile (ICAO, IATA) les autorités de navigabilité, les avionneurs et les motoristes[84]. Il est chargé, en particulier, de la rédaction des bulletins chimmotologiques des aéronefs civils ;
- 25GosNII MO RF (25ГосНИИ МО РФ[86]), abréviation russe du 25e Institut national de recherche en chimmotologie du ministère de la Défense de la fédération de Russie, aussi connu comme « в/ч 74242 » (войсковая часть, « unité militaire »). En , l'Armée rouge crée l'Institut des carburants et lubrifiants (институт горюче-смазочных материалов Красной Армии), tirant les leçons de la guerre, appelée aussi la « Guerre des moteurs » (Война моторов) qui a clairement montré le rôle déterminant de la fourniture de produits pétroliers aux armées, comme l'atteste l'ordre no 38 du émis par le commandant en chef suprême, I. V. Staline[87]. Le professeur Papok a été le premier directeur de cet institut à l'âge de 37 ans et a exercé, à partir de 1953, la fonction de directeur adjoint aux questions scientifiques avec le grade de colonel jusqu'à sa mort en 1977[88]. En 1969, l'institut adopte son appellation actuelle ; il mène des recherches dans la mise au point de nouveaux carburants et lubrifiants, de leur évaluation, leur optimisation, leur interopérabilité, etc.
L’armée de l’Air russe porte une grande attention à l’exploitation des carburants et lubrifiants. Cette tâche est dévolue au NITS ERAT (НИЦ ЭРАТ, sigle russe du Centre de recherche sur l’exploitation et la réparation des aéronefs, basé dans la région de Moscou[89]). Il assure le bon fonctionnement des aéronefs par un suivi, y compris des carburants et lubrifiants, mène les enquêtes sur les accidents, etc., et en 1964, une flotte d’avions-laboratoires (летающие лаборатории, litt. « laboratoires volants »), est créée, constituée de onze Antonov An-12 et sept Iliouchine Il-14. Des centaines de sorties sont effectuées par an à travers cet immense pays aux onze fuseaux horaires[90].
Essais au banc (стендовые испытания en russe) avec un turboréacteur de série d'une durée de 150 h avec analyse au cours d'essai de l'huile et de l'air prélevé sur le compresseur qui va alimenter le système de pressurisation de la cabine.
Essais en vol (контрольно-летные испытания en russe) se déroulent dans les conditions normales d'exploitation, d'une durée de 20-25 heures avec prélèvement d'échantillon d'huile pour analyse et également de l'air en cabine pour la détection d'impuretés nocives.
Mise en service avec suivi documenté (эксплыатация под наблюдением en russe) de 500 h avec des aéronefs militaires ou d'une ou deux années avec des avions civils.
Tous les résultats des essais sont envoyés au groupe de travail d'expertise scientifique pour examen et leurs conclusions sont ensuite approuvées par le MVK pour l'attribution du dopousk. La décision du MVK est confirmée par l'Agence fédérale de réglementation technique et de métrologie (Федеральное агентство по техническому регулированию и метрологии, ou Росстандарт, soit Rosstandart). Pour le dopousk d'une huile à usage militaire, un représentant du ministère de la Défense est présent à toutes les étapes de la procédure, du prélèvement initial de l'échantillon d'huile à la contresignature de tous les procès-verbaux d'essais.
À l'issue du dopousk, l'huile expérimentale devient un produit commercial dont il s'agit maintenant d'organiser sa production industrielle en préparant la documentation technique : le règlement technique (технический регламент) qui décrit le processus de fabrication, l'approvisionnement des matières premières, le stockage,le transport, l'élimination des déchets, etc., les conditions techniques (технические условия, ТУ, soit TU) qui est la spécification de contrôle du produit avec laquelle on établit l'analyse de recette — le bulletin d'analyses — du produit.
Essais de qualification
Les essais de qualification sont effectués sur le premier lot industriel d’une huile déjà autorisée d’emploi, mais aussi sur une huile dont la fabrication a été modifiée, comme indiqué plus haut. Les essais incluent pratiquement ceux de la première étape des essais d’acceptation auxquels s’ajoutent les exigences de la spécification de contrôle TU, OST ou GOST.
Bulletin chimmotologique
À la fin de tous ces essais, l'huile est inscrite dans le bulletin chimmotologique[91] (химмотологическая карта) de l'aéronef, par analogie au bulletin de service de la procédure de validation en vigueur en Occident, mais de contenu tout à fait différent. Le bulletin chimmotologique est un document exhaustif qui liste les sous-ensembles de l'aéronef, détaillant pour chacun d'entre eux les unités qui doivent être lubrifiées. À titre d'exemple, le bulletin de l'hélicoptère polyvalent, civil et militaire, Mi-8, un document de 44 pages[92], comprend une vingtaine de sous-ensembles: système d'alimentation en carburant, moteur, groupe auxiliaire de puissance, générateur, système hydraulique, fuselage, train d'atterrissage, commande du moteur, des gouvernes, etc.; tous ces sous-ensembles sont subdivisés à leur tour en un total de 260 unités, clairement référencées. Devant chaque unité, le bulletin précise le lubrifiant principal, huile, liquide hydraulique ou graisse, à utiliser, ainsi que le lubrifiant de substitution, les lubrifiants étrangers autorisés, la quantité à employer, la fréquence d'intervention en heures de vol ou lors de la grande visite. Une liste annexe donne la nomenclature des huiles et des graisses et pour les lubrifiants étrangers, leur désignation commerciale, leur norme d'homologation et les pays d'origine de fabrication. La liste est complétée par de nombreuses remarques, comme celle qui interdit le mélange de l'huile nationale avec des huiles étrangères.
Graissage de la turbomachine
Turbomachine
La turbomachine est un mode de propulsion qui se sert de l’air ambiant comme moyen de propulsion. Si on met en vitesse une certaine masse d’air naît une force dirigée au sens opposé à celle de la vitesse, d’où l’expression moteur à réaction.
La turbomachine est constituée :
- d’une entrée d'air ;
- d’un compresseur axial qui comprime l’air ;
- d'une chambre de combustion où l'on accroît la température et la pression de l'air ;
- d'une turbine qui prélève une partie de l'énergie des gaz éjectés pour entraîner le compresseur ;
- d'une tuyère d'éjection avec éventuellement la postcombustion, système utilisé par les avions supersoniques pour augmenter temporairement la poussée.
La force propulsive est fonction de la masse d'air multipliée par la vitesse d'éjection moins la vitesse d'entrée.
Il existe différentes architectures de turbomachines, comme présentées dans l'introduction[93].
Dans un compresseur axial, pour maintenir le taux de compression, il faut plusieurs compresseurs tournant à des vitesses différentes, ce qui est réalisé avec des solutions multicorps :
- simple corps, double flux avec postcombustion comme Snecma M53 du Dassault Mirage 2000 ;
- double corps, double flux avec postcombustion comme Snecma M88 du Dassault Rafale ou Rolls-Royce/Snecma Olympus 593 de l'avion de ligne supersonique Concorde ;
- triple corps, double flux comme Rolls-Royce RB.211 du Boeing 757 ou Progress D18T (Ukraine) de l'hexaréacteur Antonov An-225 Mriya[note 14].
Pour les turboréacteurs à double flux, on appelle « taux de dilution » le rapport du débit externe de l'air, qui assure 80 % de la poussée, au débit interne, qui traverse la turbine et qui assure 20 % de la poussée. On augmente ce taux dans les moteurs de l'aviation civile pour diminuer la consommation spécifique en carburéacteur et le niveau de bruit.
- les turbopropulseurs où l'énergie principale récupérée sur la turbine entraîne une hélice par l'intermédiaire d'une boîte de réduction de vitesse. Le turbopropulseur est le mode de propulsion efficace jusqu'à une vitesse de 600 km/h.
- les turbomoteurs des hélicoptères qui entraînent le rotor par l'intermédiaire de la boîte de transmission de puissance.
Les travaux de mise au point du turboréacteur ont commencé dans les années 1930 au Royaume-Uni sous la direction de Frank Whittle[94] et se sont poursuivis aux États-Unis. Le premier vol a eu lieu respectivement dans ces pays en 1941 et 1942. La mise au point a été plus rapide en Allemagne, dès 1933, par le physicien Hans Joachim Pabst von Ohain, le premier vol a eu lieu en 1939 sur Heinkel He 178 grâce au soutien de l'avionneur Ernst Heinkel[95].
Les turbomachines développent des puissances considérables comme le General Electric GE90-115 B, construit en commun avec Safran Aircraft Engines et monté sur le Boeing 777-300 ER, qui détient le record du monde de poussée avec 569 kN, soit 58 t. Le débit d’air absorbé est de plus de 1,5 t/s grâce à une soufflante de 3,30 m de diamètre.
L'exploitation et l'endurance des turbomachines dépendent du type de service, militaire ou civil, comme le montre le tableau suivant :
| Militaire | Civil | |
|---|---|---|
| 150 à 300 | Exploitation, heures de vol/an | 3 000 à 6 000 |
| 50 à 200 | Endurance, en heures | 17 000 à 40 000 |
Quelque 60 000 turbomachines équipent l'aviation civile mondiale, moitié moins dans le secteur militaire[73]. Le CFM56 est le turboréacteur civil le plus vendu dans le monde[96] et équipe Airbus A320, A340, Boeing 737, Douglas DC-8. Le CFM56 a été mis au point par CFM international[97], une coentreprise formée par General Electric et Snecma en 1974, grâce au génie et l'amitié de deux hommes : Gerhard Neumann (1917-1997), à la carrière exceptionnelle, né en Allemagne, se retrouve sergent à l'US Corps en Chine en 1940, naturalisé Américain en 1945, entre chez General Electric Engine Division et en deviendra le président[98] et René Ravaud (1920-1986), président, depuis 1971, de la Snecma[99].
Les turbomachines modernes peuvent accumuler 40 000 h de vol, soit environ sept ans, sans dépose ni vidange d'huile, mais avec ajout d'huile neuve pour compenser la consommation d'huile[68].
Contraintes de graissage de la turbomachine
Plusieurs facteurs influencent le graissage des turbomachines :
- les limitations en espace et en poids qui ne permettent pas de surdimensionner les paliers ;
- la réduction des vibrations, ce qui conduit à un jeu minimum des paliers ;
- la nécessité d'une réponse rapide, précise et douce aux sollicitations qui exige des paliers un couple résistant minimum ;
- l'environnement en haute altitude qui favorise l'évaporation et contribue à la dégradation de l'huile de graissage ;
- l'exposition à des températures élevées pendant de longues périodes[100].
Ce dernier facteur est prédominant pour la détérioration de l'huile. Le tableau suivant montre l'influence marquante de la vitesse de l'avion sur la température de travail de l'huile[101].
| Conditions de vol | subsonique | transsonique | supersonique |
|---|---|---|---|
| Température maximum des paliers, °C | 175 | 260 | 310 à 370 |
| Température moyenne de l'huile, °C | 65 à 120 | 120 à 175 | 175 à 230 |
On assiste également à une augmentation de la température des gaz à l'expulsion de la turbine arrière :
| 1950 | 1975 | 1990 | |
|---|---|---|---|
| Turbine, °C | 850 | 1 350 | 1700 |
La détérioration de l'huile de graissage n'est pas le fait du seul facteur thermique, elle est aggravée par l'oxydation. Le facteur temps est aussi primordial, car l'huile doit pouvoir assurer un bon service sans vidanges fréquentes. Le type de service joue également un rôle: les décollages en particulier créent des conditions particulièrement sévères; or, un avion peut en accomplir plusieurs par jour. La température s'accroît brutalement lors de l'arrêt ou du ralentissement en vol d'un réacteur par reflux thermique conduisant à la formation de dépôts.
Contrairement à ce qui se passe dans un moteur à piston, l’huile dans le réacteur n’est normalement pas contaminée par le carburant ou les produits de combustion. Par contre, malgré tout le soin pris pour dessiner et construire les joints d’étanchéité des parties tournantes, l’huile est brassée avec de l’air à très haute température, ce qui contribue davantage à sa dégradation. Le phénomène est d’ailleurs accéléré par la présence de nombreux métaux qui agissent comme catalyseur : bronze, magnésium, etc.
La détérioration de l'huile se manifeste par :
- l'augmentation de la viscosité ;
- l'augmentation de l'acidité ;
- la formation de dépôts.
La viscosité règle le débit qui, à son tour, conditionne l'évacuation des calories résultant de la combustion. Les limites d'accroissement de la viscosité dépendent de la conception du système de graissage.Dans certains cas, il a été possible de multiplier la viscosité par trois sans affecter dangereusement le débit.
L’augmentation de l'indice d'acide est indicatrice de la dégradation de l'huile, mais n'entraîne pas nécessairement des effets secondaires; autrement dit, une huile synthétique bien formulée n'est pas corrosive pour les différentes pièces métalliques, même lorsqu'elle accuse une certaine acidité. En fait, l'huile est peu dégradée dans ses principales propriétés de viscosité et d'indice d'acide, car il y a un ajout permanent d'huile neuve. La consommation d'un moteur varie entre 0,1 et 0,6 l/h avec une moyenne de 0,2 l/h pour un CFM 56 qui équipe les A320. Il n'y a pas de vidange, cette dernière n'intervient qu'à la révision du moteur.
Les dépôts représentent de loin la conséquence la plus dangereuse de la détérioration de l'huile: ils peuvent s'accumuler en certains points du circuit d'huile et contrarier le débit, mais ils peuvent aussi colmater certains orifices ou même les filtres avec toutes les conséquences graves qui s'ensuivent[102].
Ce n'est pas tellement la viscosité ou l'indice d'acide qui décide de la vidange de l'huile, mais sa tendance à donner des dépôts.Une huile n'est pas vidangée pour les dépôts qu'elle a provoqués, mais pour les dépôts qu'elle contient[100].
Principe de graissage de la turbomachine
Le système de graissage, exclusivement sous pression et de type à carter sec, des turbomachines modernes est relativement simple.
Il se limite au graissage :
- des paliers de roulements de l'arbre principal ;
- des engrenages de commandes d'accessoires ;
- des réducteurs et boîtes de transmission dans le cas des turbopropulseurs et des hélicoptères.
En outre, dans certains moteurs, l'huile de graissage sert aussi de liquide hydraulique pour diverses commandes, notamment de distribution de carburéacteur, de vérins de tuyère.
Dans son ensemble, un circuit de graissage comprend :
- un réservoir, souvent constitué par un tore en alliage léger soudé, faisant corps avec le réacteur, d'un volume aussi faible que possible ;
- un module de lubrification où sont incluses des pompes à engrenages d'une part,d'alimentation sous pression assez élevée et, d'autre part, de vidange des carters sous faible pression ;
- une ou plusieurs soupapes de décharge ;
- un ensemble de filtres de plusieurs types ;
- un reniflard avec désaérateur-déshuileur, de type centrifuge ;
- des canalisations extérieures ;
- des gicleurs de différentes formes pour le graissage des engrenages et des roulements.
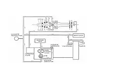
Dans le détail, le système de graissage se divise en un circuit d'huile pour les paliers de roulements et un circuit pour les engrenages. À titre d'illustration, le circuit de graissage du moteur M53 de la Snecma qui équipe le Mirage 2000 est présenté.
Graissage des roulements


Circuit d’alimentation
Deux systèmes de lubrification sont utilisés :
- le circuit dit à huile perdue comme dans le cas de graissage du palier III du M 53. Un distributeur d'huile monté en bout de module de lubrification et entraîné à partir d'un arbre unique, fournit par impulsions un brouillard d'huile, de 0,5 l/h sur le palier III. Cette huile, non récupérée, est évacuée dans le flux de gaz. Le refroidissement de l'enceinte de palier est assuré par l'air. C'est à la demande ferme de l'état-major de pouvoir voler couramment à Mach 2,2 que cette technique de lubrification a été introduite par la Snecma dans les années 1960[103],[note 15] ;
- le circuit dit en circuit fermé ou par recirculation (en anglais : closed loop system) ou recirculation suivant le principe dit à carter sec qui est le système le plus commun.
Dans un cas comme dans l'autre, le graissage et le refroidissement des roulements sont assurés par un mélange d'un grand volume d'air et une faible quantité d'huile ; ce mélange est réalisé dans chaque roulement à partir d'une introduction séparée et dosée d'huile fournie par une pompe et d'air prélevé sur un étage du compresseur. Dans le graissage à circuit fermé du M53, l'huile venant de réservoir est aspirée par la pompe d'alimentation et pénètre dans le module de lubrification et après avoir traversé le filtre principal, est dirigée vers :
- l'enceinte avant comprenant les paliers I et II ;
- la prise de mouvement de l'avion avec le trio conique ;
- le support d'équipements ;
- les organes d'entraînement de la pompe à carburant postcombustion.
Pendant la récupération, l'huile lubrifiant les organes compris dans l'enceinte avant est récupérée par deux pompes assurant le fonctionnement du circuit, quelle que soit l'assiette du vol.
Circuit de récupération

L'huile de renvoi s'écoule par gravité dans le support d'équipements. Elle est ensuite reprise avec l'huile déjà contenue dans le support par les deux autres pompes de récupération. Ces pompes sont également équipées en amont de bouchons magnétiques dont le rôle est de capter les particules métalliques qui auraient pu être entraînées dans le circuit. Le refoulement des autres pompes de récupération se fait par l’intermédiaire d'une tuyauterie unique et l’huile est renvoyée au réservoir après avoir traversé un échangeur de chaleur huile-carburant. Une partie de l'huile renvoyée au réservoir par les pompes de récupération est traitée dans le filtre centrifuge logé à la partie supérieure du réservoir dont le rôle est de récupérer les produits de décomposition en suspension dans le circuit.
Graissage des engrenages


Le graissage des engrenages du support d'équipements s'opère en circuit fermé par carter sec et par jet d'huile uniquement sous pression, dirigé du côté engrènement de chaque engrenage. Le support d'équipement réceptionne la puissance de l'arbre du moteur et la transmet au module de lubrification. Ce support d'équipement qui centralise les organes d'équipements en rotation est d'un transit d'huile important afin de lubrifier les paliers de roulement :
- de la pompe à carburant basse pression (gavage) ;
- de la pompe à carburant haute pression(régulation) ;
- des pompes à huile (module de lubrification) ;
- de la pompe à carburant postcombustion.
En ce qui concerne les engrenages de réduction de propulseur, leur graissage est généralement commun avec celui de la turbine proprement dite, mais il peut être encore assuré par un système séparé dans le moyeu de l’hélice. En fait, les exigences de graissage des réducteurs jouent un rôle important dans le choix du type d'huile pour turbine (viscosité, capacité de charge, etc.).
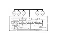
Le graissage à débit perdu du palier est limité aux seuls moteurs militaires de la famille ATAR 8 et 9 et M 53 de la Snecma. La très grande majorité des turbomachines aéronautiques est lubrifiée en circuit fermé, comme le montre le schéma de lubrification du CFM-56.
Historique
Les premiers turboréacteurs étaient lubrifiés avec des huiles minérales légères[104], mais leur forte évaporation, leur tendance à la cokéfaction ont poussé à la recherche de produits de remplacement. Les premières huiles synthétiques sont apparues dans l'Allemagne nazie (1933 - 1945), avec la figure emblématique du Dr Hermann Zorn (de) ; parallèlement, des recherches sont entreprises aux États-Unis pendant la Seconde Guerre mondiale sous la direction du Dr William A. Zisman, qui donneront naissance à la chimmotologie aéronautique occidentale.
Pionniers
Dr Hermann Zorn (1896-1983)
Des facteurs favorables peuvent expliquer l'éclosion des lubrifiants synthétiques dans l'Allemagne nazie :
- un régime autarcique avec les ersatz — emprunt à l'allemand Ersatz, déverbal de esertzen (« remplacer ») — par exemple, le Buna en remplacement du caoutchouc naturel ou encore l'essence synthétique préparée à partir du charbon par le procédé Fischer-Tropsch[105] ;
- une forte tradition chimique avec une industrie puissante basée sur la carbochimie. Le conglomérat IG Farben est créé en 1925 par la fusion de huit sociétés chimiques, parmi lesquelles Bayer, BASF et Hoechst. IG Farben est la plus grosse société européenne et la plus grosse société pharmaceutique et chimique du monde[106]. Dans les années 1930 et 40, le Dr Hermann Zorn travaillera chez IG Farben à Oppau et ensuite à Leuna ;
- une mécanisation des armées, qui exige des lubrifiants pouvant travailler dans des conditions extrêmes, comme au cours de l'opération Barbarossa, nom de code désignant l'invasion de l'URSS le par le IIIe Reich.
À partir de 1927, le docteur Zorn établit les relations entre la structure chimique et les propriétés physiques des hydrocarbures[107] et le choix technico-économique se porte finalement sur l'oligomérisation de l'éthylène en présence d'AlCl3 anhydre. Une production industrielle est projetée à Leuna, à partir de l'éthylène, sous-produit résultant de l'hydrogénation de la houille, avec une capacité de 10 000 t en 1942[108].
Frappé par les propriétés lubrifiantes remarquables de l'huile de ricin, le Dr Zorn, après avoir étudié les mécanismes d'oxydation des corps gras, aboutit à la conclusion qu'un ester stable thermiquement doit être préparé à partir d'un alcool ne contenant que des alcools primaires – CH2OH. C'est ainsi qu'il synthétise l'ester de triméthyloléthane, avec l'acide de Leuna, obtenu par oxydation d'alcools dérivés de l'isobutanol[109].
En 1937, au cours du congrès du pétrole réuni à Zürich, les représentants du ministère de l'Aviation du Reich (Reichsluftfahrtministerium) demandent au Dr Zorn de s’intéresser aux esters[110]. Entre 1937 et 1943, le Dr Zorn synthétise plus de 3 500 esters. Confronté à une pénurie de matières premières, Zorn s'oriente finalement vers la fabrication industrielle de l'ester à partir d'acide adipique et d'une fraction d'alcools ramifiés de C8–C14, sous-produit de la synthèse du méthanol[111]. À l'automne 1944, les turboréacteurs de la Luftwaffe — composante aérienne de l'armée allemande de 1935 à 1945 — sont lubrifiés avec l'huile au nom de code S 1631, de viscosité de 10,7 cSt à 100 °C et un point d'écoulement inférieur à −45 °C, et constituée du mélange suivant :
- 72 % d’adipate, de viscosité de 3,6 cSt à 100 °C et un point d’écoulement de −70 °C ;
- 25 % d'oligomère d'éthylène, de viscosité de 20 cSt à 100 °C et un point d'écoulement de −33 °C ;
- 3 % d'un additif soufré[note 16],[112].
En 1943, 4 000 t de cet adipate sont produits à Leuna et il est prévu de porter la capacité de l'unité à 10 000 t en 1944, car la production d'aéronefs livrés à la Luftwaffe explose, passant de 8 300 unités en 1939 à 39 800 en 1944[113]. À la fin de la Seconde Guerre mondiale, la moitié des avions de la Luftwaffe était lubrifiée avec cette huile[114]. La fin de la guerre marque aussi la totale disparition de la chimmotologie aéronautique allemande.
Après l'effondrement de l'Allemagne nazie en 1945, plusieurs équipes techniques des forces alliées ratissent le pays en ruine et les pays voisins détenteurs de biens allemands, pour s'emparer, voire piller, les techniques résultant de l'effort de guerre. Ainsi les Soviétiques s'approprient quatre cent mille wagons, 1 335 000 têtes de bétail, etc., démontent 340 000 machines-outils, 2 885 usines, etc., au titre d'indemnité de guerre dont l'usine de fabrication d'acides synthétiques par oxydation de paraffines, l'usine étant reconstruite et mise en exploitation en 1953 à Chebeniko, au sud de Moscou[115]. On assiste également à l'enlèvement rocambolesque, en pleine nuit, par un commando militaire français du Dr Hermann Oestrich[116] (1903 – 1973), chef du bureau d'études de BMW — Bayerische Motoren Werke (Manufacture bavaroise de moteurs) —, qui avait mis au point le turboréacteur BMW 003, un des premiers turboréacteurs à être fabriqués en série pendant la guerre, et d'une partie de son équipe. Le Dr Oestrich crée l’Atelier Aéronautique à Rickenbach, en zone française et y développera avec une équipe de 170 experts en aéronautique le turboréacteur ATAR 101, dont une dizaine de versions seront construites en série par la Snecma sur une période de 25 ans pour une production totale à plus de 5 000 exemplaires et qui équiperont les multiples versions des Mirage de Dassault, exportés dans une trentaine de pays[117]. En 1948, le Dr Oestrich reçoit la nationalité française et sera nommé directeur technique de la Snecma à Villaroche en 1950.

Anecdote : en 1945, une nouvelle mission, appelée Field Information Agency, Technical (en) (FIAT) est organisée par l’US Army pour récolter le maximum d’information sur les secrets scientifiques et industriels dans l’Allemagne occupée. Parmi les participants à cette mission, se trouve le Dr William F. Faragher d’Esso à Bâton Rouge, Louisiane, chef de la section « Lubrifiants et combustibles synthétiques » qui plubliera, à l'issue de sa mission, huit rapports[118]. Dr Faragher recrute dans son équipe un jeune ingénieur-chimiste français, Jacques Foucher (1914-1995), ancien élève de l’école de chimie de Nancy, germanophone, qui travaillait alors chez Rhône-Poulenc sur le polyisobutylène, déjà produit par l’unité BASF d’IG Farben sous le nom commercial Oppanol B. De 1946 à 1949, la section va superviser la rédaction par les chercheurs allemands de rapports décrivant tous leurs travaux de recherche effectués à l’IG Farben à Leuna. À son retour d’Allemagne, Jacques Foucher deviendra directeur technique de la société Yacco, fabricant d’huiles pour automobiles, au slogan « L’huile des records du monde ». En 1993, Jacques Foucher fait don à l'auteur de tous les rapports publiés par « L’Administration française de l’IG Farben à Ludwigshafen », soit une pile de 45 cm d’épaisseur, essentiellement centrés sur l’hydrogénation de la houille et également ceux du Dr Zorn, qui décrit en détail ses travaux sur les huiles synthétiques et les esters, en particulier. Ces rapports ont été ensuite remis au fonds historique de l’Institut français du pétrole (IFP), aujourd’hui IFP Énergies nouvelles.
Dr William Zisman (1905-1986)
L’autre figure saillante de la chimmotologie aéronautique a été William Zisman du Naval Research Laboratory (NRL) près de Washington[119]. En 1942, un programme de recherches est entrepris sur les huiles à base d’esters synthétiques sous l’égide du Dr Zisman qui recherchait un liquide de faible viscosité, un bas point d’écoulement, une faible tension de vapeur et qui serait compatible avec les huiles minérales. Il s’agissait de trouver une meilleure réponse aux problèmes d’instrumentation et de régulation de paliers qui se posaient dans l’aéronavale[104] et l’artillerie[120].
Après 1945, cette même équipe du NRL se penche sur de nouveaux problèmes :
- développement d'huiles synthétiques pour turboréacteurs et turbopropulseurs fonctionnant sur un plus large intervalle de températures que les huiles minérales ;
- nécessité de fabriquer des huiles avec les matières premières disponibles sur le marché intérieur ;
- recherche d'antioxydants permettant d'accroître les limites de fonctionnement.
En 1947, le Bureau de l'aéronautique, le prédécesseur de NAVAIR, sur les recommandations de NRL, commencent des essais sur turbopropulseurs et turboréacteurs avec des huiles à base de sébaçates stabilisées avec la phénothiazine[121]. Entre 1948 et 1950, à la fois Pratt & Whitney et le Laboratoire des matériaux de l'USAF sont convaincus de l'intérêt des esters dans le graissage des turbines à gaz et qui conduira à la publication de la norme MIL-L-7808 en , donnant naissance ainsi à la chimmotologie aéronautique occidentale[104].
Huiles de graissage occidentales
Généralités
Une huile de graissage occidentale pour turboréacteurs est constituée d'environ 95 % d'une base composée d'esters organiques et 5 % d'additifs qui ont pour but de corriger les insuffisances de la base. La composition des huiles soviétiques est plus diverse.
La fabrication des esters organiques consiste à faire réagir les acides organiques et les alcools, éventuellement, en présence d'un catalyseur selon la réaction chimique appelée « estérification »[122] :
- acide organique + alcool → ester + eau.

On distingue deux types d'esters organiques utilisés dans les huiles de graissage :
- les diesters – DIE – de diacides linéaires comme l'acide sébacique, azélaïque, adipique, estérifiés avec des alcools ramifiés comme le 2-éthylhexan-1-ol, les alcools isooctyliques obtenus par le procédé oxo. Ces esters ont été largement employés dans les huiles 3 cSt et sont toujours utilisés dans les huiles 7,5 cSt pour turbopropulseurs. Les propriétés physiques et chimiques des diesters ainsi que leur utilisation comme base lubrifiante ont été intensivement étudiées par l'équipe du NRL[123] ;
- les esters de néopolyols – NPE – sont estérifiés à partir de monoacides organiques et de néopolyols. Les néopolyols doivent leur désignation au néopentane, hydrocarbure formé d'un carbone central auquel sont rattachés quatre groupes méthyle –CH3, ces derniers étant remplacés, partiellement ou en totalité, par des groupes hydroxyle primaire – CH2OH dans les néopolyols. Dans le néopentylglycol, deux groupes méthyle sont remplacés par le groupe hydroxyle, dans le monopentaérythritol, tous les quatre. Les monoacides sont généralement de structure linéaire, de cinq à dix atomes de carbone, obtenus par des procédés pétrochimiques et lipochimiques, transformation chimique de corps gras.
Le tableau suivant compare les principales propriétés physiques d'un diester, DIE, d'un ester de néopolyol, NPE et d'une base minérale paraffinique, 100 N, ces trois produits ayant la même viscosité à 100 °C :
| DIE | NPE | 100N | |
|---|---|---|---|
| Densité à 20 °C | 0,907 | 0,946 | 0,857 |
| Viscosité, en cSt à :
100 °C 40 °C −18 °C −40 °C |
4,2
16,6 310 2 970 |
4,0
18 390 3 550 |
4,0
19,3 – – |
| Point d'écoulement | −65 °C | −62 °C | −15 °C |
| Pertes par évaporation selon ASTM D972
à 200 °C, % après 15 h |
7
23 |
2,5
8 |
15
43,4 |
Les diesters présentent une plus faible viscosité à basse température que les esters de néopolyols, l'huile minérale étant solide. On remarque aussi une plus faible volatilité des esters comparée à celle de l'huile minérale.
Un critère important dans le choix de l'ester est la stabilité thermique. En soumettant un ester à une température croissante, en l'absence d'oxygène, il commence à se décomposer — on parle aussi de thermolyse — à une température TD, avec libération de fragments volatils.
Le sébaçate de bis(éthyl-2-hexyl), qui est le diester le plus communément utilisé, a une TD aux alentours de 275 °C alors que les esters de néopolyols ont une TD de 300 à 310 °C[124].

Les diesters, tels que le sébaçate de bis(di-éthyl-2 hexyl), se décomposent thermiquement pour former des acides et des alkènes-1 suivant un mécanisme mettant en cause l’enlèvement d’un hydrogène de l’atome de carbone en β de l'alcool. Si l’atome d'hydrogène en β de l'alcool est absent, cette réaction ne peut avoir lieu et la décomposition se produit suivant un mécanisme radicalaire par rupture homolytique, décomposition qui exige une plus grande énergie, donc a lieu à une température plus élevée. Les deux mécanismes peuvent se schématiser comme suit[125].
Des additifs sont ajoutés aux esters organiques pour améliorer leurs performances.
Principaux additifs
Les principaux additifs sont :
Antioxydants
Comme indiqué précédemment, l'huile se détériore en présence de l'oxygène de l'air et d'une température élevée. L'huile est ainsi soumise à l'oxydation et l'antioxydant a pour but de limiter cette détérioration. Dès 1947, le NRL recommandait l'utilisation de la phénothiazine, comme antioxydant[126],[127], à la suite d'une sélection portant sur plusieurs centaines de molécules. Malheureusement, la phénothiazine, antioxydant très efficace, forme des produits insolubles après avoir réagi, ce qui a limité son développement. Ces dépôts étaient connus comme « la boue de phénothiazine » (en anglais : phenothiazine sludge) et aggravaient la cokéfaction sur les parties chaudes du moteur. La phénothiazine appartient à la première génération d'antioxydants parmi lesquels on trouve également les amines aromatiques simples comme la diphénylamine ou la N-phényl-1-naphtylamine (en).
En 1961, Elliott et Edwards de Castrol résolvent le problème de la formation de produits insolubles en greffant des groupes alkyle sur la phénothiazine, ouvrant la voie aux amines aromatiques alkylées, comme la 4,4-dioctyldiphénylamine, l'octylphénylaphanaphtylamine : ce sont les antioxydants de la deuxième génération[128].
En 1979, apparaissent les antioxydants de la troisième génération constitués d'oligomères d'amines aromatiques alkylées, développés par Mobil Chemicals[129].
Additifs antiusure
Lorsque deux surfaces métalliques mobiles sont séparées par un film d'huile, la lubrification dépend des propriétés rhéologiques de l'huile. Par contre, quand les pièces sont en contact par intermittence, on ajoute des additifs antiusure à base de phosphates d'aryle comme le tricrésylphosphate (TCP) pour réduire les effets d'usure.
Additifs anti-corrosion
Divers additifs sont ajoutés pour la protection contre la corrosion des métaux, comme les hétérocycles du type benzotriazole pour le cuivre.
Antimoussants
Le moussage de l'huile peut avoir des conséquences dramatiques par manque d'huile au point de lubrification. Un produit pur ne mousse pas, ce qui n'est pas le cas avec une huile de graissage où les causes du moussage peuvent être multiples : la qualité de l'ester, la combinaison des additifs, etc. L'antimoussant classique est l'huile de silicone ajouté en très faible quantité, mais cette solution est loin d'être une panacée. La Direction de la propulsion de l'USAF a rapporté au comité E-34 le cas d'une huile proposée à l'homologation au titre de la norme MIL-PRF-7808 grade 4, qui satisfaisait toutes les exigences draconiennes de cette norme, mais pour laquelle le problème du moussage n'a jamais pu être résolu[note 17].
Principales huiles occidentales
Huiles de 3 cSt à 100 °C
Ces huiles sont en majorité à usage militaire.
L'huile Esso Turbo Oil 15 de la société Standard Oil Development Company[104], devenue Exxon jusqu'à sa fusion avec Mobil, a été la première huile homologuée au titre de la norme Mil-L-7808 selon la composition :
- 94,5 % de sébaçate de di-éthyl-2-héxyle ;
- 0,5 % de phénothiazine comme antioxydant ;
- 5 % de tricrésylphosphate, TCP, comme additif antiusure,
à laquelle on ajoutait 10 ppm de silicone comme antimousse[130].
En 1955, l'USAF est confrontée au problème de l'instabilité au stockage[131] des huiles à base de sébaçate d'ethylhexyle et surtout de leur corrosivité vis-à-vis des alliages au plomb des paliers lisses. On démontre rapidement que l'instabilité résulte de la décomposition du sébaçate en mono-ester très corrosif[132]. Le NRL, dans une étude très poussée, insiste sur le mécanisme d'hydrolyse catalysé par les traces d'acide phosphorique, provenant du TCP, avec la formation du mono-ester et recommande de conditionner des huiles déshydratées dans des emballages secs. En novembre 1959, la version D de la norme MIL-L-7808 introduit un essai de stabilité au stockage accéléré et depuis, ce problème est maîtrisé[133].


Parallèlement aux progrès réalisés dans la conception des moteurs d'avion, les exigences imposées à la qualité de l'huile sont devenues plus sévères et ont conduit à des révisions régulières de la norme. La norme a connu onze révisions[134], identifiées par l'ajout d'une lettre, quelquefois enrichie par des amendements, comme les deux amendements de 1969 et 1971 de la révision G de 1967. Chaque révision introduit des modifications plus ou moins importantes : le passage de la version E de à la version F de se traduit par une évolution de l'essai de compatibilité avec de nouveaux élastomères fluorés[135], testés à des températures élevées au lieu de la simple mesure de gonflement du nitrile à 70 °C ainsi qu'un nouvel essai de cokéfaction appelé RTD Panel Coker[136]. La température, toujours plus élevée des moteurs, a conduit au remplacement progressif des diesters par les esters de néoplyols jusqu'à la révision K d' avec l'introduction du grade 4, aux exigences de tenue thermique particulièrement sévères, constitué d'un ester de triméthylolpropane et d'antioxydant de la troisième génération. Le schéma suivant montre l'évolution de la norme MIL-PRF-7808. L'aspect très propre du palier du moteur J 57- 29 lubrifié avec l'huile de grade 4 illustre la meilleure tenue de cette huile par rapport à l'huile de grade 3. Le moteur J 57-29 de Pratt & Whitney a équipé le bombardier octomoteur Boeing B-52 Stratofortress et a longtemps été utilisé dans l'essai de moteur de la norme MIL-L-7808[137]. Le coût élevé de l'essai a incité l'USAF à remplacer ce moteur par le turbomoteur T 63 utilisé par la NAVAIR. La dernière révision L de la norme MIL-PRF-7808 date de mai 1997[138].
En 2021, le QPL-7808 grade 3 liste treize fournisseurs potentiels d'huiles[139], dont de nombreuses huiles remarquées. Ces huiles sont mélangées seulement dans cinq usines: Lanxess Corp., Hatco division à Fords New Jersey et East Hanover NJ, Exxon-Mobil à Edison NJ, anciennement Mobil, Eastman Aviation Solutions à Linden NJ, anciennement Exxon et NYCO-STPC à Tournai-Belgique.
Le QPL-7808 grade 4[139] ne comprend que l'huile Turbonycoil 400 de la société NYCO. Turbonycoil 400 lubrifie le F-22 et F-35[43]
L'huile Turbonycoil 13 de la société NYCO a été la première huile française homologuée en au titre de la norme AIR 3513 avec la même composition que celle proposée par l'USAF. Elle est suivie de la mise au point de l'huile Turbonycoil 13 A, de conception propre, homologuée en mai 1963 et un contact avec les autorités américaines en vue de son homologation sera établi par l’intermédiaire de l'OTAN. Mais l'introduction de la technique du graissage à débit perdu des ATAR 9 C par la Snecma va placer NYCO devant un défi technique sans précédent. En effet, aucune huile de l'époque ne satisfaisait cette nouvelle technique de graissage : soit l'huile avait un pouvoir lubrifiant insuffisant, soit elle lubrifiait, mais formait des dépôts et dans les deux cas, il en résultait un grippage du palier aux conséquences catastrophiques. Après deux ans d'essais, une solution a été trouvée, au grand soulagement de la Snecma, par l'ajout d'un polymère qui assure la lubrification et qui se décompose sans laisser de dépôts : c'est l'huile Turbonycoil 13 B, homologuée en , toujours en service dans diverses armées de l'air en 2023[140]. La mise au point de l'huile Turbonycoil 13 B a eu des répercussions au sein de la Snecma. Au milieu des années 1970, lors des discussions techniques entre General Electric (GE) et Snecma au sujet de la lubrification du futur moteur CFM 56, GE annonce qu'il a choisi l'huile Mobil Jet Oil II, déjà réputée dans l'aviation civile. À son tour, Snecma informe que son choix se porte sur la société NYCO comme partenaire, société inconnue aux yeux de GE.
Devant les coûts considérables engendrés par la mise au point de l'huile Turbonycoil 13 B et les nombreux essais au banc et en vol, un marché relativement modeste, quelque 300 t/an à l'époque, le Service technique aéronautique a estimé qu'il n'y avait pas de justification économique pour l’homologation d'une autre huile au titre de la norme AIR 3514. D'autre part, une tentative a été entreprise pour mettre au point une huile O-150, adaptée, non seulement au graissage à débit perdu, mais aussi au graissage par recirculation des moteurs américains et répondant aux exigences de la norme MIL-L-7808. Si les résultats des essais en laboratoire et au banc étaient satisfaisants, l'évaluation en service de l'huile a révélé la formation de dépôts noirs cireux dans la chaîne cinématique des moteurs ATAR 9 K équipant les Mirages IV et l'impossibilité de reproduire ce phénomène sur un banc d'essai: le projet a été abandonné.
Huiles de 5 cSt à 100 °C
Ces huiles sont d'usage militaire et civil. Elles sont toutes à base d'esters de néopolyols.
L'huile Mobil Jet Oil 2 de Mobil a été la première huile homologuée au titre de la norme MIL-L-23699 en 1963, toujours en service en 2023, suivie de Aeroshell Turbo Oil 500, Exxon Turbo Oil 2380[67] et de l'huile Turbonycoil 600 de la société NYCO en 1985[141]. Cette norme allait susciter un engouement auprès des fabricants d'huile au point que le QPL- 23699 de , qui enregistre les huiles de classe standard, STD, recense 46 références d'huiles dont de très nombreux remarquages et remélangeages[141]. Chaque nouvelle source d'additifs, modification de la composition de l'ester, etc., se traduit aussi par l'inscription d'une référence.
À la fin des années 1980, NAVAIR se penche sur le problème de la corrosion des paliers due au stockage du moteur en milieu salin, par exemple, lors d'un rapatriement par bateau ou d'inactivité prolongée de l'aéronef et qui se traduit par un coût de remplacement de ces paliers estimé à trois millions de dollars par an[142]. Après la mise au point d'un essai pouvant reproduire en laboratoire ce phénomène de corrosion statique, l'Aéronavale adopte dans la révision E de la norme MIL-23699 d'août 1994, dont le code OTAN reste O-156, deux classes d'huile : l'huile standard de classe STD (standard) et l'huile antirouille de classe C/I (corrosion inhibited). Seuls quelques pays de l'OTAN, dont les États-Unis, utilisent la classe C/I pour la lubrification des aéronefs de l'Aéronavale, tous les autres préférant la classe STD.
En 1979, Mobil propose une nouvelle huile de 5 cSt, la Mobil Jet Oil 254, spécialement étudiée pour le graissage du moteur Pratt & Whitney de la série JT3D. Cette huile, désignée comme huile de troisième génération[143], contient de nouveaux antioxydants basés sur des oligomères d'amines aromatiques. En 1993, Mobil lance une nouvelle huile, la Mobil Jet Oil 291, abusivement qualifiée d'huile de quatrième génération[144], composée d'un antioxydant de la troisième génération et d'un additif antiusure très actif pour renforcer la capacité de charge de l'huile, malgré le fait que les motoristes n'aient aucune exigence à l'égard de cette dernière. Après une décennie d'exploitation, l'huile est retirée du marché en après qu'un feu de moteur, dû à une accumulation de dépôts avec rupture d'une aube de turbine, se déclare dans le moteur Rolls-Royce Trent 700 d'un Airbus A330 avec 171 passagers à bord, ceci au moment du décollage, suivi d'un atterrissage d'urgence, l'équipage et les passagers étant sains et saufs[145]. En 2008, Mobil met sur le marché la Mobil Jet Oil 387, une nouvelle huile de troisième génération.
La version F de mai 97 de la norme MIL-PRF-23699 O-156 introduit une troisième classe d'huile, HTS (pour High Thermal Stability, « de grande stabilité thermique »), qui entérine de fait l'existence des huiles de troisième génération. La plage de fonctionnement de la classe STD, de −40 à 177 °C passe de −40 à 210 °C pour la classe HTS. La version G[146] de ajoute une nouvelle classe EE pour le graissage des moteurs de l'avion multirôle de cinquième génération F-35 et la norme comprend alors quatre classes différentes, chacune portant un code OTAN distinctif : classe C/I (Corrosion Inhibiting, « antirouille »), O-152 ; classe HTS (pour High Thermal Stability, « de grande stabilité thermique »), O-154 ; classe STD (pour Standard, « standard »), O-156 ; classe EE (Enhanced Ester, « ester renforcé »), O-167. Le dernier QPL-23699 de comprend 21 références d'huiles de classe HTS avec de nombreux remarquages et cinq huiles de classe EE[141].
La majorité des pays de l’OTAN utilisent l’huile de la classe STD, y compris la France qui l’utilise dans l’avion de combat multirôle Rafale, l’avion de transport Lockeed C-130J et C-130H, les hélicoptères NH-90 et Eurocopter EC665 Tigre et comme produit de remplacement de l’huile O-150 pour quelques vols seulement sur moteurs de la série ATAR 8, 9 et M-53. L’huile de classe HTS O-154 lubrifie les trois turboréacteurs Garrett des Dassault Falcon 50M Surmar, de surveillance maritime de l’Aéronavale.
La norme britannique DERD 2497, aujourd'hui Def Stan 91-100, O-160 définit une huile à base d'esters de 5 cSt à 100 °C avec une capacité de charge renforcée, originellement conçue pour la lubrification du moteur Rolls-Royce/Snecma Olympus 593[147] avec postcombustion du supersonique Concorde ; aujourd'hui, O-160 est l'huile de l'avion de combat multirôle Panavia Tornado.
Huiles de 7,5 cSt à 100 °C
Ces huiles sont destinées à la lubrification des turbopropulseurs et les exigences sont décrites dans la norme britannique de référence DERD 2487 O-149. En 1972, la norme AIR 3517 remplace la norme britannique pour les applications militaires françaises en empruntant la méthodologie d'évaluation en vigueur dans la norme Air 3514. Elle a reçu un nouveau code OTAN O-159 et l'interchangeabilité entre ces deux huiles reste acquise pour des utilisations occasionnelles. O-159 est utilisée en France dans l'avion de transport Transall et de patrouille maritime Atlantique 2.
Huiles de graissage en usage dans l'aviation civile
La situation est tout autre avec les huiles de 5 cSt à 100 °C en usage dans l'aviation civile, de classe SPC et HPC de la norme AS 5780, dont le nombre de fournisseurs d'huile est réduit comme le montre le tableau suivant, qui liste également les marques commerciales des huiles des différents fabricants[148] :
| ExxonMobil Lubricants | Eastman Chemical C° | Shell Aviation Ltd | NYCO S A | |
|---|---|---|---|---|
| classe SPC | Mobil Jet Oil II | Eastman Turbine Oil 2380 | AeroShell Turbine Oil 500
AeroShell Turbine Oil 560 |
Turbonycoil 600 |
| classe HPC | Mobil Jet Oil 254
Mobil Jet Oil 387 |
Eastman Turbine Oil 2197 | AeroShell Ascender | Turbonycoil 640 |
La gamme d'Eastman Chemical Company était à l'origine celle d'Exxon.
Toutes les huiles de classe SPC sont également de classe militaire STD O-156.
Toutes les huiles de classe HPC du tableau ainsi que AeroShell Turbine Oil 560 sont de classe militaire HTS; cependant, cette dernière n'est pas de classe HPC.
Les huiles de classe SPC sont encore largement utilisées dans l'aviation civile[149], avec une légère augmentation de la consommation d'huiles de classe HPC; ces dernières sont imposées dans la lubrification des moteurs de la famille Trent de Rolls-Royce.
Seules les sociétés ExxonMobil Lubricants[150] et NYCO S.A[151]. fabriquent les huiles à partir de leurs propres esters et antioxydants de troisième génération.
Toutes ces huiles ont un statut de validation très différent des autres.
Qualité de l'air dans les cabines d'avions
Dans les premiers avions commerciaux, l'air qui alimentait le cockpit et la cabine était prélevé à l'extérieur et comprimé pour assurer la pressurisation de la cabine. Dans les avions de ligne modernes, l'air est prélevé en aval du compresseur du turboréacteur, avant la chambre de combustion. L'air est ensuite refroidi et amené à une pression adaptée aux besoins de la cabine[152]. Dans le moteur, des joints d'étanchéité permettent de confiner l'huile de graissage des pièces tournantes. Dans le cas normal de fonctionnement et plus gravement, en cas d'usure ou de détérioration de ces joints, l'huile peut se mélanger à l'air de purge, puis dirigé vers l'habitacle. L'huile contenant des additifs antiusure à base d'organophosphates, des vapeurs toxiques peuvent alors être émises en cabine avec des conséquences neurotoxiques chez certaines personnes[153],[154]. On sait, depuis les années 1930, que la neurotoxicité du TCP est principalement due à l'isomère tri-o-crésylphosphate et la concentration de l'isomère a été limitée, pour la première fois, à 1 % du TCP dans la norme MIL-L-7808 révision F de et cette exigence a été maintenue dans les révisions ultérieures de la norme. Une contribution très approfondie sur l'implication pour la santé de l'exposition à l'air contaminé dans les cabines d'avion a été apportée par l'Université de Nouvelle-Galles du Sud à Sydney[155],[156]. Une polémique, néanmoins, fait rage depuis des années pour savoir si le tricrésyl phosphate, TCP, présent dans l'huile comme additif antiusure, est directement responsable des problèmes de santé dus à la qualité de l'air de la cabine. En 2002, la SAE a publié un rapport, Aerospace Information Report, AIR 5784 rev. A[157], préparé par le comité E-34 qui passe en revue la documentation technique publiée jusqu'à la fin 2000 et qui porte sur le lien éventuel entre les huiles de graissage et la qualité de l'air dans la cabine. Dans sa conclusion, le document souligne que « les données examinées montrent qu’il est improbable que les triarylphosphates — dont le TCP — soient la cause de symptômes neurotoxiques et que les TCP d’aujourd’hui sont considérablement moins toxiques que ceux utilisés dans les années 1940 ». De même, l'Agence européenne de la sûreté aérienne s'est penchée sur la question de la qualité de l'air des avions : « La qualité de l'air que respirent les passagers et l'équipage dans les cabines des avions commerciaux est un débat continu depuis soixante ans, au niveau de la santé comme de la sécurité. Le débat sur la qualité de l'air dans le cockpit ou la cabine doit être différencié entre un événement qui contamine l'air et la qualité de l'air dans des conditions normales. Par exemple la qualité de l'air en absence d'événements anormaux peut être comparée à la qualité de l'air extérieur ou d'autres lieux de travail »[158]. Les exigences de lubrification demandées aux huiles d'aviation ne peuvent pas être satisfaites sans recourir aux organophosphates et que les tentatives pour trouver des produits de remplacement ont toutes échoué. L'air alimentant la cabine de l'avion de ligne long-courrier Boeing 787 Dreamliner, dont la mise en service a eu lieu en 2011, provient directement de l'extérieur et n'est pas prélevé sur le turboréacteur[159].
À ces thèses rassurantes s'oppose le Comité exécutif mondial de la qualité de l'air en cabine (Global Cabin Air Quality Executive, GCAQE)[160], créé en 2006, qui est une organisation représentant les équipages aériens et les consommateurs dans le monde et qui s'occupe spécifiquement des problèmes de l'air contaminé et de la qualité de l'air en cabine. L'objectif principal du GCAQE est de pousser l'industrie aéronautique à effectuer les changements nécessaires pour empêcher les membres d'équipage et les passagers d'être exposés aux émissions d'air contaminé. Dans le documentaire « Bienvenue à bord d'air toxique » (Welcome aboard toxic airlines), réalisé en 2007 et primé dans de nombreux festivals internationaux, l'ancien pilote britannique de British Airways Tristan Loraine, co-président du GCAQE, révèle les dangers d'expositions toxiques et dénonce le silence des compagnies aériennes[161]. En 2022, le Comité européen de normalisation a publié un rapport, Technical Report 17904, intitulé Qualité de l'air dans la cabine des aéronefs civils - Composés chimiques[162]. Ce rapport a été favorablement accueilli par les différentes instances syndicales, le GCAQE et l'Association européenne du personnel de cabine (European Cabin Crew Association, EurECCA[163]), appelant les compagnies aériennes, les avionneurs, l'AESA, à mettre rapidement en œuvre cette nouvelle norme de qualité de l'air dans les cabines afin de protéger le personnel et les passagers des émanations chimiques[164].
Huiles de graissage dans l'Union soviétique et la fédération de Russie
L'organisation de la production des huiles de graissage dans l'Union soviétique diffère de celle existante dans une économie libérale, où la recherche de l'efficacité est une préoccupation constante et qui se traduit par la mise en place d'un système de normalisation de la production. Prenons l'exemple de la SAE International, anciennement Society of Automotive Engineers (SAE), « Société des ingénieurs de l’automobile ». La SAE a été fondée en 1905, à l'aube de l'industrie automobile, quand les ingénieurs d'une douzaine de constructeurs automobiles ont exprimé le désir d'avoir « un libre-échange d'idées » pour élargir leur base de connaissances technique afin de pouvoir résoudre les problèmes en élaborant des normes techniques, y compris dans le domaine des huiles de graissage en définissant les différents grades de viscosité d'huile (SAE 0W, 5W, 20, 30, 10W40, etc.). Cette politique de la normalisation s'est étendue à l'industrie, comme l'Association des constructeurs européens d'automobiles (ACEA) qui s'occupe spécifiquement des normes d'huiles appliquées au marché européen et standardise les caractéristiques techniques des huiles[165].
De même, l'instance militaire exprime ses besoins en huiles de graissage par la création de normes, dans lesquelles un long travail en amont définit la nature chimique du produit, agencée exclusivement autour des esters synthétiques pour les huiles de graissage d'usage général, ceci pour assurer la compatibilité entre les différentes huiles et les matériaux en contact avec l'huile, mais également les exigences physico-chimiques, les performances de tenue thermique et de lubrification, établit des méthodes d'évaluation de ces caractéristiques, confirme la pertinence du projet de la norme avec des essais en vraie grandeur. Une fois publiées, les normes s'enrichissent de l'expérience du terrain avec des révisions.
Dans l'Union soviétique, le processus de création d'une huile de graissage est tout autre:le motoriste se tourne vers un institut et lui demande de concevoir une huile pour le graissage de la turbomachine. En l'absence de norme, l'institut a toute liberté de conception. Et ce processus se répète à chaque demande des motoristes. Même avec un nombre réduit de huit motoristes soviétiques, on assiste, au fil du temps, à une accumulation disparate d'huiles, les nouvelles s'ajoutant aux anciennes, jusqu'à atteindre plus d'une vingtaine d'huiles, toutes de composition différente[166]. Cette longue liste d'huiles est le résultat de la coupure de la recherche de son environnement industriel, de l'absence du concepteur et de l'utilisateur dans le processus de l'innovation. La situation est même devenue inextricable dans l'industrie où l'on compte plus de 300 marques d'huiles et 200 types de graisses[167].
La nomenclature des huiles de graissage pour l’aviation comprend la dénomination de l’huile suivie de la spécification de contrôle. Exemples de nomenclature d’huiles :
- huile IPM-10 (TU 38.1011299-2006) Масло ИПМ-10 (ТУ 38.1011299-2006) ;
- huile MS-8p (OST 38.101163-78) Масло МС-8п (ОСТ 38.101163-78) ;
- huile VNIINP-50-1-4-f (GOST 13076-86) Масло ВНИИНП-50-1-4-ф (ГОСТ 13076-86).
Dénominations des huiles
La dénomination des huiles est en général arbitraire, sauf pour les huiles minérales. Dans l'huile VNIINP-50-1-4f (ВНИИНП-50-1-4ф en russe), VNIINP fait référence à l'institut de raffinage et au fait qu'elle contient 1 % d'antioxydant et 4 % d'additif antiusure, le tricrésylphosphate (трикрезилфосфат) en russe. Dans LZ-240, LZ (ЛЗ) est l'abréviation de (Ленинградский Завод, en franaçis « usine de Leningrad », aujourd'hui Saint-Pétersbourg), aussi connue comme l'usine pilote d'huiles minérales Shaumian de Leningrad (Ленинградский опытный нефтемаслозавод им. Шаумяна), aujourd'hui, Usine de production Shaumian (Производство Завод имени Шаумяна) ; le chiffre 240 a été initialement attribué par l'usine et était supposé indiquer, de manière abusive, la température de tenue thermique TOS – voir plus bas –. L'huile B-3V (Б-3В) est la désignation d'un échantillon d'huile parmi la gamme d'huiles examinées. La dénomination des huiles minérales est plus précise. Ainsi l'huile minérale MS-8p s'analyse de la façon suivante : M pour huile, sous-entendu huile minérale (Масло) ; S pour traitement sélectif au phénol de la base minérale, suivi d'un déparaffinage avec une solution acétone-toluène[168] (Селективнaя очистка) ; par ailleurs, K pour « traitement à l'acide sulfurique » (Кислотная обработка) ; le chiffre indique la viscosité en centistokes (cSt) à 50 °C. Parfois une lettre est ajoutée qui apporte une information additionnelle, comme « p » pour присадка [prʲɪˈsatkə] (« additif ») ou « u » pour улучшений (« amélioré »), comme dans l'huile VNIINP-50-1-4u (ВНИИ НП 50–1-4у).
De même, IPM-10 est une huile isoparraffinique de viscosité 10 cSt à 50 °C.
Spécification de contrôle
La spécification de contrôle de l'huile est un document qui liste les caractéristiques physico-chimiques à mesurer selon les méthodes GOST sur le lot d'huile fabriqué et s'apparente à une fiche d'identification, comme exigée par le ministère français des Armées, car la composition de l'huile est imposée. Elle contient également des informations sur le conditionnement, le marquage, le stockage et les précautions d'emploi.
On distingue trois niveaux de spécification de contrôle, qui vont d'une application particulière de l'huile avec le TU à une utilisation la plus générale avec le GOST en passant par une application de portée intermédiaire avec l'OST[169]. La spécification est constituée d'une suite de chiffres attribuée par l'organe de standardisation suivi de la date de création ou révision. Les TU et OST précisent en outre la branche industrielle à laquelle le produit est rattaché, repérée par un chiffre ; ici, le chiffre 38 fait référence à l'industrie pétrochimique[170] :
- TU ТУ Технические Yсловия, « conditions techniques »)), est une spécification développée, d'une manière indépendante, par le concepteur ou le fabricant d'un produit pour une application donnée, avec une approbation formelle de la branche ;
- OST (ОСТ Oтраслий СТандард, « norme de branche industrielle ») est une spécification approuvée et contrôlée par le ministère de la branche et dont les applications sont plus élargies. MS-8p est utilisée dans l'aviation civile et militaire, mais aussi dans les turbines à gaz des navires et dans les unités de pompage de gaz ;
- GOST (ГОСТ государственный стандарт), norme d'État, approuvée au plus haut niveau par le Conseil interétatique pour la normalisation, la métrologie et la certification de la Communauté des États indépendants et son application est même étendue à l'Union économique eurasiatique. Le Conseil interétatique pour la normalisation fait partie de l'Organisation internationale de normalisation, plus connue par son sigle ISO pour International Organization for Standardization.
Mais le système de normalisation évolue depuis la dissolution de l'URSS. Ainsi, la spécification OST 38.101163-78 de l'huile MS-8p est devenue une norme nationale de la fédération de Russie, GOST R 55775 - 2013 (R pour « Russie ») sous l'égide de l'Agence fédérale de la réglementation technique et de la métrologie. Puis, dans le nouveau système du dopousk, mis en place dans les années 2000, la spécification de MS-8P est devenue SТО 11605031-014-2008 – voir plus bas, la situation en 2023.
Au milieu des années 1970, le TSIAM a classé les huiles en cinq groupes en tenant compte de leur tenue thermique, термоокислительная стабильность, litt. « stabilité thermooxydante » (ТОС, soit TOS) selon la norme ГОСТ 23797. Chaque groupe représente une température de tenue thermique TOS, partant de 150 à 350 °C, par fractions de 50 °C et qui est mise en relation avec la température de l'huile à la sortie du moteur. L'huile avec une température donnée TOS peut être recommandée d'emploi dans un moteur pour lequel la température de sortie de l'huile sera équivalente à cette TOS, cette recommandation devant être confirmée par les résultats des essais au banc et en exploitation réelle de l'huile. À la suite de cette classification, la liste des huiles conçues au fil des années se réduit progressivement.
Principe de la détermination du TOS
La méthode consiste à faire passer de l’air en continu à travers 100 ml d’huile (barbotage) en présence de différentes plaques métalliques à une température donnée, pendant 50 heures. À la fin de l’essai, on mesure la variation de viscosité de l’huile, de l’indice d’acide, de la perte de poids des plaques due à la corrosion, de la quantité d’insoluble dans l’isooctane et de la présence de dépôts sur la paroi du réacteur. Le palier de température du TOS se définit expérimentalement; il est, par exemple, de 200 °C pour l’IPM-10, car l’huile est totalement dégradée dans l’essai au palier supérieur, de 250 °C.
Traditionnellement, les Russes présentent les huiles de graissage selon le type de la turbomachine à lubrifier: turboréacteur, turbopropulseur et turbomoteur[171].
Huiles pour turboréacteurs
Huiles minérales
Jusqu'à la fin des années 1970, 75 % du marché des huiles pour turbomachines était constitué d'huiles minérales avec une viscosité de 6 à 9 cSt à 50 °C. Grand producteur de pétrole, l'Union soviétique dispose de nombreuses régions pétrolifères, en particulier le gisement de Balakhany en Azerbaïdjan, à Krasnodar, Tuymazy en Bakchirie, etc., dont la variété de compositions, de techniques de raffinage ont permis de développer une large palette d'huiles minérales[172].
Les premiers turboréacteurs étaient lubrifiés avec des huiles légères comme l'huile de broche ou pour transformateur ТК, additionnées de 0,05–0,1 % d'acide stéarique pour améliorer le pouvoir lubrifiant[173]. Au début des années 1950, était conçue l'huile MK-8, avec une viscosité de 8 cSt à 50 °C, par la raffinerie de Bakou à partir de brut naphténique, de composition unique, faiblement soufré, de tenue thermique TOS jusqu'à 120 °C. Une version plus stable, jusqu'à 140 °C, MK-8p, fabriquée à la raffinerie de Yaroslav, a été obtenue par l'ajout de 0,6 % d'un antioxydant, le 2,6-di-tert-butyl-4-méthylphénol, connu traditionnellement comme ионол (« ionol »). Dans la période 1959-1963, deux huiles minérales, MK-6 et MS-6, avec une viscosité de 6 cSt à 50 °C, cette dernière contenant 0,2 % d'ionol, sont introduites et qui se caractérisent par un TOS de 120 °C, mais avec de meilleures propriétés à basse température. Dans les années 1970, trois nouvelles huiles sont proposées: MS-8 contenant 0,2 % d'ionol, MS-8P, mise au point par VNII NP et MS-8RK. MS-8P contient différents additifs : antioxydant, antiusure et anticorrosion. MS-8P est principalement utilisée dans l'aviation civile sur les aéronefs Tupolev et Iliouchine. Elle est produite par la raffinerie d'Oufa et son volume de production atteint 2 500 t en 2010. L'huile MS-8RK рабоче-консерваьионное масло (litt. « huile de travail et de conservation »), est équivalente à l'huile MS-8P en matière de performance, mais lui est nettement supérieure comme huile de préservation contre la corrosion des aéronefs, en particulier militaires[174].
Huiles synthétiques
Dès le début des années 1960, des recherches sont entreprises sur les diesters de diacides et les esters de néopolyols et de monoacides synthétiques obtenus par oxydation de paraffines. Ainsi, l'usine pilote de Shaumian propose l'huile 36/1, préparée sur la base d'un mélange d'esters de diéthylène glycol et de pentaérythritol, contenant 0,5 % de parahydroxydiphénylamine comme antioxydant ; puis cette huile a connu d'autres versions : 36/1K, 36/1Ku et 36/1Ku-A, toutes enrichies de l'additif antiusure mercapto-2-benzothiazole (en), connu comme каптакс en russe, « captax » en français. Mais ce dernier a tendance à former des dépôts, en particulier en hiver, conséquence de sa dimérisation par oxydation, appelés altax (альтакс)[175], d'être corrosif vis-à-vis des alliages cuivreux et de magnésium à haute température et de réduire le TOS de l'huile. Vers cette période, le VNII NP propose une nouvelle huile à base de sébaçate d'octyle avec une stabilité thermique de 175-180 °C dénommée VNII NP-50-1-4f, de tenue thermique supérieure à l'huile 36/1 et qui connaîtra une version améliorée avec de nouveaux antioxydants et un additif anticorrosion, VNII NP 5--1-4u, et une stabilité thermique de 200 °C. Malheureusement, son exploitation est entravée par la pénurie d'acide sébacique d'importation.
Au milieu des années 1960, sera mise au point par le VNII NP, une huile de composition originale, IPM-10 (ИПМ -10), inconnue en Occident, constituée d'une base minérale, obtenue par hydrocraquage et hydroisomérisation de paraffines solides, aux caractéristiques uniques, enrichie de sébaçate d'octyle et d'additifs. En 1991, les unités d'hydroisomérisation et de déparaffinage sont démontées pour des raisons écologiques et la production de cette huile est interrompue, les solutions alternatives ayant échoué. C'est ainsi que NYCO fournira l'huile Turbonycoil 210 A, substitut de l'IPM-10, à l'Union soviétique pendant cette interruption de fabrication[note 18],[176] et qui sera mise en service avec un suivi[177]. En 1999, la production reprend avec un nouvel hydrocarbure synthétique, à base de polyalphaoléfines (PAO) d'origine étrangère. Notons que l'huile Turbonycoil 210 A a été conçue au début des années 1970, également à partir d'une polyalphaoléfine, dont la commercialisation venait de commencer en Occident, car aucune base minérale possédant les remarquables caractéristiques de l'huile IPM10 d'origine n'était disponible en Europe. IPM-10 est largement utilisé dans les aéronefs militaires et civils, parmi lesquels le bombardier lourd supersonique Tu-160, les avions de chasse Su-27, MiG-29, le long courrier Il-96-300. IPM-10 est fabriquée par Spetsneftprodukt.
À la fin des années 1970, une nouvelle huile est étudiée, à base d’esters de pentaérythritol et d’acides synthétiques, PTS-225 (TU 38.401-58-1-90) ПТС-225 (ТУ 38.401-58-1-90) en russe, pour laquelle une nouvelle technique d’estérification a été mise en œuvre par rapport à celle pour l’obtention des esters des huiles B-3V et LZ-240 : nouveau catalyseur d’estérification, une fraction sélectionnée d’acides synthétiques, nouvelle technique de purification de l’ester ; elle contient, outre un mélange d’additifs, un polydiéthylsilicone PES-7 ПЭС-7 en russe[3] pour faciliter les démarrages du moteur en hiver. De nombreux essais au banc ont montré une remarquable tenue de l’huile jusqu’à 225 °C et l’huile a été autorisée d’emploi à la fin des années 1980. En 2003, l’huile PTS-225, préparée à partir d’une base importée, a échoué dans les tests effectués au TSIAM et n’est actuellement plus produite[178].

Autre originalité dans la gamme d'huiles : l'huile VT-301 (ВТ-301 pour Высокой Температуры, « température élevée »), composée principalement de diméthylsilicone partiellement fluorée et contenant un antioxydant à base de caproate de fer, utilisable jusqu'à 250 °C. L'huile VT-301 a été mise au point par le VNII NP, spécifiquement pour la lubrification de l'avion de ligne supersonique Tupolev Tu-144 (Tyполев Ту-144), surnommé le Concorski, alors que son rival franco-britannique, Concorde, utilisait une huile à base d'esters. L'exploitation commerciale du Tu-144 a été de courte durée, à peine sept mois ; il a été retiré du service en 1978, puis a été utilisé dans la recherche scientifique jusqu'en 1999. L'huile VT-301 lubrifie aujourd'hui les équipements destinés à l'exploration spatiale[179]. Elle est fabriquée par la compagnie pétrolière Rosneft, qui a absorbé le VNII NP en 2018 ; son coût de fabrication est très élevé.
Huiles pour turbopropulseurs
Pour la lubrification des anciens propulseurs on utilise actuellement l'huile SM-4,5, un mélange constitué de 75 % МS-8P et de 25 % МS-20 et aussi d'autres mélanges : SМ-8 (50 % МS-8P + 50 % МS-20) et SМ-11,5 (25 % МS-8P + 75 % МS-20). Pendant de nombreuses années, la lubrification des turbopropulseurs était assurée par des mélanges de MK-8 ou de MS-8, MK-6, MS-6 et d’une huile plus visqueuse MS-20 ou MK-22[180]. Ces mélanges, aux proportions variables suivant les besoins, étaient préparés sur place, sans contrôle rigoureux, et ne permettaient pas le démarrage l’hiver sans un réchauffage du bac d’huile. Puis, dans les années 1960, ces mélanges ont été remplacés par l'huile minérale MN-7,5, préparée avec l'huile MS-6 et contenant divers additifs: épaississant, antioxydant, antiusure et par une version synthétique, VNII NP-7, constituée d'un sébaçate épaissi avec un polyisobutylène, les deux huiles ayant une viscosité de 7,5 cSt à 100 °C. Ces deux huiles présentent un TOS, une capacité de charge et des propriétés à basse température supérieurs aux mélanges d’huiles. Cependant pendant l'exploitation de l'huile MN-7,5 on a constaté une augmentation significative de la viscosité de l'huile et la formation de dépôts, en particulier sur le moteur Ivtchenko-Progress AI-24 du constructeur ukrainien Motor Sich qui équipe l'avion Antonov An-24. En 1975, une version améliorée de MN-7,5 sera créée avec la désignation MN-7,5u et deviendra l'huile universelle avec un TOS de 150 °C pour tous les anciens modèles de turbopropulseurs. Mais au début des années 1990, la production de MN-7,5u est abandonnée en raison de l’arrêt de la fourniture de la base à la suite du démantèlement de l’unité de la raffinerie d’Oufa et aussi de l’additif antiusure à base de diphénylpolychloré, connu sous le nom de « Sovol » (Совол) pour des raisons écologiques. Pendant plusieurs années, la transition a été assurée par l'huile Turbonycoil 98 de la société NYCO, répondant à la spécification britannique DEF STAN 91-98, jusqu'à ce qu'une nouvelle huile, KA-7,5, soit mise au point en 2006 par Qualitet-Avia en collaboration avec 25GosNII MO RF, en remplacement de l'huile MN-7,5u. KA-7,5[181] ne contient plus de Sovol et les résultats de l'essai du TOS à 200 °C sont meilleurs que ceux obtenus avec les huiles précédentes, en particulier, il permet un démarrage à −40 °C. L'huile KA-7,5, fabriquée par Qualitet-Avia, est d'abord à vocation militaire et la première fourniture au ministère de la Défense a eu lieu en 2013 ; elle peut remplacer les huiles B-3V et LZ-240 utilisées dans la lubrification des hélicoptères[182].
Huiles pour turbomoteurs et boîtes de transmission principale
Un hélicoptère est un aéronef constitué d’un rotor principal qui assure la sustentation et d’une turbine à gaz, nommée turbomoteur, qui entraîne le rotor principal à travers la boîte de transmission. Il en résulte que la contrainte de graissage de l’hélicoptère est double: le graissage du turbomoteur, qui est identique à celui d’un turboréacteur et quant à la boîte de transmission, on retrouve celui d’un turbopropulseur. Pour les hélicoptères Mil (Мил), un des deux principaux constructeurs russes d'hélicoptères, Mi-6 et Mi-10, les turbomoteurs sont lubrifiés avec l'huile MS-8P et MK-8P et les boîtes de transmission avec les mélanges SM-11,5 et, en hiver, SM-8.
Dans les hélicoptères Mi-2 et Mi-8, on utilise une huile synthétique, B-3V (Б-3В). Elle est composée d'un ester de pentaérythritol, estérifié avec une coupe d'acides synthétiques, C5 – C9 et contient le parahydroxydiphénylamine comme antioxydant et le captax comme antiusure. Mais, comme pour les huiles de la série 36/1K, cette huile cumule les inconvénients imputables au captax. Une nouvelle huile a été proposée, LZ-240 (ЛЗ-240. ne contenant plus le captax. Ces deux huiles sont interchangeables dans de nombreuses applications, comme dans la boîte de transmission de l'hélicoptère Mi-26 et, où, par ailleurs, le turbomoteur est lubrifié avec IPM-10 et VNI-I NP50-1-4f(u).
Anecdote : intrigué par la mauvaise tenue de l'huile B-3V d'origine soviétique, un fût d'une coupe d'acides synthétiques obtenus par oxydation de paraffines a été commandé, en pleine guerre froide, à la raffinerie d'Oufa, capitale de la république de Bakchirie, située dans l'Oural, appelée aussi raffinerie du 22e congrès du Parti communiste de l'Union soviétique. L'analyse de ces acides, utilisés dans la fabrication de l'ester de la B-3V, a montré la présence d'insaturation, de produits d'oxydation et confirmé l’impossibilité d'obtenir un ester de qualité à partir de ces acides. En plus de la qualité médiocre des acides, la technique d'estérification utilisée à Oufa était laborieuse: emploi de l'oxyde de zinc comme catalyseur[183], traitement de l'ester brut à l’acide sulfurique suivi de lavages à l’eau; séchage préalable et élimination par distillation de l’excès d’acides synthétiques; neutralisation de l’ester avec une solution d’hydroxyde de sodium, suivi de lavages répétés à l'eau pour éliminer les savons de sodium; séchage sous vide de l’ester neutralisé[184].
Commentaire : après la mise en exploitation de l’usine de Chebekino en 1953, reconstruite à partir d’une prise de guerre en Allemagne, cinq autres usines de fabrication d’acides synthétiques ont été construites dont celle d’Oufa. Le procédé consistait à oxyder une paraffine en présence de l’air atmosphérique et d’un catalyseur à base de manganèse à 105-120 °C. Le taux de conversion de la paraffine était de 30-35 %. Le produit obtenu était un mélange de monoacides de structure linéaire et ramifiée, avec un nombre pair et impair d’atomes de carbone et contenait aussi 3 % d’impuretés constitués de diacides et de monoacides avec des groupes hydroxyle et cétoniques. Au début des années 1990, ces productions ont été progressivement abandonnées en raison du faible rendement de la fraction cible C10-C20, de la mauvaise qualité des monoacides obtenus, du volume élevé d’eaux usées. À cela, s’ajoute un manque de paraffines et la dernière usine, Oufa, a été fermée au début de 2001[185].
Le dernier exemple avec le Mi-26 illustre la complexité de l'emploi de toutes ces huiles dans l'exploitation des aéronefs. Comme indiqué plus haut, de nombreuses huiles ont été retirées de la gamme des huiles de graissage pour l'aviation: TK, MS-6, MK-6, MK-8, MK-8P, MS-8, MN-7,5, les divers mélanges préparés sur place, les huiles synthétiques 36/1, 36/1Ku, 36/1Ku-A, VNII NP-7.
Dans les années 1980, on prend conscience de la nécessité d'utiliser plutôt des huiles de qualité et, de nouveau, le TSIAM propose une sélection d'huiles pour les différents types de turbomachines ainsi qu'une huile de substitution à chaque huile principale pour faire face à d'éventuels problèmes de disponibilité, comme le montre le tableau suivant :
| Huile principale | Huile de substitution | |||
|---|---|---|---|---|
| Dénomination
de l'huile |
Temp. max.
d'utilisation, °C |
Dénomination
de l'huile |
Temp. max.
d'utilisation, °C |
Domaine d'utilisation |
| MS-8RK | 150 | MS-8P | 150 | Anciens turboréacteurs |
| IPM-10 | 200 | VNII NP 50-1-4u | 200 | Nouveaux turboréacteurs |
| LZ-240 | 200 | B-3V | 175 | Тurbomoteurs
Nouveaux turbopropulseurs Turbopropulseurs triple corps (1) |
| MN-7,5u | 150 | SM-4,5 | 125 | Anciens turbopropulseurs |
| VT-301 | 250 | – | – | Turboréacteurs spéciaux |
(1) Par exemple, le D- 27 du bureau d'études ukrainien Ivtchenko-Progress, considéré comme le leader dans le monde des turbopropulseurs, qui équipe l'avion de transport militaire Antonov An-70. L'équivalent européen, plus tardif, est le Europrop International TP400 monté sur l'avion de transport militaire Airbus A 400M.
Interchangeabilité des huiles russes et étrangères
Le développement des liens économiques de l’Union soviétique avec les pays étrangers a également favorisé les exportations d’aéronefs et ont poussé les autorités soviétiques à étudier la possibilité d’utiliser les huiles étrangères sur leurs aéronefs. Ces huiles étrangères sont soumises à un protocole coordonné par le TSIAM et leur emploi dans les aéronefs soviétiques est approuvé par les motoristes et les compagnies aériennes. Le protocole comprend l’examen de la documentation technique fournie par le fabricant de l'huile, les résultats d’essai selon KMKO, d’essais de compatibilité avec les métaux et les élastomères effectués par le VIAM et, éventuellement, un essai au banc à la demande d’un motoriste. L’huile recommandée d’emploi est inscrite dans la « Liste des carburants et lubrifiants étrangers recommandés pour une utilisation dans les avions de production nationale » (Перечень зарубежных горюче-смазочных материалов, рекомендованных к применению на авиатехнике отечественного производства). Pour chaque huile soviétique sont proposées une ou plusieurs marques d’huiles étrangères[186]. Ainsi les huiles Turbonycoil 210 A (NYCO), Mobil Turbo 319 A (Exxon Mobil) et NP 928 (Chine) sont interchangeables avec IPM-10. La liste contient des recommandations d’emploi comme la nécessité de rincer le moteur quand on passe d’une huile russe à une huile étrangère et inversement, sauf avec l’huile Turbonycoil 210 A qui est la seule huile étrangère à être miscible en toutes proportions avec IPM-10.
Programmes de recherche de l'US Air Force 1954-1995
L'euphorie des vainqueurs de la guerre contre l'Allemagne nazie, qui associait les États-Unis à l'Union soviétique et leurs alliés respectifs, a été de courte durée. De fortes tensions géopolitiques entre les États-Unis et l'Union soviétique s'installent progressivement, exacerbées par une succession d'évènements comme le blocus de Berlin en 48, la naissance de la Chine communiste en 49, le début de la guerre de Corée en 50, l'insurrection de Berlin-Est en 53, celle de Budapest en 56, la guerre du Viêt Nam en 55, etc., sans parler du maccarthysme, véritable paranoïa de l'opinion américaine devant la crainte du communisme et du bloc soviétique, autant de faits qui vont nourrir la course aux armements. Après les efforts colossaux produits pour remporter la Seconde Guerre mondiale, une industrie de défense permanente se met en place sur le territoire américain au point que le président Eisenhower, dans son discours d'adieu en janvier 1961, met en garde ses concitoyens des risques que ce type d'organisation pourrait faire peser sur la démocratie, organisation qu'il qualifie de complexe militaro-industriel. Le début de la guerre froide et la supériorité numérique alors écrasante de l'Armée rouge incitent les États-Unis à se renforcer en donnant la priorité aux bombardiers stratégiques à long rayon d'action, capables d'atteindre des vitesses supérieures à Mach 3.
Programme des huiles à base d'esters 1954-1981
C'est ainsi que les États-Unis conçoivent, à la fin des années 1950, le prototype du bombardier stratégique nucléaire de pénétration, North American XB-70[187], aéronef imposant par ses dimensions et son poids, cinq fois plus lourd que son successeur SR-71. XB-70 est équipé de turboréacteurs General Electric YJ 93, capable d'atteindre des vitesses supérieures à Mach 3 en volant à 21 000 m d'altitude et qui, finalement, restera au stade de prototype avec seulement deux exemplaires construits, dont le second exemplaire s'est écrasé après avoir percuté un F-104 Starfighter, pris dans la turbulence générée par le XB-70 : le programme sera annulé en 1961. Peu après la publication de la première norme MIL-L-7808 en 1951, une nouvelle norme, MIL-L-9236, publiée en , est conçue spécifiquement pour le XB-70[131]. Cette norme est rédigée autour d'esters de néopolyols, de viscosité de 3 cSt à 204 °C et dont l'essai de référence pour l'évaluation de la tenue thermique de l'huile est l'essai Erdco de 100 heures avec une température du palier de 400 °C et de l'huile de 260 °C. Aucune huile n'a résisté à cet essai très sévère et l'USAF a donc été contraint d'assouplir les exigences de la norme, en 1956 avec 9236 A et finalement la version B en 1960 dans laquelle, en particulier, la température du palier dans l'essai Erdco a été réduit à 274 °C et celle de l'huile à 218 °C. Deux huiles ont été homologuées, mais la norme MIL-L-9236 B a été annulée, à la suite de l'abolition du programme XB-70, et remplacée en 1972 par la norme MIL-L-27502[188]. Cette fois-ci, la viscosité doit être au minimum de 1 cSt à 260 °C et de 15 000 cSt maximum à −40 °C ; la durée de l'essai Erdco est réduite à 48 h avec une température du palier de 300 °C et de 240 °C pour l'huile.
Le Laboratoire des matériaux de l'USAF financera pendant dix ans un programme de recherche, confié à Monsanto Research[189], pour la mise au point de l'huile. Si l'ester de base est un produit commercial, des efforts importants ont été déployés dans la sélection des additifs. La composition finale se distingue sensiblement de celle des huiles de la deuxième génération. Elle contient :
- un mélange d'esters de néopolyols[note 19] du commerce[190] ;
- un sel complexe de lithium comme inhibiteur de dépôt ;
- amino-5 indazole et dioctyl diphénylamine comme antioxydants ;
- oxyde de triphénylphosphine comme désactivateur de métaux ;
- diméthylsilicone comme antimousse[189].
Dans l'ensemble, les résultats de l'évaluation de l'huile étaient conformes aux exigences physico-chimiques, sauf la viscosité à basse température. Au vu du bon résultat dans l'essai au banc Erdco, la Direction de la propulsion a soumis l'huile à l'essai de moteur J57-P29W de 100 heures avec une température de l'huile de 220 °C ; l'aspect des pièces, après démontage, était satisfaisant. Malheureusement, cette huile n'a jamais pu être homologuée, car un des additifs décantait avec le temps[note 20] et l'USAF refusait toute concession de viscosité à basse température ; de plus, un composant dans la fabrication de l'ester n'était plus disponible[189]. La norme MIL-L-27502 est abandonnée en et l'USAF se penche sur une nouvelle huile de 4 cSt avec des propriétés de démarrage intermédiaire entre celles des huiles MIL-L-7808 et MIL-L- 23699 et les enseignements tirés de cette expérience serviront finalement à l'élaboration du grade 4, introduit dans la révision K de la norme MIL-L-7808 en 1992, avec une exigence à la tenue thermique beaucoup plus sévère que celle du grade 3[189].
Polyphényléthers, huile de graissage du SR-71
Avec l'instauration de la guerre froide entre l'Union soviétique et les États-Unis, ces derniers se rendirent compte qu'ils ne possédaient alors aucune donnée stratégique sur le potentiel militaire et industriel de l'Union, ceci d'autant plus que la majorité des installations avaient été déplacées vers l'Oural, à la suite de l'opération Barbarossa. L'arrivée des premiers missiles surface-air soviétiques, à la fin des années 1950, remettait en cause la quasi-invulnérabilité du XB-70. C'est dans ce contexte de tension permanente que fut développé l'avion de reconnaissance Lockheed U-2, dont la caractéristique principale était sa capacité de voler à haute altitude pour être hors de portée des défenses antiaériennes, tout en disposant d'un important rayon d'action, mais de vitesse relativement limitée ; il est toujours en service aujourd'hui, avec des modifications. L'accident de l'U-2 du pilote Gary Powers en 1960, abattu par un missile antiaérien soviétique, allait accélérer le développement du Lockheed SR-71 Blackbird. Les défis techniques à relever pour sa construction étaient considérables : à une vitesse de Mach 3, soit 3 578 km/h, une altitude de 20 000 m et une température extérieure de −55 °C, le frottement avec l'air engendre une température du fuselage de 220 °C minimum jusqu'à 245 °C[191] et de 560 °C au niveau des tuyères[note 21]. Le SR-71 était propulsé par deux turboréacteurs avec postcombustion Pratt & Whitney J58, de trois tonnes chacun, devant offrir une résistance à des températures extérieures de 400 °C. La température des paliers était de 315 °C et celle de l'huile de 260 °C[note 22].


Dès la fin des années 1950, l’USAF a été confrontée au problème de la lubrification des aéronefs volant à plus de Mach 3 à très haute altitude et pour lesquels la température de l’huile atteint plus de 250 °C. Un important programme de recherche de molécules thermostables a été lancé par le Laboratoire des matériaux, en partie sous-traité par des sociétés de produits chimiques et des universités. Une dizaine de molécules ont été étudiées en détail et de nombreux travaux, sur plus de deux décennies, ont permis de dégager des relations entre la structure chimique et les propriétés physiques, d’une part, et la stabilité thermique[192], d’autre part. Il est possible de concevoir une huile avec des propriétés désirables en choisissant le groupe fonctionnel sur lequel on fixe des chaînes latérales. Une structure régulière, linéaire aura tendance à avoir de mauvaises caractéristiques aux basses températures par rapport à une structure irrégulière. Malheureusement, toute amélioration d’une propriété s’accompagne de désavantages et il est donc impossible de concevoir une huile idéale. Finalement, le meilleur compromis pour assurer la stabilité thermique a été le composant building block Ph–O–, dans lequel la structure aromatique ou phényle, Ph, assure la stabilité thermique et le groupe éther –O– la flexibilité. L’huile retenue pour la lubrification du SR-71 a été le Skylube 600 de Monsanto, constitué d’un polyphényléther de cinq noyaux aromatiques (OS 124) reliés par des atomes d’oxygène dans un enchaînement asymétrique pour obtenir le point de congélation le plus bas possible et d’un antioxydant[pas clair]. La complexité de la synthèse et le faible rendement en font un produit très cher. Le Skylube 600 a une température de décomposition de 450 °C et une tenue dans une atmosphère oxydante jusqu’à 275 °C[193]. Le gros handicap de cette molécule est le point de congélation élevé, de 5 °C. De nombreuses tentatives ont été faites pour améliorer ce point de congélation, par exemple, en remplaçant l’atome d’oxygène par un atome de soufre. Monsanto a ainsi mis au point le MCS 293, dont le point de congélation a été sensiblement amélioré à −30 °C, mais pour lequel la tenue thermo-oxydante s’est dégradée : la température de décomposition passe de 450 à 390 °C[194] et la tenue à l’oxydation passe de 275 à 260 °C. De même, on a cherché à améliorer la tenue à l’oxydation au-delà de 260 °C. Les antioxydants classiques, comme ceux examinés auparavant, sont inefficaces parce qu’ils sont trop volatils ou instables à ce niveau de température. Néanmoins, certains additifs sont efficaces au-dessus de 260 °C, comme le tétraphénylétain et des phénoxydes d’alcalis sont même efficaces jusqu’à 370 °C[193]. Les exigences de l’huile de graissage du SR-71 ont été définies dans la norme MIL-L-87100[195], publiée en . Pour abaisser le point de congélation de l’huile, on ajoute 35 % de solvant à base de trichloréthylène dans l’huile et ce solvant s’évapore au moment du décollage. Une unité de service au sol est nécessaire pour remplir le réservoir d’huile du moteur avant chaque vol et le vidanger au retour de chaque mission. L’utilisation des polyphényléthers ne pouvait s’appliquer qu’à des aéronefs militaires hautement spécialisés, et ceci pour un petit nombre d’appareils et une période limitée, car s’annonçait l’entrée en vigueur du protocole de Montréal en 1989 qui interdit le rejet de chlorofluorocarbones dans l’atmosphère.
Perfluoropolyalkyléthers, 1963-1995
Si les deux programmes sur les esters et les polyphényléthers étaient liés au développement d'un aéronef, respectivement XB-70 et SR-71, ce dernier programme a porté sur une étude approfondie d'une famille particulière, les perfluoropolyalkyléthers[196] – PFPAE –. Dans un système classique de lubrification, le mode principal de dégradation de l'huile est l'action de l'oxygène de l'air, appelée oxydation, qui met en jeu l'hydrogène de la structure organique, aliphatique ou aromatique et la formation de peroxydes, résultat de l'action directe de l'oxygène sur la structure,qui, dans un mécanisme complexe de propagation, se traduit par une augmentation de la viscosité, résultat d'association de molécules, contribuant ainsi à la cokéfaction sur les parois chaudes et à l'augmentation de l'acidité. La température maximum d'utilisation d'une huile classique à base d'esters se situe autour de 246 °C, alors qu'en l'absence d'air ou en faible concentration, on atteint un fonctionnement jusqu'à 300 °C[197]. Il y a deux façons de protéger une structure organique contre l'oxydation: par addition d'antioxydants, comme on l'a vu précédemment, ou par fluoration, cette dernière étant de loin la plus efficace. La fluoration consiste à remplacer l'atome d'hydrogène par un atome de fluor, ce qui empêche l'oxydation de se produire. L'exemple suivant illustre clairement l'efficacité de la fluoration. La température de décomposition thermique d'un polyphényléther est de l'ordre de 450 °C, alors que celle d'un perfluoropolyalkyléther est de 380 °C. Si on soumet ces deux structures à un essai d'oxydation à 350 °C avec barbotage d'air pendant 72 h, la variation de la viscosité mesurée à 100 °C est, respectivement, de 158 % et 0,8 % ; la très faible augmentation de la viscosité du PFPAE confirme que le mécanisme d'oxydation n'a pas pu se produire[198]. Un perfluoropolyalkyléther combine la flexibilité de l'alkyléther – voir plus haut – et une protection efficace contre l'oxydation, en dépit d'une température de décomposition inférieure à celle d'une structure aromatique comme celle des polyphényléthers.
Les perfluoropolyalkyléthers ont été intensivement étudiés par lе Laboratoire des matériaux de l'USAF[199] de 1963 à 1995. La structure préférée est celle connue comme Demnum : C3F7O(CF2CF2CF2O)xC2F5, fabriquée par la société japonaise Daikin. Elle se caractérise par une résistance inhérente à l'oxydation, un large intervalle liquide, une inertie chimique, mais aussi une incompatibilité avec les huiles minérales et les esters. La gamme de fonctionnements s'étend de −54 à 360 °C. Mais deux problèmes restaient à résoudre. La majorité des méthodes d'évaluation des performances d'une huile de graissage a été conçue pour des structures hydrocarbonées comme les huiles minérales ou les esters. Or, les essais standardisés n'ont pas pu révéler le manque de pouvoir lubrifiant ou le besoin d'un additif antirouille, que seuls des essais en vraie grandeur ont mis en évidence. De plus, le perfluoropolyalkyléther se décompose chimiquement dans les conditions de lubrification sous fortes charges avec certains métaux à des températures élevées dans une atmosphère oxydante. Pour corriger ces défauts, le Laboratoire des matériaux a étudié divers additifs qui comportaient une chaîne perfluorée pour les rendre miscibles avec les PFPAE[200].
À ces problèmes s'ajoutent également un faible mouillage, une masse spécifique élevée et un coût exorbitant. Le programme a été finalement abandonné en 1995.
Situation des huiles de graissage en 2023
Situation en Occident
Après l’abandon du programme en 1995, aucun nouveau programme de recherches de molécules thermostables associé à un projet d’un aéronef n’a été proposé. Néanmoins, on constate un intérêt pour une classe de produits, appelée « liquides ioniques ». Ces derniers sont des mélanges de cations, généralement organiques, et d’anions, inorganiques ou organiques[201]. Le grand choix de cations et d’anions et de leur association conduit à une grande diversité de liquides ioniques et donc de propriétés physico-chimiques. Certains de ces liquides ont un bas point de congélation, une rhéologie acceptable, une volatilité négligeable, une grande stabilité thermique. Ils font l’objet de dépôts de demandes de brevets[202]. De nombreux problèmes restent néanmoins à résoudre comme la corrosion des métaux usuels et leur éventuel développement, comme huile de graissage, ne peut se concevoir que dans le cadre d’une collaboration avec un motoriste et le soutien d’autorités nationales ou internationales. D’une manière générale, les dispositifs réglementaires régissant l'utilisation des huiles ont peu évolué ces dernières décennies, à part quelques ajustements dans les normes militaires américaines. Les fabricants d'huiles pour l'aviation civile poursuivent leur quête de validations et continuent leurs recherches d'huiles moins neurotoxiques. L’activité de recherche est aussi de plus en plus concentrée sur la fabrication de ces huiles à partir de ressources renouvelables.
Situation dans la fédération de Russie
Si la chimmotologie aéronautique des huiles de graissage a peu évolué en Occident, il n’en est pas de même dans la fédération de Russie. La fin brutale du système soviétique en 1991 s’accompagne d’un bouleversement structurel et d’un chaos économique. On assiste à une véritable rupture dans les instituts de branche, civils et militaires, et qui est ressentie d’autant plus durement que la science avait joué un rôle de vitrine du communisme. Beaucoup ont, en effet choisi, à l’occasion de la privatisation de 1992-95, de devenir des entreprises ou ont disparu, désertés par leurs scientifiques ou rachetés pour leurs actifs immobiliers. À partir de 1999, le contexte économique s’améliore et se stabilise. La montée des cours du pétrole permet à la Russie d’augmenter les recettes de l’État. Les années entre 2004 et 2011 furent des années de prospérité économique, marquées, surtout à partir de 2008 avec la présidence de D. Medvedev, par un discours technophile et modernisateur, ainsi que par une certaine volonté de coopération internationale dans le domaine scientifique. Les années 2011-2013 semblent marquer un nouveau tournant dans la politique russe: le retour de Vladimir Poutine à la présidence replonge la fédération de Russie dans un contexte de quasi-Guerre froide, rappelant celle de l’URSS des années 1980. Les mesures prises au cours de ces années sont révélatrices du retour aux traditions soviétiques de centralisation, de contrôle politique et de prédominance du secteur militaire: mise en accusation et quasi liquidation de l’Académie des sciences, nomination à la tête d’instituts prestigieux de personnalités plus connues pour être dans le premier cercle du pouvoir que pour leurs recherches, création d’un Fonds russe pour la recherche unifiée, multiplication des obstacles administratifs à la coopération scientifique internationale, augmentation considérable du budget de la défense[203]. L'agression de l'Ukraine en 2022 et la féroce répression des opposants à cette guerre illustrent la dangereuse dérive du pays.
Mise au point de nouvelles huiles
Le secteur des lubrifiants pour l’aviation connait aussi des bouleversements. D’abord, on assiste à un épuisement des gisements de pétrole sans soufre (Bakou, Fergana, Grozny) à partir desquels l’URSS était en mesure de fabriquer des lubrifiants de qualité et l’exploitation des gisements actuels, contenant du soufre, nécessite de recourir à des processus de raffinage coûteux, technique défaillante dans l’industrie pétrolière russe. De plus, les faibles tonnages de ces lubrifiants n’incitent plus, dans le nouveau contexte de l’économie libérale, les compagnies pétrolières à s’intéresser à ces produits. D’autre part, le faible niveau de production de lubrifiants synthétiques est principalement dû au manque de matières premières, d’additifs et de capacité scientifique. Des années de stagnation de la recherche scientifique et la dévaluation de son importance ont contribué au retard de cette capacité scientifique dans ce domaine[204]. Il faut aussi ajouter que le débouché des huiles russes dans l’aviation civile est très limité. En 2017, près de 80 % de la flotte de long-courriers russes et près d’un tiers de la flotte régionale étaient constituées d’aéronefs d’origine étrangère, enregistrés, pour 90 % d’entre eux, aux îles Bermudes ou en Irlande et pour lesquels aucune huile russe n’est validée pour emploi sur ces aéronefs. Jusqu’à présent, l’industrie aéronautique russe produisait environ 30 avions de passagers par an, parmi lesquels Tu-204, Sukhoi Superjet 100, Il-96-300[205]. C’est vingt fois moins que Boeing ou Airbus. Même le futur avion moyen-courrier MS-21, dont la mise en exploitation prévue en 2022, revendique le même créneau commercial que le Boeing 737 Max ainsi que l’Airbus A320 néo, devrait être équipé avec l’un des deux types de moteurs au choix du client: PD-14, développé à l’Aviadvigatel de Perm pour lequel des huiles occidentales sont validées et PW1431G, développé par le motoriste aéronautique américain Pratt & Whitney[206]. La qualité insuffisante des huiles d’aviation, en comparaison avec les huiles occidentales, l’absence d’huiles capables de travailler au-dessus de 225 °C – température de l’huile à la sortie d’un moteur militaire –, l’absence de fabrication nationale d’esters, les huiles de la série VNII NP-50-1-4 f et u étant mélangées avec des esters importés, le chaos dans la production d’huiles avec la contrefaçon des huiles destinées à l’aviation civile[207] et quand, sous la même désignation, quatre sociétés proposent l’huile B-3V avec, pour chacune d’entre elles, une composition différente[208], ont incité, à partir de 2009, le NIISU, avec le TSIAM et la participation du VNII NP, 25GosNII MO RF et GosNII GA à développer de nouveaux liquides hydrauliques et de nouvelles huiles. NIISU (НИИ СУ) est l’acronyme russe de l'Institut de recherche pour la normalisation et l’unification. Le NIISU dépend du ministère de l’Industrie et du Commerce de la fédération de Russie et constitue le principal organisme de recherche scientifique de l’industrie de la défense[209]. Ces produits ont été développés dans le cadre d’un programme fédéral ciblé de ce ministère[note 23] et la mise au point a été soutenue par la Fondation scientifique russe, l’organisation à but non lucratif, créée sous l’administration de V. Poutine en 2013, pour apporter un soutien financier et organisationnel à la recherche scientifique fondamentale et exploratoire. Deux huiles à base d’esters ont ainsi été mises au point : ASMO-200 (АСМО-200 pour авиационное синтетическое масло, « huile synthétique d’aviation ») et VASMO-225 (ВАСМО-225 pour высокотемпературное авиационное синтетическое масло, « huile synthétique d’aviation pour températures élevées »), auxquelles s’ajoute une version améliorée de l’huile VT-300[211].
АSМО-200[212], dont le lot expérimental a été fabriqué dans l’unité pilote de Spetsneftprodukt[204], préfigurant la seule unité de production d’esters de polyols de la fédération de Russie, construite selon un procédé importé, d’une capacité de 1 000 t/an, opérationnelle depuis [213], est une huile de 5 cSt à base d’un ester de pentaérythritol, PET-B (ПЭТ-Б) et d’additifs[note 24]. L’huile ASMO-200, opérationnelle jusqu’à 200 °C, est destinée à la lubrification des turboréacteurs, des turbopropulseurs et des turbomoteurs.et les boîtes de transmission principales des hélicoptères en remplacement de la B-3V.
VASMO-225, dont le lot expérimental a également été fabriqué dans l'unité pilote de Spetsneftprdukt[212] est une huile de 4 cSt à base d'un ester de triméthylolpropane, TMP-ST (ТМП-СТ) et d'additifs[note 25]. L'huile VASMO-225 est considérée comme une huile de 3e génération et qui peut-être standardisée dans les turboréacteurs double corps, double flux, turbopropulseurs, turbomoteurs soumis à des contraintes thermiques[212]. Les principales caractéristiques de deux huiles sont présentées[214].
Remarque : dans les publications russes relatives à ces deux nouvelles huiles, on fait fréquemment référence aux normes militaires américaines dans lesquelles on affirme, sans donner aucun résultat, la conformité de ces huiles aux normes américaines et qui prête à confusion quant au niveau réel des performances de ces huiles. Ainsi « en ce qui concerne les caractéristiques essentielles de ASMO-200, elle répond aux exigences des normes MIL-PRF-23699/F STD et MIL-PRF-23699/F HTS, à l'exception des exigences de stabilité thermo-oxydative de la norme FED-STD-791-5308. Cette huile est équivalente aux huiles STD en matière de résistance à la cokéfaction, mais inférieure aux huiles HTS telle que la Turbonycoil 640. »[212]. Pour prétendre qu'une huile soit de la classe militaire STD ou HTS, il est impératif de soumettre l'huile à une évaluation de la tendance à la cokéfaction sur la machine Erdco, car l'expérience montre qu'on ne peut pas prédire le démérite sur la base des simples résultats d'essais d'oxydation, même excellents, en laboratoire. Compte tenu de la composition en antioxydants de l'huile ASMO-200, cette dernière ne peut pas être de classe HTS. Signalons, enfin, qu'il n'existe qu'un seul banc d'essai Erdco, qui se trouve à NAVAIR, accessible, en premier lieu, uniquement aux pays membres de l'OTAN[note 26]. Dans ces publications, on présente souvent des résultats d'essais comparatifs entre l'huile russe et des huiles occidentales, par exemple, l'huile VASMO-225 et l'huile Turbonycoil 400, grade 4, ces essais étant effectués selon la méthodologie russe[215]. On observe les mêmes affirmations avec les huiles chinoises: l'huile synthétique d'aviation Sinopec 4010 « répond aux exigences de la norme militaire américaine MIL-PRF-7808L, MIL-L-7808J », mais le produit est conforme à la spécification chinoise GJB 135A-98 (type L)[216].
En dehors des huiles à base d'esters, une nouvelle version de l'huile VT-300[217], est proposée avec un nouveau système d'antioxydants, Inoxyl FK (Иноксил ФK). Cette huile, appelée « VT-300M » et mise au point par NIISU, est décrite dans le brevet publié en [218]. L'Inoxyl FK est constitué d'un mélange, à parts égales, de caproate de fer et d'un complexe formé par l'anion acétyacétonate et le cation du cuivreII, la base étant la même que celle de VT-300. Le TOS passe ainsi de 250 °C pour l'huile VT-300 à 280 °C pour la version améliorée[219]. La composition de l'huile VT-300M ainsi que les principales caractéristiques sont décrites dans la brevet. VT-300M est fabriquée par Rosneft et ses débouchés sont essentiellement dans l'aérospatial.
Outre la mise au point de nouveaux produits, le secteur des lubrifiants a connu deux changements importants: une nouvelle spécification de contrôle et une nouvelle procédure d'attribution du dopousk.
Nouvelle spécification de contrôle : la norme organisationnelle
D'une manière générale, les spécifications techniques de contrôle, OST, TU, sont élaborées par le fabricant afin de compléter les normes GOST existantes et/ou d'établir des exigences techniques spécifiques pour les produits fabriqués en tenant compte de leurs caractéristiques, leur composition, leurs capacités techniques, des spécificités de l'application, du stockage, du transport, etc. Des spécifications techniques sont également élaborées s'il n'existe pas de GOST pour un produit particulier. La norme d'organisation ou organisationnelle (стандарт организации), connue sous l'abréviation СТО en russe, STO en français, à l'inverse d'une norme GOST, est élaborée par le fabricant afin de fixer ses propres exigences pour la production du produit. De la même manière qu'une spécification TU, elle normalise les exigences relatives aux caractéristiques individuelles des produits fabriqués par un fabricant particulier. La principale différence entre la TU et la STO est que le premier document harmonise les normes nationales existantes et les adapte à un produit spécifique, tandis que le second est une norme distincte, approuvée et acceptée uniquement au niveau du fabricant. En effet, la législation actuelle n'exige pas que les STO soient soumises à un enregistrement ou même agréés par les structures de l'État. En d'autres termes, l'État, dans ce sens, fait pleinement confiance aux fabricants, ce qui n'exclut pas de manœuvres possibles par des fabricants peu scrupuleux. La STO, contrairement à la TU, est un document à usage interne. Il peut contenir des informations relatives à des secrets commerciaux ou au savoir-faire de l'organisation. Par conséquent, il est peu probable qu'un tel document soit diffusé dans le domaine public. Le TU, en revanche, est un document public qui étend les normes existantes, mais, qui, selon la norme GOST 2.114-2016 « Système unifié de documentation de la conception. Spécifications techniques », stipule que les exigences adoptées dans les TU ne doivent pas contredire les normes et standards nationaux existants qui s'appliquent à ce produit. En d'autres termes, le TU est un document entièrement normalisé par des règlements déjà existants[220]. La nomenclature des nouvelles huiles à base d'esters s'énonce de la manière suivante : ASMO-200 (STO 07548712-001-2010) et VASMO-225 (SТО 07548712-002-2010). De même, la nomenclature de l'ester de pentaerhytritol fabriqué par Spetsneftprodukt : PET-B (SТО 07548712-002-2010), tandis que pour l'ester de triméthylolpropane, la nomenclature est TMP-ST (ТU 0253-017-07548712-2013)[204].
Nouvelle procédure du dopousk
La Commission interministérielle de la fédération de Russie d’autorisation de fabrication et d’emploi des carburants, huiles, graisses et liquides spéciaux — MVK —, a été établie par un arrêté conjoint de quatre ministres (Défense, Industrie et énergie, Transport, Agriculture) et a fonctionné de 1992 à 2008. En 2008, cette commission a été jugée illégitime et a été dissoute. Dans l’élaboration de la nouvelle procédure du dopousk, différents problèmes ont été pris en compte :
- il n'existe pas de procédure uniforme pour l'admission des carburants et lubrifiants destinés à être utilisés dans différents types d'équipements ;
- les normes de l'industrie qui établissent les exigences relatives aux carburants et lubrifiants pour l'aviation et à leurs essais sont dépassées ;
- les normes nationales ne tiennent pas compte des particularités des carburants et des lubrifiants ;
- il n'existe pas de programme unifié d'harmonisation des normes nationales relatives aux méthodes d'essai de qualification avec les normes étrangères ;
- il n'y a pas de contrôle nécessaire sur les changements dans les techniques de production et la composition des carburants et lubrifiants importés ;
- la pratique actuelle consistant à autoriser l'utilisation de carburants et de lubrifiants dans les équipements aéronautiques ne garantit pas la sécurité de leur fonctionnement ;
- les participants aux essais ne sont pas responsables de leurs recommandations.
C'est ainsi que le 18 octobre 2011, le NIISU a accueilli une réunion des représentants des bureaux d'études, des instituts de recherche et des usines de l'industrie aéronautique. Les participants à la réunion ont décidé à l'unanimité de créer une procédure unifiée pour les essais et l'admission à l'utilisation de nouveaux carburants, huiles, lubrifiants et liquides spéciaux dans les équipements aéronautiques. Le NIISU a été chargé d'élaborer des normes, nationales, de branches industrielles et STO, définissant les procédures pour les essais et la prise de décision concernant l'admission à l'utilisation dans les équipements aéronautiques.Un schéma du processus d'obtention du dopousk est proposé[221].
Le 24 février 2022, la fédération de Russie envahit l’Ukraine et les sanctions économiques imposées par l’Occident à la fédération ont plongé l’industrie aéronautique russe et sa chimmotologie dans l’inconnu[222].
Notes et références
Notes
- ↑ Code pour la représentation des noms de langues selon ISO 639-1 et 639-2.
- ↑ Lubrifiant et aussi lubrificante en italien : participe présent adjectivisé et substantivé du verbe « lubrifier », lui-même de formation savante du latin médiéval sur l’élément lubri de l’adjectif lubricus, au sens propre « glissant » et sur « fier » du fieri passif de facere « se faire » ; ici, qui rend glissant.
- ↑ Lubricant : du latin lubricantem avec amuïssement de la syllabe finale ; lubricantem est l’accusatif du participe présent lubricans du verbe lubricare « rendre glissant » de l’adjectif lubricus « glissant ».
- ↑ Lubrifiant se dit Schmierstoff [ˈʃmiːɐ̯ʃtɔf] en allemand, du verbe schmieren lubrifier et de Stoff matériau, litt. matériau lubrifiant, qui lubrifie ; de même, en russe, смазочный материал [ˈsmazət͡ɕnɨj] du verbe смазывать lubrifier et de материал [mətʲɪrʲɪˈal] matériau. Dans les deux cas, pour désigner l’hyponyme d’un lubrifiant, le locuteur est contraint d’avoir à l’esprit la nature du matériau du lubrifiant : huile, liquide hydraulique, graisse, etc. Huile de graissage se dit, respectivement, Schmieröl en allemand et смазочное масло en russe, dans les deux cas, litt. huile lubrifiante.
- ↑ Betriebsstoffe est formé de Betrieb, déverbal de betreiben, « fonctionner », au sens technique, et de Stoffe, « matériaux », les deux éléments étant reliés par un « s » de liaison (Fugen s) ; litt. « matériaux qui servent au fonctionnement de la machine » ; ici, carburants et lubrifiants.
- ↑ Горюче-Смазоные Материалы : litt. « matériaux combustibles et lubrifiants » (adj.) ; ici carburants et lubrifiants.
- ↑ La néologie russe permet de désigner l’acteur dans un domaine donné, ici « ГСМ », en ajoutant un suffixe « щик » [ʃʧik] ou « чик » [ʧik] au nom du domaine. Le français a emprunté le mot russe аппаратчик (« apparatchik »), celui qui travaille dans аппарат (« appareil »), ici, l’appareil du parti communiste de l’Union soviétique et aussi permanent d’un syndicat puis fonctionnaire. Le mot a maintenant une connotation péjorative.
- ↑ Dans les années 1980, on pouvait rencontrer des cadres de l’usine de fabrication d’huiles synthétiques pour l’aviation de la province de Chongqing parlant encore russe.
- ↑ Après le refus des Occidentaux de financer la construction du barrage d’Assouan sur le Nil, le président égyptien, Gamal Abdel Nasser, s’allie à l’Union soviétique, qui l’aide à son édification dans les années 1960 et lui livre des aéronefs militaires[45]. Après la mort de Nasser en 1970, son successeur, Anouar el-Sadate, se tourne vers les États-Unis et décide, en , de renvoyer les vingt mille conseillers militaires soviétiques de l’Égypte[46]. En représailles, l’Union soviétique coupe les approvisionnements. En 1970, la Libye de Kadhafi signe un contrat pour la livraison de 150 Mirages 5, dotés du moteur Atar 9 C de la Snecma et transfère immédiatement les premiers avions qu’elle reçoit à l’Égypte. Ces Mirages sont exclusivement lubrifiés par NYCO. Il est vraisemblable que des représentants de la Snecma aient mentionné aux autorités égyptiennes le nom de la société NYCO, qui bénéficiait alors au sein de la Snecma du prestige d’avoir résolu l’épineux problème du graissage à débit perdu des Atar. C’est ainsi qu’une visite chez NYCO du général Eid, chef de la logistique de l’Armée de l’air égyptienne, est organisée par un intermédiaire, en automne 1972, apportant dans ses bagages des échantillons d’huiles soviétiques.
- ↑ Un exemple parmi d'autres : un officier hongrois a informé l'auteur de l'article[Qui ?] que son armée a attendu trois ans la livraison de 80 tonnes d'huile B-3V pour hélicoptères.
- ↑
[réf. souhaitée]
- ↑ Résolution de la 210e réunion du CEPE du 16 mars 2004. La commission d’étude de produits et d’exploitation (CEPE) a pour rôle de conseiller le directeur central du service des essences des armées sur la politique à suivre dans le domaine de l’exploitation et de l’expertise des produits pétroliers. Elle est constituée de responsables des différents domaines d’action du Service des essences des armées.
- ↑ La norme Mil-L-7808 G exige un démérite de 80 max dans l’évaluation de la tendance à la cokéfaction sur la machine Erdco alors que l’essai no 279 effectué en 1967 donne un résultat de 138,2 avec l’huile Turbonycoil 13 BS, une version améliorée de Turbonycoil 13 B. Communication personnelle de USAF AFRL/RQTM–Dayton–mai 2020.
- ↑ L'unique exemplaire de l'An-225 a été détruit par un incendie dû aux frappes russes lors de l'agression de l'Ukraine par la fédération de Russie, le .
- ↑ On peut regretter que l’auteur de l’article sur le moteur ATAR 9 du Mirage III ne mentionne pas la contribution décisive de NYCO dans la mise au point de l’huile qui a permis d’assurer la maîtrise de cette technique de lubrification à débit perdu.
- ↑ Les parties 1 et 2 de l’article de E. Jantzen, qui a également travaillé avec le Dr Zorn après la guerre, ont été rédigées à l’occasion du centenaire de la naissance du Dr Zorn sur la base des archives personnelles remises par son fils au Dr Jantzen. Communication personnelle MTU-Munich, novembre 2021.
- ↑ Communication orale d’A. L. Beane IV de la Direction de la propulsion de l’USAF au comité E–34.
- ↑ À la fin des années 1980, un échantillon de Turbonycoil 210 A a été envoyé à Moscou à l’initiative du colonel Delaware de l’Armée de l’air iraquienne en vue d’une autorisation d’emploi sur les MiG-29. Les résultats d’analyse ont montré la parfaite équivalence entre l’huile soviétique IPM-10 et de son substitut, Turbonycoil 210 A.
- ↑ Le mélange d’esters était constitué de 90 % d'Hercules L–78, ester de pentaérythritol et de monoacides C5 à C10, et de 10 % d'Hercules L–31, ester de polypentaérythritols. Ce mélange avait une viscosité de 1,06 cSt à 260 °C, de 7,02 cSt à 99 °C et 39,6 cSt à 38 °C.
- ↑ Dans le cadre d’une collaboration avec Monsanto, une évaluation du système d’antioxydants de l’huile Skylube 450, huile mise au point par Monsanto et répondant aux exigences de la norme MIL-L - 27502, a été faite en vue d’une utilisation éventuelle de ce système dans le projet grade 4 de la norme MIL-PRF - 7808. Le laboratoire a effectivement observé, avec surprise, une décantation d’un additif, phénomène confirmé par la Direction de la propulsion de l’USAF. NYCO mettra finalement au point son propre antioxydant de troisième génération pour l’huile Turbonycoil 400, homologuée en 1995, au titre de la norme MIL-PRF-7808 grade 4.
- ↑ L'avion est construit en titane, métal plus résistant à la chaleur que l'acier et l'aluminium. Les vitres de cockpit sont portées à une température de plus de 150 °C, le pilote portant une combinaison pressurisée et réfrigérée.
- ↑ La mission principale du SR-71, dont la mise en service a eu lieu en 1968, était la surveillance et l'espionnage photographique de l'Union soviétique, du Viêt Nam, etc. Au cours de ses missions, le SR-71 a échappé à toute tentative d'attaque des missiles antiaériens des pays du bloc de l'Est. Ces fascinantes caractéristiques et performances ont même séduit le romancier britannique Frederick Forsyth, auteur de techno-thriller comme Chacal, Le dossier Odessa, qui a mis en scène le SR-71 dans son roman L'Alternative du Diable dans une séquence documentée. Le développement des réseaux satellitaires d'observations militaires aux images de plus en plus précises a rendu l'avion de moins en moins intéressant. Trente-deux exemplaires ont été construits et le SR-71 a été retiré du service en 1990 ; certains exemplaires ont été utilisés principalement au profit de la CIA et la NASA de 1995 à 1999.
- ↑ Le programme fédéral ciblé est un ensemble de mesures qui assurent une solution efficace des tâches nécessitant un soutien de l’État, lié par des ressources, des exécutants et une date de mise en œuvre[45]. Dans le cas de la mise au point de ces huiles, l’intitulé du programme fédéral ciblé s’énonce ainsi : « Développement, restauration et organisation de la production de matériaux stratégiques rares et de substitution aux importations, de produits chimiques à faible tonnage pour les armes, les équipements militaires et spéciaux pour la période 2009-2011 et pour la période allant jusqu’en 2015[210] ».
- ↑ Composition de ASMO-200 :
DAT, dioctyldiphénylamine 1,0 ;
K-135, octyl 3-(3,5-di-tert-butyl-4-hydroxyph.) propanoate 0,8 ;
TCP, tricrésylphosphate 3,0 ;
BTA, benzotriazole 0,13 ;
PMS-200A, polyméthylsilicone 0,005 ;
PET-B, ester de pentaérythritol complément à 100.
Source : tableau 4-2, p. 127 de la référence 159. - ↑ Composition de VASMO-225 :
FAT, phénylnaphtylamine alkylée 2,0 ;
K-135, octyl 3-(3.5-di-tert-butyl-4-hydroxyphenyl)propanoate 2.0 ;
TCP, tricrésylphospahte 4,0 ;
BTA, benzotriazole 0,13 ;
PMS-200A, polyméthylsilicone 0,005 ;
TMP-ST, ester de triméthylolpropane complément à 100.
Source : tableau 4-4, p. 128 de la référence 159. - ↑ Communication personnelle-NAVAIR-Patuxent River – octobre 2022
Références
- ↑ (en) Berly McCoy, « The future of jet engine lubrication », sur stle.org, .
- ↑ (en) Lois J. Gschwender, David C. Kramer, Brent K. Lok, Shashi K. Sharma, Carl E. Snyder et Mark L. Sztenderowicz, « Liquid Lubricants and Lubrication » [PDF],
- 1 2 (ru) « Силиконовые жидкости - свойства, область применения и строени - « Евро Кемикалс СПБ » » [« Liquides à base de silicones - Polydiéthylsiloxanes »], sur ecspb.com (consulté le )
- ↑ (en) « MIL-C-47220B, MILITARY SPECIFICATION: COOLANT FLUID, DIELECTRIChttp://everyspec.com/MIL-SPECS/MIL-SPECS-MIL-C/MIL-C-47220B_41134/ »
- ↑ (en) « Explore the world of Concorde with Heritage Concorde »
- ↑ « SAE Standards Works », sur sae.org (consulté le )
- ↑ (de) « Bitte wählen Sie nachfolgend einen Betriebsstoff aus » [« Veuillez sélectionner un produit de fonctionnement ci-dessous »] (consulté le )
- ↑ (de) « WIWeB », sur bundeswehr.de (consulté le )
- ↑ (it) « Servizio carbolubrificanti », sur difesa.it (consulté le )
- ↑ Jürgen Leonhardt, La grande histoire du latin [« Latein. Geschichte einer Weltsprache »], Paris, CNRS Éditions, , 382 p. (ISBN 978-2-271-06962-7), p. 175.
- ↑ (ru) Российская академия ракетных и артиллерийских наук, « Памятные даты : Выдающийся советский ученый, профессор, основоположник новой науки - химмотологии. К 115-летию со дня рождения Константина Карловича Папока » [« Anniversaires : Scientifique soviétique de renom, professeur, fondateur d'une nouvelle science - la chimmotologie. À l'occasion du 115e anniversaire de la naissance de Konstantin Karlovitch Papok »], (consulté le ).
- 1 2 3 (en) K.K. Papok, « Chemmotology and tribology », Chemistry and Technology of Fuels and Oils, , p. 1 - 5 (DOI 10.1007/bf00718737).
- ↑ (ru) К. K. Papok et N. A. Ragozin, Словарь по топливам, маслам, смазкам, присадкам и специальным жидкостям (химмотологический словарь [« Dictionnaire des carburants, huiles, graisses, additifs et liquides spéciaux (Dictionnaire de chimmotologie) »], Moscou, Издательство « Химия », , 392 p. (lire en ligne), p. 333
- ↑ (en) Sergii Boichenko, « Phenomenological concept of chemmotology », (DOI DOI: 10.18372/2306-1472.70.11431)
- ↑ (ru) « Химия и технология топлив и масел » [« Chimie et technologie des carburants et des huiles »], Техника
- ↑ (en) « Chemistry and Technology of Fuels and Oils », Chemistry and Technology of Fuels and Oils, (lire en ligne [PDF])
- ↑ (ru) В. А. Пискунов, В. Т. Василенко et В. Н. Зрелов, « Химмотология в гражданской авиации » [« La chimmotologie dans l'aviation civile »], sur Электронный каталог Национальной библиотеки Беларуси, (consulté le )
- ↑ (ru) Братков А. А., Серегин Е. П., Химмoтoлoгия ракетных и реактивных тoплив [« La chimmotologie des carburants pour fusées et avions »], Moscou, Химия, , 301 p. (lire en ligne)
- ↑ (ru) Левашова А.И, « Основные понятия химмотологии » [« Concepts de base de la chimmotologie »] [ppt]
- ↑ (en) « Katedra Pojazdów Samochodowych i Inżynierii Transportu » [« Département des véhicules à moteur et de l'ingénierie des transports »], sur pojazdy.prz.edu.pl (consulté le )
- ↑ (en) « Department of Chemical Engineering », sur Wydział Inżynierii Procesowej i Ochrony Środowiska - Politechnika Łódzka, (consulté le )
- ↑ (en) « Technische Universität Dresden », sur TU Dresden (consulté le )
- ↑ (uk) « Історія кафедри ХІМ – Aerospace faculty » [« Histoire du département de chimmotologie »] (consulté le )
- ↑ (uk) « Історія Всесвітнього конгресу “Aviation in the XXIst century” » [« Historique du congrès mondial « L'aviation au XXIe siècle » »], sur congress.nau.edu.ua (consulté le )
- ↑ (uk) S. V. Boichenko et Spirkin V.H., Вступ до хіммотології палив та олив [« Introduction à la chimmotologie des carburants et des huiles »], Odessa, Астропринт, , 236 p. (ISBN 978-966-190-131-4)
- ↑ (ru) Л. С. Яновский, Н.Ф. Дубовкии, Ф. М. Галимов, Т. Н. Шигабиев, В.В. Горячев, В. А. Кондратьев et В. А. Аляев, Инженерные основы авиационной химмотологии [« Les bases techniques de la chimmotologie aéronautique »], Казань, Казанского университета, , 714 p. (ISBN 5-7464-0587-6), p. 643 - 646
- ↑ (ru) Л. С. Яновский, Н.Ф. Дубовкии, Ф. М. Галимов, Т. Н. Шигабиев, Ю. Ф. Гортышов, В.В. Горячев, В. А. Кондратьев et В. А. Аляев, Инженерные основы авиационной химмотологии [« Les bases techniques de la chimmotologie aéronautique »], Казань, Издательство Казанского университета, , 714 p. (ISBN 5-7464-0587-6), p. 647 - 713
- ↑ « IMechE Tribology Gold Medal Laureates | Institution of Mechanical Engineers », sur imeche.org (consulté le )
- 1 2 (en) Ed Snyder, Lois Gschwender et Angela Campo, « Military aviation fluids and lubricants workshop 2006 » [PDF], , p. 9 - 16
- ↑ (en) « Introduction to Air Force Research Laboratory Propulsion Directorate », (consulté le )
- ↑ Marie-Laure Couderc, « Russie : que sont devenus les instituts ? », Cerna, Centre d’économie industrielle - École des mines de Paris, , p. 1 - 7 (lire en ligne [PDF])
- ↑ (ru) Иванов С. В., « Серийные МиГ-29 (« изделие 9-12 », Fulcrum-a) » (consulté le )
- ↑ Gilles Boquérat, « La coopération militaro-industrielle au cœur des relations indo-russes », Notes de l’Ifri - Asie Visions no 37, , p. 5 (lire en ligne [PDF])
- ↑ La Rédaction, « Ces compagnies qui exploitent toujours le 747 », sur L'Aérien, (consulté le ).
- ↑ (en) Secretary of the Air Force Public Affairs, « Air Force outlines future of bomber force », .
- ↑ (en) « ACAS Business Aviation », FlightGlobal, (lire en ligne)
- ↑ (en) Oliver Wyman, « Global Fleet & MRO Market Forecast Commentary 2018 – 2028 », Oliver Wyman CAVOK, (lire en ligne [PDF])
- ↑ « Demande totale de lubrifiants dans le monde entre 2000 et 2018 », Statista, , p. 1 (lire en ligne)
- 1 2 (en) G. J. Bishop, « Aviation Turbine Lubricant Development », Journal of Synthetic Lubrication, Wiley Online Library, vol. 4, no 1, , p. 33 - 34 (DOI 10.1002/jsl.3000040103)
- ↑ (en) Leslie R. Rudnick et Ronald L. Shubkin, Synthetic lubricants and high-performance functional fluids, New York, Marcel Dekker, Inc, , 840 p. (ISBN 0-8247-0194-1), p. 836
- ↑ (en) « Case N° IV/M 1383 – Exxon/Mobil Merger Procedure » [PDF], , p. 153 - 158
- ↑ (en) Amy Radishofski,, « Chemtura To Acquire Chemicals Manufacturer Kaufman Holdings », (consulté le )
- 1 2 (en) « F-35 and F-22 are flying with TURBONYCOIL 400 »,
- ↑ « L’huile turbine NYCO – Turbonycoil 600 – approuvée sur les moteurs General Electric GE90 », .
- 1 2 Nikolai Sourkov, « L'histoire méconnue des interventions militaires russes au Proche-Orient », sur Orient XXI, (consulté le ).
- ↑ « Anouar al-Sadate », sur lesclesdumoyenorient.com (consulté le ).
- ↑ (en) « NYCO America, to expand US headquarters in Coweta county »,
- 1 2 (en) George A. Beane IV et Kerry L. Berkey, « Air Force Aero Propulsion laboratory efforts under the Research and Technology Division plan for improved aircraft turbine engine lubricants », Technical report AFAPL-TR-66-132, Wright-Patterson Air Force Base, Ohio, Air Force Systems Command, , p. 1 (lire en ligne [PDF])
- ↑ Laurence Artaud, « Quelles forces en présence dans l’Arctique ? L’Arctique base nucléaire durant la Guerre froide », sur diploweb.com, la revue géopolitique,
- ↑ (en) David W. Johnson, « Lubricants for Turbine engines », sur IntechOpen.com, (DOI 10.5772/62394, consulté le ) : « Paragraphe : Important lubricant properties »
- ↑ (en) Reigh C. Gunderson et Andrew W. Hart, Synthetic Lubricants, New York, Reinhold Pub., , 497 p. (ISBN 0278920101), p. 151
- ↑ G.J. Souillard, J. Ducarme et Th. de Menten de Home, Combustibles, lubrifiants et fluides auxiliaires pour aviation supersonique et hypersonique, Neuilly-sur-Seine, Advisory group for aerospace and development, , 320 p (lire en ligne), p. 287 - 289
- ↑ Rapport d’essais no 2925 – LC–81 du Centre d’essais des propulseurs de Saclay.
- ↑ (en) John T. Shimski, « Development of the full scale T63 test for specification Mil-L-23699 gas turbine lubricants », NAPC-PE-31, (lire en ligne [PDF])
- ↑ (ru + en + fr) « Система государственных испытаний продукции Испытания и контроль качества продукции – Основные термины и определения » [« Ensemble des essais officiels des produits Essais et contrôle de la qualité des produits – Termes et définitions de base »], ГОСТ 16504-81, (lire en ligne [PDF])
- ↑ (en) « Qualified Products Database – MIL-PRF-7808 »,
- ↑ (en) Ye. N. Kalaytan, Lubricating oils for jet engines [« Смазочное масла для реактивных двигателей »], Air Force Systems Command - Foreign Technology Division, 23 décembre1970, 231 p. (lire en ligne), p. 187
- 1 2 « DGA – Essais propulseurs, une expertise et des moyens uniques au service de l’industrie aéronautique », sur 3AF.fr, .
- 1 2 3 Direction technique des constructions aéronautiques, « AIR 3514 A », sur quickfds.com, . Se connecter à quickfds.com/fr ; saisir le fournisseur « DCSEO » ; sélectionner « DCSEO Spécification » ; taper « AIR » et sélectionner la norme.
- ↑ (en) R. G. Edge et A. T. B. P. Squires, « Lubricant Evaluation and Systems Design for Aircraft Gas Turbine Engines », SAE Transactions, , p. 1571 -1585 (lire en ligne [PDF]).
- ↑ (en + fr) « Glossaire OTAN de termes et définitions (anglais et français) », AAP-06 Edition 2019, , p. 254 (lire en ligne [PDF]).
- ↑ (en) Ministry of Defence, « Fuels, Lubricants and Associated Products »,
- ↑ Confédération amicale des ingénieurs de l'armement, Le corps de l'armement : un atout pour la France, , 697 p. (lire en ligne), p. 563 - 568 L'EASA Participer à la construction européenne
- ↑ Ministère des Armées, Direction de la sécurité aéronautique d'État, « La sécurité aéronautique », .
- ↑ (en) « Federal Aviation Regulations », sur risingup.com
- ↑ « Joint Aviation Requirements JAR - E Engines », sur yumpu.com,
- 1 2 (en) Ray Knipple et John Thich, « The History of Aviation Turbine Lubricants : Emergence of synthetic lubricants », SAE 810851, , p. 60 (lire en ligne [PDF]).
- 1 2 (en) Leslie R. Rudnick, Synthetics, mineral oils, and bio-based lubricants : chemistry and technology : Performance and cost-effectiveness, Boca Raton, FL, CRC Press, , 1173 p. (DOI 10.1201/9781315158150), p. 784
- ↑ (en) SAE International, « Core Requirement Specification for Aircraft Gas Turbine Engine Lubricants AS5780 »
, (consulté le ). - ↑ (en) Robert Bruce, « SAE AS5780 Turbine Oil Specification » [PDF], (consulté le ).
- ↑ (en) Ed Snyder, Lois Gschwender et Angela Campo, « Military aviation fluids and lubricants workshop 2006 », AFRL-RX-WP-TP, Materials And Manufacturing Directorate Wright-Patterson Air Force Base, OH 45433-7750, , p. 640 - 641 (lire en ligne [PDF])
- ↑ (en) « WAM Test Machine », (consulté le )
- 1 2 (en) Leslie R. Rudnick, Synthetics, mineral oils and bio-based lubricants Chemistry and Technology : SAE AS5780, Boca Raton, FL, CRC Press, , 3e éd., 1173 p. (DOI 10.1201/9781315158150), p. 780 - 782
- ↑ (ru) Л. С. Яновский, В. И. Бабкин et А. А. Харин, Основы Химмотологии [« Les bases de la chimmotologie »], Moscou-Berlin, Direkt-Media, , 482 p. (ISBN 978-5-4475-6917-4, lire en ligne), p. 306 - 313.
- ↑ (ru) Фукс И.Г., Шабалина Т.Н. et Спиркин В.Г., Основы химмотологии. Химмотология в нефтегазовом деле [« Principes fondamentaux de la chimmotologie. La chimmotologie dans l'industrie du pétrole et du gaz »], Москва, Нефть и Газ, , 280 p. (lire en ligne
), p. 230 -232. - ↑ (en) Ye. N. Kalaytan, Lubricating oils for jet engines [« Смазочное масла для реактивных двигателей »], Air Force Systems Command - Foreign Technology Division, 23 décembre1970, 231 p. (lire en ligne), p. 101 - 102.
- ↑ (ru) « Моменты истории ВНИИ НП : Хронология основных событий » [« Histoire du VNII NP »] [docx], .
- ↑ (ru) « Моменты истории ВНИИ НП : Школьников Виктор Маркович (1932-2013) » [« Histoire du VNII NP »].
- ↑ (ru) « ВНИИ НП - 50 лет », Нефтеперерабтка и нефтехимия, no 5, , p. 5.
- ↑ (ru) « История ВНИИ НП : Введение » [« Histoire du VNII NP »].
- ↑ (ru) « Центральный институт авиационного моторостроения им. П.И. Баранова », sur agnc.ru.
- ↑ (ru) « Авиацио́нного Моторострое́ния Институ́т », sur Большая российская энциклопедия 2004-2017.
- ↑ (ru) « Всероссийский Научно-Исследовательский Институт Авиационных Материалов ».
- 1 2 (ru) « 90 лет ГосНИИ ГА: богатейший опыт, высокий потенциал » [« 90 ans d'AG GosNII : une expérience riche, un potentiel élevé »], sur dzen.ru, .
- ↑ (ru) Василий Шапкин, « Проблемы авиатопливообеспечения в современных условиях » [« Problèmes d'approvisionnement en carburant d'aviation dans l'environnement actuel »], sur Aviation EXplorer, .
- ↑ 25ГосНИИ МО РФ.
- ↑ (ru) Пётр АЛТУНИН, « Горючее – ресурс стратегии : 75 лет Службе горючего Вооружённых Сил Российской Федерации » [« Les carburants sont une ressource stratégique »], sur Красная звезда, .
- ↑ (en) « Obituary - K. K. Papok (1908 - 1977) », Chemistry and Technology of Fuels and Oils, no 1, , p. 61 - 62.
- ↑ (ru) « 70 лет научно-исследовательскому центру эксплуатации и ремонта авиационной техники(НИЦ ЭРАТ, г. Люберцы) » [« 70e anniversaire du Centre de recherche sur l'entretien et la réparation des aéronefs (NITS ERAT, Lyubertsy) »], sur Авиапанорама, .
- ↑ (ru) « НИЦ ЭРАТ (13 ГНИИ ЭРАТ МО РФ) празднует 70 лет » [« NITS ERAT célèbre son 70e anniversaire »], (consulté le ).
- ↑ (ru) Л. С. Яновский, Н.Ф. Дубовкии, Ф. М. Галимов, Т. Н. Шигабиев, Ю. Ф. Гортышов, В.В. Горячев, В. А. Кондратьев et В. А. Аляев, Инженерные основы авиационной химмотологии [« Bases techniques de la chimmotologie aéronautique »], Казань, Издательство Казанского университета, , 714 p. (ISBN 5-7464-0587-6), p. 552 -559.
- ↑ (ru) « Химмотологическая карта на вертолет типа Ми-8 » [« Bulletin chimmotologique de l'hélicoptère Mi-8 »] [PDF],
- ↑ Jean-Claude Thévenin, « Le turboréacteur, moteur des avions à réaction : description simplifiée, principe de fonctionnement » [PDF],
- ↑ (en) Ray Knipple et John Thich, « The History of Aviation Turbine Lubricants : The dawn of the jet age », SAE 810851, , p. 55 (lire en ligne [PDF])
- ↑ (en) Bernard L. Koff, « Gas Turbine Technology Evolution - A Designer’s Perspective : In the beginning », American Institute of Aeronautics and Astronautics, , p. 2 (DOI 10.2514/1.4361).
- ↑ « CFM-56 le plus vendu dans le monde »
- ↑ Michel Lasserre, Un demi-siècle d’aéronautique en France – Les moteurs : Le programme moteur CFM 56, Paris, Centre des hautes études de l'armement, , 176 p. (lire en ligne), p. 147 - 165
- ↑ Michel Lasserre, Un demi-siècle d’aéronautique en France – Les moteurs : Moteur CFM 56, Paris, Centre des hautes études de l'armement, , 176 p. (lire en ligne), note page 49
- ↑ Jean-Paul Béchat et Pierre Alessi, « SNECMA motoriste civil : La belle histoire du moteur CFM 56 », sur lajauneetlarouge.com,
- 1 2 G.J. Souillard, J. Ducarme et Th. de Menten de Home, Combustibles, lubrifiants et fluides auxiliaires pour aviation supersonique et hypersonique : Fonctions et sollicitations de l’huile lubrifiante, Advisory group for aerospace research and development AGARD-AG-108-70, , 320 p. (lire en ligne), p. 55
- ↑ G.J. Souillard, J. Ducarme et Th. de Menten de Home, Combustibles, lubrifiants et fluides auxiliaires pour aviation supersonique et hypersonique : Température de l’huile dans un réacteur suivant les conditions de vol, Advisory group for aerospace and development, , 320 p. (lire en ligne), p. 287 - 289
- ↑ (en) Matthew Richard Spencer, Gas Turbine Lubricant Evaluation : Lubricant deposition, The University of Birmingham, , 234 p. (lire en ligne), p. 5 - 8
- ↑ Michel Lasserre, Un demi-siècle d’aéronautique en France – Les moteurs : La chance de l’ATAR 9 : le Mirage III, Paris, Centre des hautes études de l'armement, , 176 p. (lire en ligne), p. 86
- 1 2 3 4 (en) Ray Knipple et John Thich, « The History of Aviation Turbine Lubricants : Early turbine engine lubricants », SAE 810851, , p. 57 - 59 (lire en ligne [PDF])
- ↑ (en) Keller, Shawn P., Air Command and Staff College, Air University Maxwell Air Force Base United States, « Turning point: a history of German petroleum in World War II and its lessons for the role of oil in modern air warfare : The rise of synthetic oil », Technical note, , p. 6 - 10 (lire en ligne [PDF])
- ↑ « IG Farben »
- ↑ (en) Eilhard Jantzen, « The origins of synthetic lubricants: The work of Hermann Zorn in Germany : Part 1: basic studies of lubricants and the polymerisation of olefins », Journal of Synthetic Lubrication, , p. 283 - 301 (DOI 10.1002/jsl.3000120402)
- ↑ (en) William A. Horne, « Review of German synthetic lubricants : Hydrocarbon lubricants », Industrial & Engineering Chemistry, vol. 42, no 12, , p. 2428–2436 (DOI 10.1021/ie50492a018)
- ↑ (en) Ray Knipple et John Thich, « The History of Aviation Turbine Lubricants : The dawn of the jet age », SAE 810851, , p. 56 (lire en ligne [PDF])
- ↑ (en) H. L. West, « Major developments in synthetic lubricants and additives in Germany : Esters », Journal of the Institute of Petroleum, , p. 788 (lire en ligne)
- ↑ (en) William A. Horne, « Review of German synthetic lubricants : Hydrocarbon lubricants », Industrial & Engineering Chemistry, , p. 2435 (DOI 10.1021/ie50492a018)
- ↑ (en) Eilhard Jantzen, « The origins of synthetic lubricants: The work of Hermann Zorn in Germany : Part 2 Esters and Additives for Synthetic Lubricants », Journal of Synthetic Lubrication, , p. 126 (DOI 10.1002/jsl.3000130202).
- ↑ (en) Keller,Shawn P, Air Command and Staff College, Air University Maxwell Air Force Base United States, « Turning point: a history of German petroleum in World War II and its lessons for the role of oil in modern air warfare : German petroleum industry: 1917 - 1945 », Technical note, , p. 5 (lire en ligne [PDF])
- ↑ (en) Reigh C. Gunderson et Andrew W. Hart, Synthetic Lubricants, New York, Reinhold Pub., , 497 p. (ISBN 0278920101), page 152
- ↑ (ru) « И встал город химиков » [« Et la ville des chimistes s'est levée »]
- ↑ Nouzille Vincent, « La folle histoire du Dr Oestrich : De BMW à la Snecma, l'itinéraire du père des moteurs de Mirage est un vrai roman d'espionnage », sur lexpress.fr, .
- ↑ Michel Lasserre, Un demi-siècle d’aéronautique en France – Les moteurs : Ultimes développements : ATAR 9K50/ 8K50, Paris, Centre des hautes études de l'armement, , 176 p. (lire en ligne), p. 91
- ↑ (en) US Department of commerce, « FIAT reports Bibliography and index of reports resulting from American investigations of German industry » [PDF],
- ↑ , p. 24
- ↑ (en) D. C. Atkins, H. R. Baker, C. M. Murphy et W. A. Zisman, « Development of additives and lubricating oil compositions : Diester instrument lubricants », Industrial & Engineering Chemistry, , p. 495 (lire en ligne [PDF])
- ↑ (en) W. A. Zisman, « Engineering Possibilities of Synthetic Lubricants », SAE Transactions, , p. 315 - 316 (lire en ligne)
- ↑ (en) Leslie R. Rudnick et Ronald L. Shubkin, Synthetic lubricants and high-performance functional fluids, New York, Marcel Dekker, , 840 p. (ISBN 0-8247-0194-1), p. 70-72.
- ↑ (en) Reigh C. Gunderson et Andrew W. Hart, Synthetic Lubricants : Dibasic acid esters, New York, Reinhold Pub., , 497 p. (ISBN 0278920101), p. 151-.
- ↑ G. J. Souillard, J. Ducarme et Th. de Menten de Home, Combustibles, lubrifiants et fluides auxiliaires pour aviation supersonique et hypersonique : Stabilité thermique, , 320 p. (lire en ligne), p. 122.
- ↑ G.J. Souillard, J. Ducarme et Th. de Menten de Home, Combustibles, lubrifiants et fluides auxiliaires pour aviation supersonique et hypersonique, Neuilly-sur-Seine, ADVISORY GROUP FOR AEROSPACE RESEARCH & DEVELOPMENT, , 320 p. (lire en ligne [PDF]), p. 95.
- ↑ (en) James W. Cole, Jr, « Studies of antioxidants and inhibitor mechanisms at elevated temperatures » [PDF], Air Force Office of Scientific Research, .
- ↑ (en) C. M. Murphy et Harold Ravner, « Mode of Action of Phenothiazine-Type Antioxidants », Industrial & Engineering Chemistry, (DOI 10.1021/ie50492a027).
- ↑ (en) J. S. Elliott et E. D. Edward, « Synthetic Lubricants for Gas Turbines : Antioxidants », sur archive.org, .
- ↑ (en) Matthew Richard Spencer, « Gas Turbine Lubricant Evaluation : Additive chemistry – Antioxidants » [PDF], The University of Birmingham, , p. 18.
- ↑ (en) Ye. N. Kalaytan, Lubricating oils for jet engines [« Смазочное масла для реактивных двигателей »], Air Force Systems Command - Foreign Technology Division, 23 décembre1970, 231 p. (lire en ligne), p. 182
- 1 2 (en) K. L. Berkey, « Gas Turbine Lubricants Picture – 1960 » [PDF], , p. 43 - 44
- ↑ (en) Floyd L. James, C. M. Murphy et J. G. O'Rear, « Diester-Base Jet Engine Oils », Industrial and Engineering Chemistry, , p. 673-674 (lire en ligne [PDF])
- ↑ (en) C. M. Murphy et Harold Ravner, « Factors influencing the lead corrosivity of ester oils during long-term storage », Journal of chem. and eng. data, (DOI: 10.1021/je60009a028 [PDF]).
- ↑ (en) Leslie R. Rudnick, Synthetics, mineral oils, and bio-based lubricants: chemistry and technology : MIL-PRF-7808L, Boca Raton, FL, CRC Press, , 1173 p. (DOI 10.1201/9781315158150), p. 780
- ↑ (en) George A. Beane IV et Kerry L. Berkey, « Air Force Aero Propulsion laboratory efforts under the Research and Technology Division plan for improved aircraft turbine engine lubricants : Table XIV Elastomer test results », Technical report AFAPL-TR-66-132, , p. 22 (lire en ligne [PDF])
- ↑ (en) George A. Beane IV et Kerry L. Berkey, « Air Force Aero Propulsion laboratory efforts under the Research and Technology Division plan for improved aircraft turbine engine lubricants : Panel Coker », Technical report AFAPL-TR-66-132, Wright-Patterson Air Force Base, Ohio, Air Force Systems Command, , p. 3 - 4 (lire en ligne [PDF])
- ↑ (en) George A. Beane IV et Kerry L. Berkey, « Air Force Aero Propulsion laboratory efforts under the Research and Technology Division plan for improved aircraft turbine engine lubricants : Full-Scale Engine Tests », Technical report AFAPL-TR-66-132, Wright-Patterson Air Force Base, Ohio, Air Force Systems Command, , p. 8 (lire en ligne [PDF])
- ↑ (en) « MIL-PRF-7808 Rev. L »,
- 1 2 (en) « Qualified Products Database – : QPL number MIL-PRF-7808 » [PDF],
- ↑ Brevet NYCO no 1 480 232 délivré le 3 avril 1967, « Composition à base d’esters synthétiques utilisables notamment comme fluide de transmission hydraulique (!) ».
- 1 2 3 (en) « Qualified Products Database – : QPL number MIL-PRF-23699 » [PDF],
- ↑ (en) John T. Shimski et Loraine A. Paskow, « Future Trends for U.S. Naval Aviation Propulsion System lubricants : Corrosion Inhibition », SAE Technical Paper 851,835, , p. 97 (lire en ligne [PDF])
- ↑ (en) ExxonMobil, « Mobil Jet Oil 254 » (consulté le )
- ↑ (en) SKY's Corner, « Different Lubricating Oils used in a Gas Turbine Engine » : « The Mobil Jet Oil 291 is an example of lubricating oil that belongs to the fourth generation. »
- ↑ (en) National Transportation Safety Board, « EDW 565 DCA04IA002 » [PDF],
- ↑ (en) NAVAIR, « MIL-PRF-23699G, Performance Specification: Lubricating Oil, Aircraft Turbine Engine, Synthetic Base, NATO Code numbers: O-152, O-154, O-156, and O-167 (13-Mar-2014) »,
- ↑ (en) T. F. Blenkiron, « Testing of lubricants for the Olympus 593 », Wear, , p. 368
- ↑ (en) « Selecting Your Turbine Engine Oil : Turbine engine oils »
- ↑ (en) Leslie R. Rudnick, Synthetics, mineral oils, and bio-based lubricants : chemistry and technology : Aviation Turbine Oils, Boca Raton, FL, CRC Press, , 1173 p. (DOI 10.1201/9781315158150), p. 65
- ↑ (en) Case N° IV/M 1383 — Exxon/Mobil Merger Procedure : Aviation lubricants, , 196 p. (lire en ligne), p. 172
- ↑ (en) Leslie R. Rudnick, Synthetics, mineral oils, and bio-based lubricants : chemistry and technology : Marketing and economics - manufacturers, Boca Raton, FL, CRC Press, (DOI 10.1201/9781315158150), p. 71
- ↑ James P. Rydock, « Qualité de l'air dans un avion de ligne » [PDF],
- ↑ SNPL France, « Syndrome aérotoxique : La qualité d’Air Cabine et le syndrome aérotoxique en question »
- ↑ Association des victimes du syndrome aérotoxique, « Le syndrome aérotoxique en détail : le 1er cas connu date de 1977 »
- ↑ (en) Michaelis, Susan, « Health and Flight Safety Implications from Exposure to Contaminated Air in Aircraft »,
- ↑ (en) Susan Michaelis et Jonathan Burdon, « Aerotoxic syndrome: a new occupational disease? », Public health panorama, (lire en ligne [PDF])
- ↑ (en) SAE International, « A Review of Literature on the Relationship Between Gas Turbine Engine Lubricants and Aircraft Cabin Air Quality AIR5784 »,
- ↑ Alain Coffre, « L’EASA se penche sur la qualité de l’air des avions », sur BusinessTravel.fr, .
- ↑ (en) Charlie Page, « 6 features that set the 787 Dreamliner apart from the rest », sur thepointsguy.com.
- ↑ (en) « Global Cabin Air Quality Executive (GCAQE) »
- ↑ « L’air dans les avions de ligne peut-il être contaminé par des émanations toxiques ? », sur Le Monde.
- ↑ (en) « CEN/TR 17904:2022 : Cabin air quality on civil aircraft – Chemical compounds », sur standards.iteh.ai.
- ↑ (en) « European Cabin Crew Association EurECCA »
- ↑ (en) « Airline industry and EASA must implement new cabin air safety standards », sur eurecca.eu.
- ↑ « Classifications des Huiles — ACEA — API »
- ↑ (en) G. T. Novosartov et V. A. Smeyarov, « Unification of grades of lubricating oils for aviation gas-turbine engines », Chemistry and Technology of Fuels and Oils, (DOI 10.1007/BF00726894)
- ↑ (ru) Fuks I. G. et Spirkin V. G., Основы химмотологии. Химмотология в нефтегазовом деле : Классификация смазочных материалов и требования к их качеству [« Notions fondamentales de chimmotologie. La chimmotologie dans l’industrie du pétrole et du gaz »], Moscou, NEFT&GAS, , 280 p. (lire en ligne), p. 26
- ↑ (en) Ye. N. Kalaytan, Lubricating oils for jet engines : Table 7. The Crude Petroleum and the Technique Used in Preparing Gas turbine Engine Petroleum Oils [« Смазочное масла для реактивных двигателей »], Air Force Systems Command Foreign Technology Division, 23 décembre1970, 231 p. (lire en ligne), p. 39
- ↑ (ru) « ГОСТ, ТУ, ОСТ. Основные характеристики и отличия » [« GOST, TU, OST. Principales caractéristiques et différences »]
- ↑ (ru) « Коды, используемые в обозначении стандартов отраслей федеральными органами исполнительной власти » [« Codes utilisés dans la désignation des normes industrielles par les autorités exécutives fédérales »]
- ↑ (ru) Л. С. Яновский, Н.Ф. Дубовкии, Ф. М. Галимов, Т. Н. Шигабиев et В.В. Горячев, Инженерные основы авиационной химмотологии : Ассортимент смазочных масел Gamme d'huiles de graissage [« Bases techniques de la chimmotologie aéronautique »], Казань, Издательство Казанского университета, , 714 p. (ISBN 5-7464-0587-6), p. 315 - 322
- ↑ (en) Ye. N. Kalaytan, Lubricating oils for jet engines : The chemical group composition of petroleum oils for turbojet engines [« Смазочное масла для реактивных двигателей »], Air Force Systems Command Foreign Technology Division, 23 décembre1970, 231 p. (lire en ligne), p. 130 - 134
- ↑ (en) Ye. N. Kalaytan, Lubricating oils for jet engines : Domestic gas turbine engine lubricating oils The Selection, Manufacturing Methods and Basic Properties [« Смазочное масла для реактивных двигателей »], Air Force Systems Command Foreign Technology Division, 23 décembre1970, 231 p. (lire en ligne), p. 35 et suivante
- ↑ (ru) Ежов Василий Михайлович, Разработка расчетно-экпериментального комплекса для создания смазочных и гидравлических масел нового поколения для авиационной техники : МС-8П [« Développement d’une méthode théorique et expérimentale de mise au point d’huiles de graissage et de fluides hydrauliques de nouvelle génération pour l’aéronautique »], Moscou, TSIAM, , 203 p. (lire en ligne), p. 94
- ↑ (en) E. A. Kunina et V. G. Kuznetsov, « Composition of sludge formed in B-3V synthetic lubricating oil », Chemistry and Technology of Fuels and Oils,
- ↑ (ru) TUPOLEV Service, « По вопросу применения масел зарубежных фирм на авиатехнике взамен масла ИПМ-10 » [« Sur l'utilisation d'huiles étrangères dans les avions pour remplacer l'huile IPM-10 »]
- ↑ (en) Boris Bedrik, Michael Yampolsky et Jean Szydywar, « Principles and experience of the on-condition application of oils and working fluids to aeronautical engineering », Defense Technical Information Center Compilation Part Notice, vol. AD-A325558, , p. 6 (lire en ligne [PDF])
- ↑ (ru) Babkin V. I. et Yanovsky L. S., « Отечественные смазочные масла для авиационных газотурбинных двигателей: Проблемы и перспективы » [« Huiles pour moteurs à turbine à gaz d’aviation : problèmes et perspectives »], Двигатель, (lire en ligne)
- ↑ (ru) « История ВНИИ НП : Специальные продукты - Шейнина Софья Зиновьевна (1928-2014) » [« Histoire du VNII NP »]
- ↑ (en) Ye. N. Kalaytan, Lubricating oils for jet engines : Lubricants for turboprop engines [« Смазочное масла для реактивных двигателей »], Air Force Systems Command Foreign Technology Division, 23 décembre1970, 231 p. (lire en ligne), p. 146 et suivantes
- ↑ (ru) A.A. Moikin et T.I. Nazarova, « Moteurs d’avion du XXIe siècle — Collection de résumés : Expérience en matière de développement et d'exploitation de l’huile KA-7,5 pour turbopropulseurs d'aviation » [« Aвиадвигатели XXI века »], Сборник тезисов докладов, , p. 1003 -1004 (lire en ligne [PDF])
- ↑ (ru) Alexei Moikin, « Квалитет-Авиа - надежный партнёр Дальней авиации » [« Qualitet-Avia: un partenaire fiable de l’aviation à long rayon d’action »], Авиасоюз, novembre - décembre 2014
- ↑ (en) Ye. N. Kalaytan, Lubricating oils for jet engines : Synthetic oils — Production [« Смазочное масла для реактивных двигателей »], Air Force Systems Command Foreign Technology Division, 23 décembre1970, 231 p. (lire en ligne), p. 47
- ↑ (en) M. M. Kukovitskii et R. N. Khairullin, « Improving the technology for production of ester-type synthetic oils », Chemistry and Technology of Fuels and Oils,
- ↑ (ru) Лакеев С.Н. et Карчевский С.Г., « Исследование окисления высших альфа-олефинов с целью получения синтетических жирных кислот », chimteq, (lire en ligne)
- ↑ (ru) Л. С. Яновский, В. И. Бабкин et А. А. Харин, Основы Химмотологии : Tableau 5-3 Liste des huiles pour turboréacteurs et réducteurs, nationales et leurs équivalents étrangers, Moscou-Berlin, Direkt-Media, , 482 p. (ISBN 978-5-4475-6917-4, lire en ligne), p. 315 - 316.
- ↑ (en) Graham M. Simons, « Valkyrie: The North American XB-70 : The USA’s ill-fated heavy supersonic bomber »,
- ↑ (en) Ray Knipple et John Thich, « The History of Aviation Turbine Lubricants : Search for high temperature lubricants », SAE 810851, , p. 61 (lire en ligne [PDF])
- 1 2 3 4 (en) G.A. Beane IV, Loïs J. Gschwender et Carl E. Snyder, « Advanced lubricants for aircraft turbine engines : MIL-L-27502 oil development 4 cSt oil development », AFRL-ML-WP-TP-2002-405, , p. 78 - 79 (lire en ligne [PDF])
- ↑ (en) William R. Jones et Wilfred0 Morales, « Analysis of a Mil-L-27502 lubricant from a gas-turbine engine test by size-exclusion chromatography », NASA Technical paper, , p. 4 (lire en ligne [PDF])
- ↑ G.J. Souillard, J. Ducarme et Th. de Menten de Home, Combustibles, lubrifiants et fluides auxiliaires pour aviation supersonique et hypersonique, Advisory group for aerospace and development, , 320 p. (lire en ligne), p. 49.
- ↑ (en) I. B. Johns et E. A. McElhill, « Thermal Stability of Organic Compounds : Correlation of Structure with Thermal Stability », Ind. & Eng. Chem. Product Research And Development, , p. 5 - 6.
- 1 2 (en) D’Orazio A. J. et Pierce, E. F., « Investigation of Lubricant Concepts Applicable to Future Navy Aircraft Propulsion Systems : Polyphenyl ethers », NAPC-PE-29, , p. 8 - 9 (lire en ligne [PDF])
- ↑ (en) William R. Jones, Jr., « The tribological behaviour of polyphenyl ether and polyphenyl thioether aromatic lubricants : Thermal decomposition temperatures for various classes of liquid lubricants », NASA Technical Memorandum 100166, , p. 158 (lire en ligne [PDF])
- ↑ (en) USAF, « MIL-L-87100, Military Specification: Lubricating Oil, Aircraft Turbine Engine, Polyphenyl Ether Base (12-Nov-1976) [S/S BY MIL-PRF-87100A] »,
- ↑ (en) Snyder C. E. et Gschwender L.J., « Fluoropolymers in Fluid and Lubricant Applications », Industrial & Engineering Chemistry Product Research and Development, , p. 383 - 386 (lire en ligne [PDF])
- ↑ (en) D’Orazio A. J. et Pierce, E. F., « Investigation of Lubricant Concepts Applicable to Future Navy Aircraft Propulsion Systems : Lubrication requirements for bulk stream temperatures estimated at various a/c Mach number », NAPC-PE-29, , p. 16 (lire en ligne [PDF])
- ↑ (en) W.H. Gumprecht, « PR 143. A new class of high temperature fluids », ASLE Transaction,
- ↑ (en) Carl E. Snyder Jr. et Lois J. Gschwender, « U.S. Air Force Perfluoropolyalkylether Experiences », Tribology Transactions, vol. 52:2, , p. 165 - 170 (DOI 10.1080/10402000802065360, lire en ligne [PDF])
- ↑ (en) Leslie R. Rudnick et Ronald L. Shubkin, Synthetic lubricants and high-performance functional fluids, New York, Marcel Dekker, Inc, , 840 p. (ISBN 0-8247-0194-1), p. 787
- ↑ Isabelle Billard et Corinne Lagros, « Liquides ioniques, espoirs et raison, de la recherche à l’industrie »,
- ↑ « Procédé pour améliorer la résistance à la cokéfaction d'une composition lubrifiante »,
- ↑ Denis Eckert, Dmitri Gouzévitch, Irina Gouzévitch et Marie-Noëlle Pane, « La Russie : construction et crise d’un système scientifique », .
- 1 2 3 (ru) Aida Khurumova et Leonid Yanovsky, « Создание наукоемких перспективных технологий производства конкурентоспособных синтетических масел » [« Création de technologies de pointe pour la production d’huiles synthétiques compétitives »], АвиаСоюз, septembre - octobre 2014, p. 20 - 22 (lire en ligne)
- ↑ (ru) « Какие самолёты сегодня производят в России? » [« Quels sont les avions fabriqués en Russie aujourd'hui ? »],
- ↑ (ru) « Когда иностранные самолеты заменят на российские » [« Quand les avions étrangers seront-ils remplacés par des avions russes ? »],
- ↑ (ru) Aida Khurumova, « Контрафакт в авиации – риск для пассажиров » [« La contrefaçon dans l'aviation est un risque pour les passagers »], взлёт 4, , p. 58 - 59 (lire en ligne [PDF])
- ↑ (ru) L.S. Yanovsky et V.M. Ezhov, « Смазочные масла для турбовальных двигателей и редукторов вертолетов » [« Huiles lubrifiantes pour turbomoteurs et réducteurs d'hélicoptères »]
- ↑ (ru) « Центр рабочих жидкостей и смазочных материалов : Унифицированное авиационное синтетическое масло АСМО-200 » [« Département des liquides hydrauliques et des lubrifiants Huile synthétique unifiée pour l’aviation ASMO-200 »]
- ↑ « АО « НПЦ Спецнефтьпродукт »: традиции производства специальных смазочных материалов », sur glavportal.com (consulté le ).
- ↑ (ru) V.M. Ezhov, L.S. Yanovsky et A.A. Molokanov, « Aвиадвигатели XXI века : Новые синтетические смазочные материалы для авиационной техники » [« Nouveaux lubrifiants synthétiques pour l'ingénierie aéronautique »], Cборник тезисов докладов, , p. 987 - 988 (lire en ligne [PDF])
- 1 2 3 4 (ru) V.M. Ezhov et A.A. Molokanov, « Новые синтетические смазочные материалы для авиационной техники » [« Nouveaux lubrifiants synthétiques pour l'aviation »], Cборник тезисов докладов, , p. 307 - 308 (lire en ligne [PDF])
- ↑ (ru) « НПЦ Спецнефтьпродукт : Новое производство » [« Nouvelle production »], sur mediamiry.ru.
- ↑ (ru) Ежов Василий Михайлович, Разработка расчетно-экпериментального комплекса для создания смазочных и гидравлических масел нового поколения для авиационной техники : Таблица 4.7 [« Développement d’une méthode théorique et expérimentale de mise au point d’huiles de graissage et de fluides hydrauliques de nouvelle génération pour l’aéronautique »], Moscou, TSIAM, , 203 p. (lire en ligne), p. 131
- ↑ (ru) Ежов Василий Михайлович, Разработка расчетно-экпериментального комплекса для создания смазочных и гидравлических масел нового поколения для авиационной техники : Tableau 3.4 - Propriétés réelles de l'huile étrangère à faible viscosité (ici, Turbonycoil 400) pour les turboréacteurs double flux ou turbofan, Moscou, TSIAM, , 203 p. (lire en ligne), p. 106
- ↑ (en) Sinopec Lubricant Company, « Synthetic lubricants : 4010 Synthetic Aviation Lubricating Oil » [PDF],
- ↑ (ru) Научно-Исследовательский Институт Стандартизации и Унификации, « Высокотемпературное масло ВТ-301М » [« Huile pour hautes températures VT-301M »],
- ↑ (en) L.S. Yanovsky et A.V. Khurumova, « High-temperature oil composition based on fluorosiloxane liquid »,
- ↑ (ru) Ежов В. М et Шаранина К. В, « Квалификационные испытания опытнопромышленного образца масла ВT-301M по СТО 07548712005-2010 » [« Essais de qualification du prototype d'huile VT-301M selon le STO 07548712005-2010 »]
- ↑ (ru) Российский институт стандартизации, « О ГОСТах, ТУ и СТО : À propos de GOST, TU еt STO »,
- ↑ (ru) « Система добровольной сертификации » [« Système de certification volontaire »],
- ↑ (en) Barth Noëth, « Western sanctions harm Russian aviation with technical issues, emergency landings, and pricey tickets », Aviation24.be, (lire en ligne)
Bibliographie
- Jürgen Leonhardt, La grande histoire du latin, Paris, CNRS Éditions, , 382 p. (ISBN 978-2-271-06962-7)
- (en) Leslie R. Rudnick, Synthetics, mineral oils, and bio-based lubricants : chemistry and technology, third edition, Boca Raton, FL, CRC Press, , 1173 p. (ISBN 978-1-138-06821-6)
- (ru) К. K. Papok et N. A. Ragozin, Словарь по топливам, маслам, смазкам, присадкам и специальным жидкостям (химмотологический словарь) [« Dictionnaire des carburants, huiles, graisses, additifs et liquides spéciaux (Dictionnaire de chimmotologie) »], Moscou, Химия, , 392 p.
- (uk) S. V. Boichenko et V. H. Spirkin, Вступ до хіммотології палив та олив [« Introduction à la chimmotologie des carburants et des huiles »], Odessa, Астропринт, , 236 p. (ISBN 978-966-190-131-4)
- (ru) Л. С. Яновский, Н.Ф. Дубовкии, Ф. М. Галимов, Т. Н. Шигабиев et В.В. Горячев, Инженерные основы авиационной химмотологии [« Les bases techniques de la chimmotologie aéronautique »], Казань, Казанского университета, , 714 p. (ISBN 5-7464-0587-6)
- (en) Leslie R. Rudnick et Ronald L. Shubkin, Synthetic lubricants and high-performance functional fluids, New York, Marcel Dekker, , 840 p. (ISBN 0-8247-0194-1)
- (en) Reigh C. Gunderson et Andrew W. Hart, Synthetic Lubricants, New York, Reinhold Pub., , 497 p. (ISBN 0278920101)
- (ru) Л. С. Яновский, В. И. Бабкин et А. А. Харин, Основы Химмотологии [« Les bases de la chimmotologie »], Moscou-Berlin, Direkt-Media, , 482 p. (ISBN 978-5-4475-6917-4)
- Portail de l’aéronautique
- Portail du génie mécanique
- Portail de la chimie