Gare de Yamato-Saidaiji
| Yamato-Saidaiji | ||||
Entrée de la gare | ||||
| Localisation | ||||
|---|---|---|---|---|
| Pays | ||||
| Ville | Nara | |||
| Adresse | 1-1-1 Saidaiji Kunimichō, Nara-shi, Nara-ken | |||
| Coordonnées géographiques | 34° 41′ 38″ nord, 135° 46′ 58″ est | |||
| Gestion et exploitation | ||||
| Exploitant | Kintetsu | |||
| Caractéristiques | ||||
| Ligne(s) | Ligne Kyoto Ligne Kashihara Ligne Nara |
|||
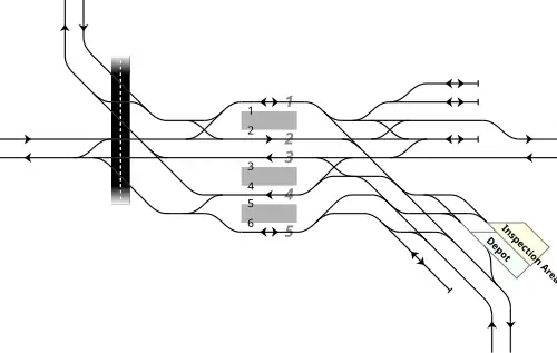
| Voies | 5 | |||
| Quais | 3 | |||
| Historique | ||||
| Mise en service | ||||
| Géolocalisation sur la carte : Nara
Géolocalisation sur la carte : préfecture de Nara
Géolocalisation sur la carte : Japon
| ||||
La gare de Yamato-Saidaiji (大和西大寺駅, Yamato-Saidaiji-eki) est une gare ferroviaire de la ville de Nara, dans la préfecture de même nom au Japon. La gare est gérée par la compagnie Kintetsu.
Situation ferroviaire
La gare de Yamato-Saidaiji est située au point kilométrique (PK) 22,3 de la ligne Kintetsu Nara. Elle marque le début de la ligne Kintetsu Kashihara et la fin de la ligne Kintetsu Kyoto.
Histoire
La gare est inaugurée le .
Le , l'ancien Premier ministre Shinzō Abe est assassiné alors qu'il donnait un discours devant la gare en vue des élections sénatoriale du surlendemain.
Services aux voyageurs

Accès et accueil
La gare dispose d'un bâtiment voyageurs, avec guichet, ouvert tous les jours.
Desserte
- Ligne Nara :
- voies 1 et 2 : direction Kintetsu-Nara
- voies 3 à 6 : direction Fuse, Osaka-Uehommachi et Osaka-Namba (interconnexion avec la ligne Hanshin Namba pour Amagasaki)
- Ligne Kashihara :
- voies 1, 2 et 6 : direction Tenri, Yamato-Yagi et Kashiharajingu-mae
- Ligne Kyoto :
- voies 3 à 5 : direction Takeda (interconnexion avec la ligne Karasuma pour Kokusaikaikan) et Kyoto
| Ligne Kyoto vers Kyoto | ||
| Ligne Nara vers Osaka-Namba | ![]() | Ligne Nara vers Kintetsu-Nara |
| Ligne Kashihara vers Kashiharajingu-mae |
Notes et références
- (en) Cet article est partiellement ou en totalité issu de l’article de Wikipédia en anglais intitulé « Yamato-Saidaiji Station » (voir la liste des auteurs).
Voir aussi
Liens externes
- Portail du chemin de fer
- Portail de la préfecture de Nara




