Commande et protection des installations HVDC

Les installations à courant continu haute tension (CCHT), en anglais High Voltage Direct Current (HVDC) permettent de transporter de la puissance électrique entre plusieurs postes de conversion reliés au réseau électrique en courant alternatif. Elles peuvent régler dans une certaine mesure la puissance active et la puissance réactive injectées dans le réseau, ce faisant elles doivent être en mesure de commander le courant envoyé ou absorbé, ainsi que le niveau de tension du poste et ce aussi bien du côté tension continue que du côté tension alternative. Le réglage de la puissance active influence également la fréquence du réseau électrique. Le poste qui envoie de la puissance est dit « redresseur », celui en recevant « onduleur ». Toutes ces commandes doivent être faites de manière cohérente, sans excéder de valeurs maximales admissibles par un des équipements électriques et sans mettre en danger la stabilité du réseau électrique. Mieux, en cas de défaut sur le réseau électrique le poste HVDC assiste dans la stabilisation du réseau.
Par ailleurs, les postes électriques contiennent des équipements coûteux et indispensables à la bonne conduite du réseau, il convient donc de les protéger contre les défauts pouvant apparaître sur le réseau : court-circuit, chute de foudre, choc de manœuvre, surtension, sur-fréquence, surcharge… Des appareils dédiés, dit de protections, permettent de déclencher des alarmes ou de déconnecter les parties affectées par un défaut et ainsi d'éviter la destruction ou la diffusion du défaut à d'autres éléments du réseau. Les postes HVDC ne font pas exception à ces concepts, même si ces derniers doivent être quelque peu adaptés par rapport à ceux utilisés dans le réseau en courant alternatif (AC).
Les installations HVDC sont à diviser en deux familles : les installations commutées par les lignes (« Line-commutated converters », LCC)) et celle autocommutées, plus couramment dite « convertisseurs source de tension » (« Voltage-source converters », VSC). Leur fonctionnement étant fondamentalement différent, leur commande et protection le sont également. Pour éviter les confusions les parties seront divisées dans la suite de l'article.
Les LCC sont commandés en source de courant. En temps normal, le redresseur assure le réglage de la tension, l'onduleur celui du courant, toutefois la commande à marge courant permet d'échanger les rôles en cas de besoin. L'inversion du flux de puissance se fait grâce à une inversion de la polarité de la tension. La puissance réactive est fournie par des bancs de capacités connectés en fonction des besoins. Les puissances réactive et active sont liées, toutes les configurations ne sont pas possibles. Les convertisseurs ont la capacité d'interrompre un court-circuit côté courant continu, par contre ils sont vulnérables aux chutes de tension côté AC.
Les VSC, comme leur nom l'indique sont commandés en source de tension. Les réglages de la tension active et réactive sont indépendants, cela permet beaucoup plus de possibilités pour la commande des VSC. La polarité des lignes reste constante. La puissance réactive est produite par les convertisseurs directement sans assistance de bancs de capacités. Les VSC deux quadrants n'ont pas la capacité d'interrompre eux-mêmes un court-circuit côté courant continu contrairement de ceux à quatre quadrants, aussi appelés en pont en H. Cependant, ils peuvent démarrer sans tension AC, on parle de « black-start ». L'article se focalise sur les VSC multi-niveaux, mais ceux à deux niveaux ont des stratégies de commande et protection similaires.
Commande
Commande des LCC
Principes généraux
Le système est constitué de ponts de diodes triphasés, ou pont à 6 impulsions, qu'on peut représenter avec seulement six éléments de commutation, appelés « valve » en anglais ou « soupape » en français, chacune reliant une phase du système alternatif à une phase du système continu[1]. À chaque instant, deux soupapes doivent être passantes, une en haut du pont et une en bas, reliant chacune une phase AC différente à l'une des deux lignes DC. Deux phases AC sont donc connectées en série aux lignes DC, la tension DC est par conséquent égale à la somme de deux phases AC à tout moment. Par exemple lorsque les valves V1 et V2 sont passantes, la tension continue est égale à la tension de la phase 1 plus celle de la phase 3[2].
À cause de l'inductance des lignes AC, le passage d'une valve à une autre, d'une phase à une autre, la commutation, n'est pas instantanée. Lors de la commutation, il a une superposition[anglais 1] : deux valves conduisent simultanément. Par exemple, si les valves V1 et V2 sont passantes et que la valve V3 est amorcée, le chemin du courant doit passer de la valve V1 à la valve V3, pendant un court instant les deux conduisent[3].
Pendant cette durée, la tension continue est égale à la moyenne de la tension des phases 1 et 2 moins celle de la phase 3. L'angle de superposition µ s'accroit avec le courant transporté par l'installation. Avec α l'angle de retard à l'ouverture des thyristors, typiquement α + µ a une valeur comprise entre 13 et 18° à pleine puissance[4].
![]() |
![]() |
Pendant la superposition, la tension continue est plus faible qu'en son absence, elle forme une sorte de dent caractéristique. En conséquence la tension continue décroit en moyenne lorsque la période de superposition croît, autrement dit la tension continue moyenne décroît quand le courant transportée croît[2].


La valeur de la tension continue au bornes d'un redresseur à pont de Graetz à 6 impulsions est donnée par[5],[6] :
Où:
- VLLpeak est la valeur crête de la tension alternative sortant des transformateurs connectés aux convertisseurs.
- Vdi, 0 est la valeur maximale de la tension continue.
- α est angle de retard à l'ouverture des thyristors
- Lc est l'inductance de commutation des lignes AC par phase.
- Xc est l'impédance de commutation des lignes AC par phase.
- Idc est le courant continu
- f est la fréquence du réseau alternatif, 50 ou 60 HZ selon les régions du monde.
L'angle de retard α étant l'intervalle entre le moment où la tension aux bornes d'une valve devient positive, moment où une diode deviendrait passante, et le moment où le thyristor est amorcé et devient passant[3],[7]. L'équation précédente montre clairement que quand l'angle de retard augmente, la tension continue diminue. Au-delà de 90° elle devient négative, cela marque la limite entre le fonctionnement en redresseur et le fonctionnement en onduleur[8]. L'équation pour l'onduleur est identique en remplaçant α par γ[9]. Au plus le réseau est fort, au plus Lc est faible, ainsi on assume en général que Lc, redresseur est plus faible que Lc, onduleur, la pente de la courbe côté onduleur est donc plus grande[10].
Dans une LCC, le réglage de l'angle de retard constitue la seule méthode de commande rapide des convertisseurs. Il permet de commander la valeur de la tension continue de chaque côté de la ligne, commandant en même temps la chute de tension et donc la puissance transférée. Le courant transitant dans une LCC est égal à[11]:
Où:
- Vredresseur est la tension continue côté redresseur
- Vonduleur est la tension continue côté onduleur
- Rligne est la résistance de la ligne continue

À la station de sortie, fonctionnant en onduleur, l'angle de retard idéal est de 180°, toutefois cette valeur ne peut être atteinte pour deux raisons. Tout d'abord à cause des phénomènes de superposition, ensuite à cause de l'angle d'extinction γ. Cet angle modélise le fait que les soupapes ne retrouvent pas instantanément leur capacité isolante après avoir été passantes. Cet angle est lié au temps de « turn-off », noté tq des thyristors et vaut typiquement 15°. La relation entre α, γ et µ est la suivante[11] : (en degrés)
Dans cette technologie, la station qui fonctionne en redresseur a un angle de retard proche de 0, celle qui fonctionne en onduleur un angle proche de 180°, la différence de tension est alors maximale, le transfert d'énergie maximalisée. Toutefois à cause des temps de commutation des valvess et de marges de sécurité, les angles ne peuvent être exactement 0 et 180°, ils sont dans les faits plus proche de 13 et entre 160 et 165°[9]. La valeur maximale de l'angle α est aussi appelée « butée onduleur ». α ne peut pas être exactement égal à zéro afin de garder une tension positive suffisante dans les thyristors et ainsi éviter une erreur de commutation[12].
Inversion de la polarité

Si le gestionnaire du réseau souhaite inverser le sens du transfert de puissance, dans le cas d'un LCC, il doit procéder à une inversion de polarité, c'est-à-dire inverser la polarité de la tension des lignes alors que le courant ne change pas de sens. Dans ce cas, il faut tout d'abord ramener la puissance active transférée et donc le courant continu à zéro. C'est la commande du courant, assurée traditionnellement par le redresseur qui entre donc en jeu. Ensuite, les thyristors sont parfois bloqués afin de confirmer le changement de polarité aux stations. Ils sont ensuite redémarrés avec les nouveaux angles de retard souhaités, l'angle de retard du nouvel onduleur est augmenté jusqu'à environ 160° et celui du nouveau redresseur est diminué jusqu'à quelques degrés. La tension est donc inversée, une fois cette opération réalisée, le courant est de nouveau élevé, la puissance active transférée n'est plus réduite[12],[13].
Stratégie de commande

La commande de la station HVDC doit assurer le transfert de puissance sans mettre en danger le réseau alternatif. Il doit ainsi à la fois commander la puissance réactive envoyée dans le réseau AC, la tension AC qui lui est liée et le courant. Dans le cas d'une LCC, les deux degrés de liberté sont les angles de retard α et γ réglant respectivement le redresseur et l'onduleur. Les stratégies de commande usuelles sont équidistantes depuis la fin des années 1960, c'est-à-dire que les trois phases sont contrôlées ensemble avec un angle constant de 60° pour un pont à 6 impulsions entre chaque phase[14],[15].
Cette possibilité de contrôler la puissance qui transite par les lignes HVDC est un grand avantage face aux lignes AC[16], pour lesquelles la puissance transitée est subie en fonction des lois de Kirchhoff.

Dans le détail : afin de faire transiter le maximum de puissance et de réduire le courant la tension au redresseur doit être constante et aussi grande que possible, α est donc petit, le courant ne doit pas dépasser sa valeur maximale, ensuite l'angle d'extinction γ doit également être choisi petit pour limiter la consommation d'énergie réactive et rendre le système moins vulnérable à une chute de tension côté onduleur[10].
En pratique, une commande à marge de courant est choisie. Le redresseur va donc tenter de maintenir son angle α constant et son courant à sa valeur de consigne. L'onduleur va tenter de maintenir son angle d'extinction constant et de maintenir son courant à sa valeur de consigne. La consigne de courant côté redresseur est choisie plus grande que celle côté onduleur, la différence entre les deux consignes est nommée marge de courant. Elle est en général égale à environ un dixième du courant nominal afin d'éviter que les commandes des deux postes n'interagissent entre eux en cas de présence d'harmonique dans le courant. Le fonctionnement est le suivant: le redresseur a impose un courant égal à sa consigne en maintenant sa tension aussi élevée que possible, l'onduleur reçoit donc un courant plus élevé que sa consigne pour tenter le réduire, il va réduire la différence de tension entre les deux postes et donc maintenir sa tension à une valeur élevée que possible (Figure 1). On est donc dans le cas recherché avec des angles aussi petit que possible. En cas de chute de tension AC côté redresseur (Figure 2 et 3), la tension continue côté redresseur devient plus petite que celle côté onduleur. Le redresseur ne peut pas augmenter sa tension suffisamment, α étant déjà atteint, pour que le courant se dirige vers l'onduleur. Les thyristors empêchant le courant de se diriger vers le redresseur, sans intervention de l'onduleur, il faut inverser la polarité et donc réduire le courant à 0. On n'a pas de point de fonctionnement (Figure 3). Avec le système à marge de tension, l'onduleur prend dans ce cas la commande du courant. En effet la chute de tension côté redresseur a fait baisser le courant en dessous de la consigne côté onduleur, ce dernier va donc faire augmenter la différence de tension en abaissant la sienne. Le redresseur cherche lui également à augmenter le courant en augmentant sa tension, elle reste donc maximale. Le redresseur commande alors la tension et l'onduleur le courant (Figure 2). La liaison n'a eu dans l'opération qu'une légère chute de courant, celui passant de la valeur de la consigne du redresseur à celle de la consigne de l'onduleur[17],[10].
Avec les caractéristiques de commande utilisées dans la Figure 1 et 2 en cas de chute limitée de tension AC côté redresseur, il peut y avoir plusieurs points de fonctionnement possibles (Figure 4). Pour éviter cela, la caractéristique de l'onduleur est modifiée (Figure 5)[10],[11].
Figure 2 : En cas de chute de tension côté AC au redresseur, la commande de la tension passe au redresseur et celle du courant à l'onduleur. Le nouveau point de fonctionnement est P'.
Figure 3 : En l'absence de commande de courant côté onduleur, en cas de chute de tension AC côté redresseur, il n'y aurait plus de point de fonctionnement.
Figure 4 : Si la chute de tension AC côté redresseur est limitée, avec les caractéristiques de commande précédentes, deux points de fonctionnements sont possibles. Ce qui n'est pas souhaitable.
Figure 5 : Pour éviter le cas de figure précédent, la caractéristique de l'onduleur est modifiée.
Structure de la commande

Chez Siemens, la commande des LCC doit réaliser trois fonctions principales: commande des valves, de la puissance réactive et du changeur de prises. La commande des angles de retard des valvess permet de régler le courant et la tension de la ligne. La commande de la puissance réactive connecte et déconnecte les filtres du réseau AC. Son principe est simple: quand la tension atteint une valeur haute prédéfinie la commande déconnecte un banc de capacité, à l'inverse quand la tension atteint une borne inférieure, un banc de capacité est connecté. Enfin le changeur de prises est réglé de manière à limiter la consommation de puissance réactive, autrement dit à garder les angles α et γ petits[18],[12].
La commande est divisée en plusieurs niveaux : commande de la station, commande de pôle et commande des valves. Le tout est piloté par un opérateur humain. La commande de la station gère l'aiguillage de l'électricité côté AC et DC, et donc la configuration de la station (bipôle/monopôle) ainsi que les grandeurs électriques côté AC : tension, puissance réactive, une commande puissance/fréquence est également possible. La commande de pôle gère la puissance transférée côté DC, le courant et la tension continue. Elle échange des informations avec l'autre station grâce à une télécommunication. La gestion du changeur de prise et l'amortissement des oscillations de puissance lui sont également rattachés. Au bout du compte, la commande de pôle détermine l'angle de retard des valves. Une bonne commande doit s'assurer que les valves sont allumées de manière symétrique et synchronisées[18],[14].

Gestion des défauts
Dans le réseau, la génération d'électricité est assurée par des machines synchrones. Les défauts sur les lignes, les ouvertures et fermetures de sélecteur, les pannes de certains équipements peuvent faire osciller la puissance active des générateurs, concrètement les axes des générateurs se mettent à accélérer, d'autres à décélérer. Autrement dit, l'angle de transport se met à osciller. La capacité du réseau à retrouver son synchronisme, est appelée stabilité dynamique[19]. Les HVDC permettent d'améliorer la stabilité dynamique d'un réseau en limitant les fluctuations de puissances actives entre stations. Les résonances sous-synchrones sont également atténuées[20],[21]. Une fonctionnalité importante du contrôle des LCC est la « consigne de courant en fonction de la tension[anglais 2] ». Elle permet d'éviter les instabilités de la tension et de la puissance lors de défauts électriques côté AC. Elle réduit la consigne de courant, ce qui revient pour les redresseurs à faire baisser leur tension, lorsque la tension côté AC diminue à cause d'un défaut[22],[23]. Ils peuvent également éviter les pertes de synchronismes qui surviennent après certains défauts en évacuant la puissance en surplus[24].
Les LCC sont vulnérables aux défauts côté AC, ces derniers provoquent en effet des échecs dans la commutation des valves ce qui provoque un effondrement de la tension continue. Un réseau suffisamment fort limite le problème[25],[26].
Commande des VSC
![]() |
![]() |
Tout comme les convertisseurs à 2 niveaux, les MMC sont constitués de 6 valves, reliant chacune une ligne AC à une ligne DC différentes. Toutefois alors que pour un montage à 2 niveaux, chaque valve peut être modélisée par un unique interrupteur constitué de nombreux IGBT en série, dans le cas du MMC chaque module peut être commandé indépendamment et se comporte comme une source de tension. Chaque valve consiste en de nombreux sous-modules contenant une capacité. Dans le cas du pont 2 quadrants[anglais 3], montage utilisé par Siemens, chaque sous-module contient 2 IGBT en série connectés de part et d'autre du centre de la capacité (voir image)[27]. En fonction de la position passante ou ouverte des IGBT, la capacité est court-circuitée ou dans le circuit. Chaque sous-module est donc une source de tension valant 0 ou Usm (avec Usm la tension au borne de la capacité). Quand un grand nombre de sous-modules est connecté en série, les valves peuvent reproduire la forme de tension en escalier souhaitée, dans le cas du HVDC une sinusoïde avec un faible contenu harmonique[28].

Le MMC est différent des autres types de convertisseurs, dans le sens où le courant traverse en permanence les 6 valves, les notions de valve ouverte ou fermée n'a donc pas de sens. Le courant continu se divise de manière égale entre les 3 phases tandis que le courant alternatif entre les deux lignes continues[27]. Le courant résultant est donc égal à une combinaison du courant alternatif et continu[29] :
Valves du haut:
valves du bas:
Enfin, les IGBT ne devant pas tous être commutés simultanément, l'amorçage de ceux-ci est moins complexe que celui d'un montage à 2 niveaux[28].
Au niveau des désavantages, la commande est beaucoup plus complexe que sur un 2 niveaux. Il faut équilibrer la tension entre chaque capacité, ce qui difficile et nécessite une importante puissance de calcul informatique ainsi qu'une grande vitesse de communication entre la commande centrale et les sous-modules. La puissance de calcul exigée est donc très importante[30]. En outre, les sous-modules eux-mêmes sont relativement volumineux[31]. Un MMC prend plus d'espace qu'un convertisseur 2 niveaux, cela doit cependant être mis au regard de l'économie des filtres[28].



Un VSC possède deux degrés de liberté, le déphasage entre tension DC et tension AC, ainsi que l'amplitude de la tension DC qui est pour un, convertisseur à deux niveaux, équivalent au degré de modulation. La tension alternative est contrôlée à l'aide de l'amplitude de la tension DC, la puissance à l'aide du déphasage. Les formules de la puissance active et réactives sont les mêmes qu'en courant alternatif[32] :
Où P est la puissance active, V1 et V2 les tensions aux extrémités des lignes, X l'impédance de la ligne et l'angle de transport, le déphasage entre V1 et V2.
La commande vectorielle est bouclée sur la puissance active et réactive et en déduit l'angle de transport et l'amplitude des tensions. Son avantage est d'avoir une boucle de courant supplémentaire permettant de gèrer la charge des convertisseurs. Son défaut est que cette boucle ralentit la commande. La commande vectorielle utilise en général la transformée de Park pour transposer le système triphasé dans une base orthogonale pq à seulement 2 composantes[33].
Les VSC ont des commandes pour gérer la puissance active, réactive, la tension continue, le courant et la fréquence[33]. Les VSC ont l'avantage d'améliorer la stabilité du réseau grâce à leur commandes indépendantes de la puissance active et réactive[26]. Non seulement, comme les LCC, ils peuvent stabiliser les oscillations de puissance, mais également limiter les creux de tension[34]. Cette très grande commandabilité est un avantage majeur pour les VSC[16].
Les VSC ont l'avantage par rapport au LCC de ne pas avoir besoin d'un réseau AC fort pour pouvoir fonctionner. Ils ont ainsi la capacité de démarrer alors même que le réseau AC vient de subir une coupure, on parle alors de « black-start ». La puissance nécessaire pour démarrer les convertisseurs est de l'ordre de 1 MW pour une installation de capacité 1 000 MW, cette puissance est fournie par une alimentation de secours, typiquement des diesels. Cela permet même au plus petite centrale électrique de démarrer et d'alimenter un réseau limité, les capacités de stabilisation du réseau des VSC sont également utilisées dans ce cas[35].
Protection
Protection des LCC

Comme sur un poste électrique à courant alternatif des protections servent à détecter un comportement anormal de l'installation et à donner tout d'abord l'alarme et, si l'anormalité se poursuit, l'ordre aux disjoncteurs de s'ouvrir pour couper le courant avant que l'équipement du poste ne soit endommagé. Les circuits destinés à la protection sont donc redondants et séparés des circuits destinés à la commande. Le poste lui-même est divisé en plusieurs zones de protection qui se superposent systématiquement afin d'assurer la protection de tous les équipements électriques. Côté AC, les systèmes de protection sont similaires à ceux rencontrés dans les postes AC : protections différentielles, protections à maximum de courant, protection de distance pour les lignes… Côté DC, les deux premières protections sont utilisées pour les convertisseurs, les jeux de barres et les filtres. Des protections contre la surtension sont également employées pour les convertisseurs[18]. La protection des lignes à courant continu est différente de celle des lignes en courant alternatif: des protections front d'onde[anglais 4] permettent de détecter un changement brutal dans le courant et ainsi les courts-circuits, une mesure du changement de la tension permet de définir laquelle des deux lignes est touchée et ainsi de ne déconnecter que le pôle affecté, autrement dit d'avoir une bonne sélectivité. Cette protection permet aussi de déterminer la distance entre le défaut et le poste électrique[36],[37].
En cas de défaut, l'angle de retard du redresseur est augmenté fortement pour atteindre une valeur d'environ 120 à 135°, en même temps l'angle d'extinction de l'onduleur est augmenté vers 80° pour assurer qu'il garde la même polarité. Si la liaison est fortement capacitive, un câble typiquement, cette inversion de polarité ne peut pas toujours être évitée. Par ailleurs, les convertisseurs des LCC doivent être protégés contre les échecs de commutations par un mécanisme de commande adapté. Des courts-circuits internes à l'installation peuvent également avoir lieu[38]. En règle générale, l'allumage des thyristors est bloqué en cas de défaut, si malgré cela la faute n'est pas éteinte, les disjoncteurs côté AC ouvrent le circuit[39].
Protection des VSC


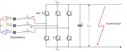
La protection des VSC est similaire à celle des LCC à l'exception de la gestion des courts-circuits côté tension continue. En effet s'ils ne sont pas vulnérables aux défauts côté AC comme les LCC, les VSC, non connectés en pont en H, sont vulnérables aux courts-circuits côté DC. L'absence de bobine de lissage a pour effet que l'inductance de la ligne à courant continu est très faible. Le taux de montée du courant est donc très élevé en cas de défaut. Dans ce cas les IGBT se bloquent, les capacités des convertisseurs se déchargent tout d'abord dans les diodes de roue-libre, le courant est alors très élevé, contrairement aux IGBT elles doivent donc être dimensionnées pour résister à cette charge. Il est à noter que dans le cas d'un convertisseur à 2 niveaux, ces capacités sont importantes et au nombre de 2, dans le cas d'un convertisseur multi-niveaux, elles sont nombreuses, connectées en série et de plus faibles valeurs, la capacité totale est donc plus faible. Dans un second temps, le réseau AC alimente le défaut toujours à travers les diodes de roue libre avant que les disjoncteurs n'agissent[40],[26],[41],[42].
Voir aussi
Références
- ↑ Kimbark 1971, p. 71–128
- 1 2 Arrillaga 1998, p. 13-32
- 1 2 Arrillaga 1998, p. 10-55
- ↑ (en) M. P. Bahrman, HVDC Transmission Overview, IEEE, (lire en ligne)
- ↑ Williams 1992, p. 287–291
- ↑ Arrillaga 1998, p. 26
- ↑ Kimbark 1971, p. 75
- ↑ Mohan, Undeland et Robbins 1995, p. 148-150
- 1 2 Arrillaga 1998, p. 28
- 1 2 3 4 (en) « HVDC controls », sur image.sciencenet.cn (consulté le )
- 1 2 3 4 (en) « HVDC for beginners and beyond » [archive du ], sur Alstom (consulté le )
- 1 2 3 Arrillaga 1998, p. 116
- ↑ (en) « Method and arrangement to reverse the power flow of a direct current power transmission system », sur google.com (consulté le )
- 1 2 Arrillaga 1998, p. 100-128
- ↑ Cigré 492 2012, p. 16
- 1 2 Cigré 492 2012, p. 17
- 1 2 Arrillaga 1998, p. 111
- 1 2 3 (en) « Win-TDC The State-of-the-Art Control and Protection System séparation pole et station control for HVDC Applications from Siemens » [archive du ], sur energy.siemens.com (consulté le )
- ↑ Song et Johns 1999, p. 19
- ↑ Arrillaga 1998, p. 136
- ↑ Arrillaga 1998, p. 140
- ↑ (en) « On the Short Circuit Current Contribution of HVDC Light » [archive du ], sur ABB (consulté le )
- ↑ Arrillaga 1998, p. 156
- ↑ Arrillaga 1998, p. 143
- ↑ Arrillaga 1998, p. 155
- 1 2 3 (en) Christian M. Franck, « HVDC Circuit Breakers: A Review Identifying Future Research Needs », Transactions on power delivery, IEEE, (lire en ligne [archive du ], consulté le )
- 1 2 (en) T. Westerweller, K. Friedrich, U. Armonies, A. Orini, D. Parquet et S. Wehn, Trans Bay cable – world's first HVDC system using multilevel voltage-sourced converter,, Paris, CIGRÉ, (lire en ligne), « B4-101 »
- 1 2 3 Cigré 269 2005, p. 42
- ↑ (en) Jakob Glasdam, Jesper Hjerrild, Łukasz Hubert Kocewiak et Claus Leth Bak, Review on Multi-Level Voltage Source Converter Based HVDC Technologies for Grid Connection of Large Offshore Wind Farms (lire en ligne)
- ↑ Cigré 492 2012, p. 36
- ↑ (en) C.C. Davidson et D.R. Trainer, Innovative concepts for hybrid multi-level converters for HVDC power transmission, Londres, IET, coll. « 9th International Conference on AC and DC Power Transmission »,
- ↑ Cigré 492 2012, p. 23
- 1 2 Cigré 269 2005, p. 65-67
- ↑ Cigré 269 2005, p. 70
- ↑ Cigré 492 2012, p. 35 et 45
- ↑ (en) « Introduction of wave front protection in Tian-Guang HVDC transmission system », sur en.cnki.com.cn (consulté le )
- ↑ (en) « Natural frequency based protection and fault location for VSC-HVDC transmission lines », sur ieeexplore.ieee.org (consulté le )
- ↑ Arrillaga 1998, p. 218
- ↑ Arrillaga 1998, p. 211-225
- ↑ (en) Jin Yang, John E. Fletcher et John O’Reilly, Short-Circuit and Ground Fault Analysis and Location in VSC-Based DC Network Cables, IEEE, (lire en ligne)
- ↑ (en) Groupe de travail B4, Technical guidelines for first HVDC grids : A European study group based on an initiative of the German commission for electrical, electronic & information technologies, Paris, CIGRÉ, (lire en ligne), chap. 307
- ↑ Cigré 269 2005, p. 44-47
Traductions
Bibliographie
- (en) Jos Arrillaga, High Voltage Direct Current Transmission, Institution of Electrical Engineers, (ISBN 0-85296-941-4)
- (en) Groupe de travail B4.46, Voltage Source Converter (VSC) HVDC for Power Transmission – Economic Aspects and Comparison with other AC and DC Technologies, Cigré, coll. « Brochure », , chap. 492
- (en) Groupe de travail B4.37, VSC TRANSMISSION, Cigré, coll. « Brochure », , chap. 269
- (en) E.W. Kimbark, Direct current transmission, vol. 1, Wiley Interscience,
- (en) B.W. Williams, Power Electronics : devices, drivers and applications, Macmillan Press, , 542 p. (ISBN 0-333-57351-X)
- (en) Yuong Hua Song et Allan T. Johns, Flexible AC transmission systems, Londres, institution of electrical engineers, (ISBN 0-85296-771-3, lire en ligne)
- (en) N. Mohan, T.M. Undeland et W.P. Robbins, Power Electronics : converters, applications and design, John Wiley & Sons, (ISBN 0-471-58408-8)
- Portail de l’électricité et de l’électronique
- Portail de l’énergie



