Circuit intégré 7486

.png)
Le circuit intégré 7486 fait partie de la série des circuits intégrés 7400 utilisant la technique TTL.
Ce circuit est composé de quatre portes logiques indépendantes OU exclusif à deux entrées.
Brochage
(vue du dessus)
Table de vérité
| Entrées | Sortie | |
|---|---|---|
| A | B | Y |
| 0 | 0 | 0 |
| 0 | 1 | 1 |
| 1 | 0 | 1 |
| 1 | 1 | 0 |
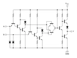
Schéma interne


Références
- ↑ (en) TTL Data Book Fairchild 1972
Voir aussi
Liens internes
Liens externes
- (en) Spécifications des circuits S5486/N7486, Signetics Digital 54/7400 Data Book, 1972
- Portail de l’électricité et de l’électronique