Circuit intégré 7432


Le circuit intégré 7432 fait partie de la série des circuits intégrés 7400 utilisant la technique TTL.
Ce circuit est composé de quatre portes logiques indépendantes OU à deux entrées.
Brochage

(vue du dessus)
Table de vérité
| Entrées | Sortie | |
|---|---|---|
| A | B | Y |
| 0 | 0 | 0 |
| 0 | 1 | 1 |
| 1 | 0 | 1 |
| 1 | 1 | 1 |
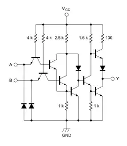
Schéma interne
Schéma d'une porte du circuit SN7432 (TTL standard) de Texas Instruments.
Schéma d'une porte du circuit SN74LS32 (TTL Low-power Schottky) de Texas Instruments.
Schéma d'une porte du circuit SN74S32 (TTL Schottky) de Texas Instruments.
Voir aussi
Références
- (en) Spécifications des circuits 5432/DM5432/DM7432, National Semiconductor LS/S/TTL Logic Data Book, 1989
Liens internes
- Portail de l’électricité et de l’électronique


