Circuit intégré 7402


Le circuit intégré 7402 fait partie de la série des circuits intégrés 7400 utilisant la technique TTL.
Ce circuit est composé de quatre portes logiques indépendantes NON-OU à deux entrées.
Brochage

(vue du dessus)
Table de vérité
| Entrées | Sortie | |
|---|---|---|
| A | B | Y |
| 0 | 0 | 1 |
| 0 | 1 | 0 |
| 1 | 0 | 0 |
| 1 | 1 | 0 |
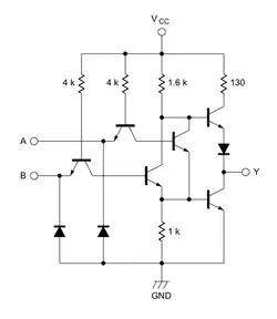
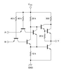
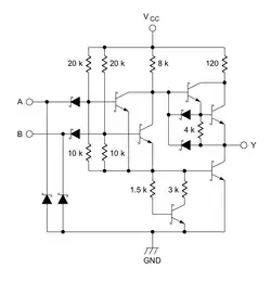
Schéma interne
Schéma d'une porte du circuit SN7402 (TTL standard) de Texas Instruments.
Schéma d'une porte du circuit SN74L02 (TTL Low-power) de Texas Instruments.
Schéma d'une porte du circuit SN74LS02 (TTL Low-power Schottky) de Texas Instruments.
Schéma d'une porte du circuit SN74S02 (TTL Schottky) de Texas Instruments.
Voir aussi
Références
- Documentation du circuit intégré
- (en) Spécifications des circuits S5402/N7402, Signetics Digital 54/7400 Data Book, 1972
Liens internes
- Portail de l’électricité et de l’électronique



