C 20150
Ee 3/3II (CFF)
| Exploitant(s) | SNCF puis CFF |
|---|---|
| Désignation | Ee3/3II 16501 à 16506 et 16511 à 16519 |
| Type | locomotive électrique |
| Construction | 1961 à 1962 |
| Constructeur(s) | SLM-Sécheron - BBC - MFO |
| Mise en service | 1962 - 1963 |
| Retrait | vendues en 1971-1972 |
| Utilisation | manœuvre |
| Disposition des essieux | C |
|---|---|
| Écartement | standard (1 435 mm) |
| Captage | 1 pantographe |
| Tension ligne de contact | 15/25k V |
| Tension moteurs | 0,772 kV |
| Moteurs de traction | 1 moteur S6 596 Sécheron |
| Puissance continue | 460 kW |
| Ø roues motrices | 1040 mm |
| Masse en service | 52.5 t |
| Hauteur | 4,585 m |
| Masse totale | 52,5 t |
| Longueur totale | 9,420 m |
| Empattement total | 4.05 m |
| Vitesse maximale | 45 puis 60 km/h |
Les C 20150 sont une petite série de neuf anciennes locomotives électriques de la SNCF vendues aux CFF et ré-immatriculées Ee 3/3II depuis 1972.
Ces engins bifréquence 25 kV-50 Hz et 15 kV-16⅔ Hz, acquis en 1961 et 1962 par la SNCF, sont utilisés pour la traction des trains entre Saint-Louis et Bâle-Muttenz, et affectés au dépôt d'Île-Napoléon. En 1971-1972 ils sont concurrencés par les BB 20200, locomotives plus puissantes et plus rapides, et revendus aux CFF.
Histoire
Acquis en 1961 et 1962, ces engins bicourants 25 kV-50 Hz et 15 kV-16⅔ Hz étaient utilisés pour la traction des trains entre Saint-Louis et Bâle-Muttenz, et affectés au dépôt d'Île-Napoléon[1].
En effet, en octobre 1957 la ligne Bâle – Strasbourg (134 km) est électrifiée mais si la commutation pour les rames voyageurs ne pose pas de problème il n'en va pas de même pour les trains de marchandises.
Le trajet entre les deux triages de Saint-Louis et de Bâle-Muttenz est donc dans un premier temps confié à trois 060 DB (les 060 DB 13, 15, 16 et 19 en roulement) jusqu'en 1960. Ensuite ce sont quatre couplages de 040 DE (les 040 DE 721 à 723, 726 à 728, 731 et 736) mais ces couplages sont jugés très polluants par les riverains[2]. Devant cet état de fait, la SNCF se décida à commander à l'industrie suisse des machines s'inspirant des Ee 3/3II nos 16501 à 16506 opérant sur Bâle[2],[Note 1]. Les locomotives 16501 et 16503 à 16506 ont été radiées entre 2000 et 2002. Comme leurs devancières elles se voient affectées au dépôt de Mulhouse-Île-Napoléon mais elles sont détachées en permanence à l'annexe de Saint-Louis[1]. Les trajets se limitent à Saint-Louis - Bâle, avec toutefois quelques incursions jusqu'à Mulhouse. À partir de 1963 les BB 63500 sont évincées de ce service et seule reste la petite série des C 20150. À partir de 1970, elles sont transférées au dépôt de Strasbourg mais la livraison des BB 20200 entraîne l'arrêt progressif des machines et la décision de vendre la série aux CFF est prise[4].
La vente est effective en 1971 et en 1972. Les véhicules passent aux ateliers pour une refonte complète[5]. Elles prennent alors les immatriculations Ee 3/3II nos 16511 à 16519 et sont utilisées dans un premier temps à la manœuvre en gare de Lausanne avant de revenir sur Bâle pour quelques unités.
Caractéristiques techniques
Caractéristiques générales
Les C 20150 sont des locomotives à une seule cabine de conduite centrale encadrée par deux capots de taille inégale renfermant les équipements électriques et pneumatiques ; la toiture de la cabine supporte un unique pantographe. Deux plateformes prennent place aux extrémités de l'engin. Tout cet ensemble est fixé sur un châssis composé de deux longerons. Les équipements électriques sont produits par Sécheron alors que la partie mécanique revient à SLM Winterthur[1]. Les C 20150 sont aptes à la marche en unités multiples[6]
Ces locomotives adoptent la livre verte à bandes de visibilité jaunes des engins de manœuvre de la SNCF[1].
Équipement électrique

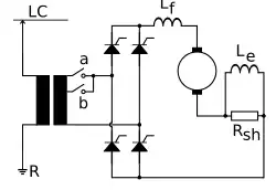
La particularité de ces locomotives est de pouvoir circuler aussi bien sur une ligne alimentée avec une tension alternative monophasée de 25 kV à une fréquence de 50 Hz qu'une de 15 kV à 16 ²⁄₃ Hz. Cela nécessite quelques contraintes au niveau du système d'entraînement : le moteur ne pourrait pas être branché directement en sortie du transformateur, sans quoi les réglages de vitesse et de couple ne seraient pas les mêmes si le véhicule est sous l'une ou l'autre ligne de contact[Note 2].
Le système d'entraînement employé sur ces locomotives est un système classique d'un moteur à courant continu à excitation série alimenté par un transformateur abaisseur dont la tension de sortie est redressée par un pont redresseur à double alternance et lissé par une inductance[7].
La première spécificité consiste dans le transformateur qui doit être dimensionné de façon à travailler avec le meilleur rendement pour les deux systèmes d'électrification. Cela implique un transformateur massique important pour pouvoir travailler à basse fréquence, le 16 ²⁄₃ Hz, mais avec des tôles d'une épaisseur moindre que si le transformateur est conçu pour recevoir seulement du 16 ²⁄₃ Hz[7], ceci à cause d'effets de saturation dans le noyau magnétique.
Deux sorties sont nécessaires au secondaire du transformateur pour compenser une perte de puissance. En effet, si la même sortie est utilisée aussi bien lorsque le transformateur est alimenté sous 25 kV que 15 kV, la puissance sous cette dernière ne serait que de 60 % celle fournie par une alimentation sous 25 kV[7].
L'inductance de lissage Lf permet d'avoir une tension ondulatoire résiduelle la plus faible possible. Le reste du schéma permet un pilotage de la locomotive de façon identique à n'importe quelle locomotive de la même génération alimentée sous une tension continue.
Transmission

Le moteur électrique entraîne par un jeu d'engrenages un faux essieu qui, de chaque côté de la locomotive, transmet le mouvement roues motrices grâce à un jeu de bielles ; les roues peuvent se déplacer verticalement pour optimiser l'adhérence de la machine[1].
Modélisme
La Ee 3/3II, version helvétique des C 20150, est reproduite à l'échelle HO par Roco[8].
Notes et références
Notes
- ↑ Les banques suisses ont accordé à la France des crédits à taux avantageux pour financer l'électrification Strasbourg — Bâle. En contrepartie, la SNCF s'est engagée à se fournir en matériel de technologie helvétique[3].
- ↑ Expression du couple : ; Expression de la vitesse : où est la force contre-électromotrice, le courant dans l'induit, la constante de construction du moteur, le flux provenant d'un pôle de l'inducteur
Références
- 1 2 3 4 5 Constant 2011, p. 43.
- 1 2 Constant 2011, p. 42.
- ↑ Jean-Marc Dupuy, « Le troisième Nord-Est : Bâle — Réding », Le Train, no 41 spécial « Les électrifications SNCF. Tome 1 : le monophasé des origines - 1962 - Savoie - Nord-Est - Jura », , p. 59.
- ↑ Constant 2011, p. 43-44.
- ↑ Constant 2011, p. 44.
- ↑ Jehan-Hubert Lavie, « Trois p'tits tours et puis s'en vont ! », Loco Revue, no 515, , p. 364 (lire en ligne).
- 1 2 3 Allenbach et al. 2008, p. 183-184.
- ↑ J.-P. Guimbert, « Jumelles franco-suisses », Loco Revue, no 515, , p. 361-365 (lire en ligne).
Voir aussi
Bibliographie
- « Courrier des lecteurs », Rail passion, La Vie du Rail, no 110, , p. 110
- Jean-Marc Allenbach, Pierre Chapas, Michel Comte et Roger Kaller, Traction électrique : deuxième édition entièrement revue et augmentée, vol. 1, Lausanne, Presses polytechniques et universitaires romandes, coll. « Électricité », , 2e éd., 652 p. (ISBN 978-2-88074-674-2, présentation en ligne)
- Olivier Constant, « Encyclopédie du matériel moteur SNCF, Tome 8 : Les locomotives bicourant, bifréquence et polytension (1re partie) », Le Train, Publitrains, (ISSN 1296-5537)
- Jean-Marc Dupuy, « Le troisième Nord-Est : Bâle — Réding », Le Train, no 41 spécial « Les électrifications SNCF. Tome 1 : le monophasé des origines - 1962 - Savoie - Nord-Est - Jura », , p. 59.
Articles connexes
- Portail du chemin de fer
- Portail du chemin de fer en Suisse