Apollo 14
| Apollo 14 | ||||||||
| Mission Apollo | ||||||||
|---|---|---|---|---|---|---|---|---|
Insigne de la mission. | ||||||||
| Équipage | ||||||||
| Commandant | Alan Shepard | |||||||
| LMP | Edgar Mitchell | |||||||
| CMP | Stuart Roosa | |||||||
Roosa, Shepard, Mitchell. | ||||||||
| Mission | ||||||||
| Date lancement | 31 janvier 1971 21 h 3 min 2 s UTC | |||||||
| Objectif principal | Récolter des échantillons près du Cone Crater | |||||||
| Vaisseau | ||||||||
| Lanceur | Saturn V SA-509 | |||||||
| Module de commande | CM-110 (Kitty Hawk[N 1]) | |||||||
| Module lunaire | LM-8 (Antares) | |||||||
| Sur la Lune | ||||||||
| Date atterrissage | 5 février 1971 | |||||||
| Lieu | formation géologique Fra Mauro | |||||||
| Coordonnées | 3° 39′ 06″ sud, 17° 29′ 41″ ouest | |||||||
| Géolocalisation sur la carte : Lune
| ||||||||
| Apollo 14 sur Google Moon | ||||||||
| Durée à la surface | 1 jour 9,5 heures | |||||||
| Durée sorties extravéhiculaires | 9,2 heures (4,7 + 4,5) | |||||||
| Durée en orbite | 2 jours 18,7 heures | |||||||
| Roches lunaires | 43 kg | |||||||
| Atterrissage | ||||||||
| Coordonnées | 27° 01′ 00″ sud, 172° 39′ 00″ ouest | |||||||
| Date | 9 février 1971 21:05:00 UTC | |||||||
| Durée mission | 9 j 1 min 58 s | |||||||
| Liens externes | ||||||||
| Lunar Surface Journal Apollo 14 | ||||||||
| Apollo 14 Documentation | ||||||||
| Apollo 14 sur National Air and Space Museum | ||||||||
| ||||||||
Apollo 14 ( - ) est la huitième mission habitée du programme Apollo et la troisième à se poser sur la Lune. Il s'agit de la première mission dont le but principal est scientifique et dont le lieu d’atterrissage a été sélectionné non en fonction de contraintes techniques, mais pour son intérêt géologique. Le module lunaire se pose dans la formation géologique Fra Mauro, destination originelle de la mission Apollo 13 avortée.
Contexte
Le programme Apollo est lancé par le président John F. Kennedy le avec comme objectif d'envoyer pour la première fois des hommes sur la Lune avant la fin de la décennie. Il s'agit de démontrer la supériorité des États-Unis sur l'Union soviétique dans le domaine spatial, devenu un enjeu politique dans le contexte de la guerre froide[1]. Le , l'objectif fixé à l'agence spatiale américaine, la NASA, est atteint lorsque les astronautes de la mission Apollo 11 parviennent à se poser sur la Lune[2]. À cette date, neuf autres missions sont programmées. Mais les ambitions du programme sont rapidement revues à la baisse. Les priorités des États-Unis ont changé : les dispositifs sociaux mis en place par le président Lyndon Johnson dans le cadre de sa guerre contre la pauvreté (Medicare et Medicaid) et surtout un conflit vietnamien qui s'envenime prélèvent une part croissante du budget du pays. Pour les décideurs politiques américains, le programme Apollo a rempli son principal objectif en prouvant la supériorité technique des États-Unis sur l'Union soviétique, et la science ne justifie pas les dépenses envisagées pour les missions à venir. En 1970, la dernière mission planifiée, Apollo 20, est annulée tandis que les vols restants sont étalés jusqu'en 1974 ; la chaîne de fabrication de la fusée Saturn V, chargée de lancer les vaisseaux du programme, est également arrêtée, mettant fin à tout espoir d'une prolongation du programme[3]. Le , le responsable de la NASA, démissionnaire, annonce que les contraintes budgétaires nécessitent de supprimer deux nouvelles missions Apollo 18 et Apollo 19 ; les économies attendues sont d'environ 50 millions de dollars[4],[5].
La mission précédant Apollo 14, Apollo 13, a du être interrompue à la suite d'une explosion dans le module de service du vaisseau Apollo. Son équipage a pu être sauvé d'extrême justesse mais les investigations menées pour déterminer l'origine de la défaillance retardent le vol suivant. De nouvelles procédures de quarantaine sont prises pour limiter les risques de contagion des maladies infectieuses qui avaient imposé le remplacement de dernière minute d'un membre de l'équipage d'Apollo 13. Un réservoir d'oxygène, indépendant de ceux alimentant les piles à combustible, est ajouté dans le module de service pour supprimer une des conséquences les plus graves de l'explosion d'Apollo 13[6].
Apollo 14 est la quatrième mission ayant pour objectif de faire atterrir des hommes sur la Lune. C'est également la dernière mission de type H c'est-à-dire utilisant un module lunaire allégé aux capacités limitées (durée de séjour sur la Lune, capacité d'emport d'outils). Elle reprend l'objectif principal de la mission Apollo 13 qui devait étudier la formation géologique Fra Mauro. Mais les instruments scientifiques qui doivent être débarqués sur le sol lunaire sont en partie différents[6].
Planification et objectifs de la mission
Objectif scientifique principal


La mission Apollo 14 reprend l'objectif principal de la mission Apollo 13, qui n'a pu se réaliser : l'exploration de la formation géologique Fra Mauro située à l'ouest du grand cratère Fra Mauro. Après les deux premières missions « techniques » Apollo 11 et Apollo 12, qui ont démontré la capacité de se poser sur la Lune de manière maîtrisée et précise, la NASA se sent maintenant prête à envoyer une mission sur un terrain plus difficile et accidenté, et vers un objectif géologique précis, nécessitant une très bonne précision d'atterrissage.
La formation géologique Fra Mauro est une large région tourmentée, sur la périphérie de la mer des Pluies. Cette « mer », de forme circulaire, est en fait la plus grande structure lunaire produite par un impact très ancien, au moment où la Terre et la Lune étaient en formation. La formation Fra Mauro est formée par de gigantesques éjectas provenant de cet impact.
L'exploration géologique de cette région est d'une grande importance, car les roches constituant l’éjecta peuvent provenir de plusieurs dizaines de kilomètres sous la surface telle qu'elle était au moment de l'impact, et donner de précieuses informations sur la composition des roches de cette époque très reculée (plus de 4,5 milliards d'années). Sur Terre, il est impossible de trouver des roches aussi anciennes, et l'exploration de la Lune (dont la surface est préservée par l'absence de tectonique et d'érosion) est le seul moyen d'obtenir des informations sur la période de la formation de la Terre et de la Lune (qui ont subi les mêmes mécanismes de formation). De plus, en datant précisément l'impact de la mer des Pluies, cela permettrait de dater beaucoup de formations et de cratères lunaires dont la date relative par rapport à l'impact est connue.
Cependant, les éjectas ont tout de même été recouverts, depuis des milliards d'années, par une couche de plusieurs mètres de poussière lunaire et de régolithe. L'objectif géographique précis est donc les abords d'un cratère relativement récent et profond, le Cone Crater (300 m de diamètre), qui est supposé avoir traversé la couche de régolithe, de manière à avoir des chances de trouver, dans les propres éjectas de ce cratère, des roches provenant de l'impact de la mer des Pluies, voire de la couche lunaire originelle avant l'impact.
En effet, le processus de formation des cratères d'impact est tel que les matières éjectées les plus profondes se retrouvent aux abords du cratère, et se retrouvent proportionnellement plus loin du cratère à mesure qu'elles étaient moins profondes[HAM 1]. De cette façon, en prélevant des tectites de plus en plus près du cratère, tout se passe comme si les astronautes prélevaient des matières de plus en plus profondes dans l'éjecta de la mer des Pluies, voire dans la couche originelle. Il est donc très important que les astronautes parviennent le plus près possible du cratère.
Objectifs secondaires
Comme toutes les missions Apollo sur la Lune, il est prévu de déployer un ensemble d'instruments scientifiques, l'ALSEP, permettant de réaliser des expériences à la surface de la Lune. Voir l'article détaillé pour la liste des expériences prévues.
En vol, quatre expériences en impesanteur sont planifiées pour Apollo 14 :
- séparation par électrophorèse ;
- étude des flux de chaleur et de convection dans des liquides et des gaz ;
- transfert de liquides ;
- moulage de matériaux composites.
Pendant l'exploration de la Lune, le pilote du module de commande resté en orbite est affecté aux expériences suivantes : photographie en haute résolution de futurs sites d'atterrissage, photographie de phénomènes astronomiques de faible intensité lumineuse comme la lumière zodiacale ou le Gegenschein, des tests de communication pour déterminer les propriétés réfléchissantes de la surface lunaire aux signaux radio VHF et de la bande S, et des tests pour déterminer les variations de la gravité lunaire en observant les variations de l'effet Doppler des signaux de bande S.
Plan de la mission
Apollo 14 est une mission de « type H », c'est-à-dire une mission avec atterrissage de précision, un séjour de deux jours au plus sur la Lune, avec deux sorties extravéhiculaires.
Le plan de vol global est similaire à la mission Apollo 12 du même type, et ce qu'aurait dû être Apollo 13. Des dispositions particulières ont cependant été prises pour pouvoir gérer un atterrissage prévu comme étant difficile, avec une phase de recherche d'un site peu accidenté pouvant être longue.

Pour économiser le carburant du LEM et fournir plus de marge pour l'atterrissage, il a été planifié que la mise en orbite de descente soit faite par le CSM avec le LEM attaché sur son propre budget de carburant, et non comme précédemment par le LEM seul. Pour les vols précédents, la capsule-mère ne s'était pas rapprochée à moins de 112 km de la surface lunaire. Au cours d'Apollo14, l'ensemble Kitty Hawk/Antarès est descendu à 15 km de la surface lunaire. Ainsi, Antarès s'est détaché beaucoup plus près du sol. Les économies de propergol réalisées ont ajouté 14 secondes à la capacité opérationnelle du LEM, donnant aux astronautes plus de temps pour planer au-dessus de la surface à la recherche d'un site propice et aussi pour se replacer sur une orbite lunaire si cela avait été nécessaire.
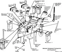
Bien que l'objectif principal soit le Cone Crater, le site précis d'atterrissage est planifié à environ un kilomètre au sud-ouest du cratère, car les abords directs du cratère sont estimés trop accidentés et pentus. La longue marche jusqu'au cratère nécessite l'utilisation d'une remorque, le Chariot à outils lunaire, MET (Modularized Equipment Transporter), qui va faciliter le transport du matériel et la récolte des échantillons. Ce sera la première et la dernière fois que cette remorque sera utilisée, les missions suivantes offrant l'utilisation du rover lunaire.

Sur la Lune, deux sorties extravéhiculaires sont prévues : la première, de quatre heures, consacrée au déploiement de l'ALSEP et aux expériences, et la seconde, de quatre heures et demie, à l'excursion vers le Cone Crater et son exploration.
Pour le rendez-vous en orbite lunaire, une optimisation du plan de vol est prévue par rapport aux missions précédentes. Celles-ci utilisaient un plan d'ascension précautionneux, appelée la « méthode coelliptique ». Le LEM décollait pour une Coelliptic Sequence Initiation (CSI) visant une orbite circulaire à 83 km d'altitude. Arrivé à cette altitude, un changement d'inclinaison de l'orbite (pour avoir une orbite coplanaire avec le CSM) était prévu, si nécessaire, et une seconde orbite circulaire (la Constant Delta H (CDH)) était visée, à 28 km sous le CSM. Enfin, après une période de synchronisation, la Terminal Phase Initiation (TPI) était lancée pour intercepter précisément le CSM.
Ces phases et orbites intermédiaires avaient été décidées pour donner le temps et la possibilité de contrôler précisément les trajectoires, et de tester le bon fonctionnement des moteurs et des systèmes (pilote automatique et radars d'approche). Cela laissait également la possibilité au CSM de venir facilement secourir le LEM, en orbite stable, en cas de défaillance du pilote automatique ou des moteurs de celui-ci.
Le pilote automatique d'ascension s'avérant très performant et précis, et les moteurs du LEM très fiables, il a été décidé de simplifier la phase de remontée pour Apollo 14. La TPI sera lancée dès la fin de la mise en orbite initiale. Cette procédure autorise une ascension plus rapide (85 minutes), avec des besoins en carburant réduits. En contrepartie, la fenêtre de tir du décollage du LEM est réduite à 30 secondes, et le sauvetage du LEM en cas de défaillances est plus difficile.
Équipage
L'équipage de la mission Apollo 14, nommé par la NASA le [7] a pour commandant le capitaine Alan Bartlett Shepard Jr. (USN), pour pilote du module de commande le major Stuart Allen Roosa (USAF) et pour pilote du module lunaire le commandant Edgard Dean Mitchell (USN).
Le commandant, Alan Shepard, a été sélectionné parmi les premiers astronautes, en 1959, et connu comme étant le premier américain dans l'espace, à l'occasion du programme Mercury. C'est d'ailleurs le seul astronaute de ce programme à marcher sur la Lune. Ayant développé une maladie de l'oreille interne (la maladie de Menière), il a été exclu de toute mission en vol et est devenu « chef du Bureau des astronautes » de à . Une opération chirurgicale expérimentale lui rendit toutes ses capacités, et permit son affectation aux missions spatiales. À 47 ans au moment du vol, c'est l'astronaute le plus âgé à avoir marché sur la Lune[ADS 1].
Ses coéquipiers sont Stuart Roosa (module de commande, resté en orbite) et Ed Mitchell (pilote du module lunaire Antares). La NASA dut affronter des critiques internes sur le choix de l'équipage et son inexpérience. En effet, seul Alan Shepard avait déjà volé, totalisant seulement quinze minutes dans l'espace lors de son vol suborbital Mercury.
L'équipage de Shepard devait conduire la mission Apollo 13, mais comme il manquait de préparation, les responsables décidèrent d'inverser l'ordre des missions et l'équipage fut affecté à la mission Apollo 14. Jim Lovell et ses deux équipiers se retrouvèrent sur la mission Apollo 13, qui faillit tourner à la catastrophe.
Les remplaçants (back-up) sont le capitaine Eugene Cernan (USN) comme commandant, le capitaine Ronald Evans (USN) comme pilote du module de commande et le pilote Joe H Engle (USAF) comme pilote du module lunaire.
Déroulement de la mission

Préparatifs, lancement et orbite terrestre
Le compte à rebours final commence à T -28 h, le , à 6 heures GMT. Le compte à rebours se déroule sans problèmes, mais un front orageux se développe à T -30 min et commence à sérieusement menacer le Cap Canaveral, ce qui oblige à pauser le compte à rebours pendant 40 minutes, à T -8 min, en raison des risques de foudre. Ce retard sera compensé par une trajectoire légèrement plus rapide vers la Lune, afin que les événements planifiés aient lieu aux temps conformes au planning[EM 1],[N 2].
Le lancement a lieu à 21 h 3 min 2 s GMT (16 h 3 min 2 s heure locale), le . La mise sur orbite est tout à fait nominale.
| Date/heure lancement | Azimuth lancement (°) | Apogée de l'orbite (km) | Périgée de l'orbite (km) | Inclinaison (°) |
|---|---|---|---|---|
| 21 h 3 min 2 s GMT | 75,558 | 185,39 | 183,16 | 31,120 |
Injection et trajet translunaire

L'orbite terrestre est consacrée à la vérification des systèmes. Deux heures et demie après la mise sur orbite, le train lunaire, composé du module de service et de commande (CSM) et de l'étage S-IVB, est injecté sur une trajectoire d'intersection avec la Lune.
La transposition et l'amarrage au LEM, effectuée une demi-heure après l'injection en orbite de transfert, ne se passe pas comme prévu. Après un retournement du CSM et une trajectoire d'approche vers le LEM parfaite, le système d'amarrage sonde-cône du CSM refuse de s'enclencher. Après trois tentatives infructueuses, une pause est décidée, le temps pour Houston d'analyser la situation, pendant laquelle le LEM et le CSM volent en formation, sans être arrimés l'un à l'autre. Un échec de l'amarrage signifierait l'abandon de la mission, et sans doute du programme Apollo tout entier, déjà remis en cause après l'échec d'Apollo 13.
Un ou plusieurs verrous de la sonde refusaient de s'enclencher : ces verrous servent à rendre solidaire le cône et la sonde de manière, quand la sonde se rétracte, à « tirer » le LEM et exercer une forte pression sur les anneaux d'amarrage qui supportent les verrous principaux et les joints entre les deux modules. Pour suppléer à cette force, il a été décidé d'accélérer fortement avec les moteurs d'orientation au moment où la sonde est au fond du cône, afin de simuler cette pression, tout en rétractant la sonde pour provoquer le verrouillage des anneaux. Après trois tentatives supplémentaires, la procédure finit par fonctionner.
Le reste du trajet Terre-Lune se passa sans incidents, avec deux corrections de trajectoire planifiées.
| GET | Événement | Distance astre le plus proche (km) | Durée (secondes) | V (m/s) |
|---|---|---|---|---|
| 002:28:32.40 | Poussée pour l'injection translunaire | 184 | 350,84 | 3 159,71 |
| 003:02:29.4 | Début de la transposition/amarrage | 7 943,86 | - | - |
| 004:56:56.7 | CSM arrimé au LEM | 38 157,5 | - | - |
| 005:47:14.4 | Séparation du CSM/LEM du SIV-B | 48 706,86 | 6,9 | 0,24 |
| 030:36:07.91 | 1re correction de trajectoire | 219 490 | 10,19 | 21,67 |
| 076:58:11.98 | 2e correction de trajectoire | 22 039,36 | 0,65 | 1,07 |
Mise en orbite lunaire et atterrissage

L'insertion en orbite lunaire, qui consiste à passer d'une trajectoire qui contournerait la Lune et reviendrait vers la Terre si elle n'était pas corrigée, à une trajectoire d'orbite elliptique autour de la Lune, a lieu 3 jours 7 heures et 28 minutes après l'injection en orbite de transfert translunaire. Quatre heures plus tard, conformément au plan de vol, le couple CSM/LEM passe en orbite de descente, dont l'altitude minimale (qui sera le point de départ de la phase de descente autonome du LEM) est à peine à 17 km de la surface.
Shepard et Mitchell passent alors dans le LEM et effectuent un contrôle rigoureux des systèmes. La séparation du LEM et du CSM a lieu normalement, et le CSM, piloté par Roosa, se met en orbite circulaire à 110 km d'altitude, de manière à retrouver une orbite permettant les travaux scientifiques de photographie et de tests radio, ainsi qu'une trajectoire simple et sûre permettant un futur rendez-vous avec le LEM.
Peu de temps après la séparation, et avant le début de la descente, Houston détecte une anomalie : le bouton d'annulation de la descente du LEM est vu sur les consoles de contrôle de Houston, de manière intermittente, comme étant appuyé, alors que - manifestement - l'équipage n'a aucunement appuyé sur ce bouton. Ce bouton permet, alors que le LEM est en phase de descente, de larguer en urgence l'étage de descente du LEM et de passer le pilote automatique dans un programme permettant à l'étage de remontée du LEM de retrouver une orbite stable autour de la Lune, sur laquelle il sera rejoint par le CSM.
Le problème est extrêmement préoccupant : si le signal d'appui sur le bouton apparaît pendant la descente, alors le programme d'annulation pourrait être lancé, même si le bouton n'a pas été réellement appuyé. Mais est-ce une erreur d'affichage à Houston, une erreur de transmission de l'information à Houston, une erreur informatique ou matérielle ? Une série de procédures permet d'aboutir à la réponse : la source du problème est le bouton d'annulation lui-même, dans lequel il y a probablement un court-circuit intermittent[N 3]. C'est la pire des situations, car le signal sera dans ce cas réellement envoyé à l'ordinateur de bord et déclenchera réellement l'annulation, exactement comme si le bouton avait été réellement appuyé.
Les ressources en oxygène du LEM étant limitées, et l'orbite de descente étant instable, il importe de faire vite pour trouver une solution. Il a été décidé de reprogrammer l'ordinateur de bord, afin qu'il ignore le signal du bouton. Si une annulation réelle devait être nécessaire, il serait toujours possible de la déclencher par une nouvelle commande de l'ordinateur de bord, implémentée à l'occasion de cette reprogrammation. Le patch du programme est transmis au LEM, octet par octet, et Mitchell a la lourde responsabilité de reprogrammer, manuellement et également octet par octet, l'ordinateur de bord. Moins de trois heures après la détection du problème, celui-ci est corrigé.
La descente a lieu de manière nominale, mis à part un petit problème de radar d'approche, vite corrigé en l'éteignant et en le rallumant. Après 12 minutes et 44 secondes de descente, l'atterrissage a lieu le à 9 heures 18 minutes 13 secondes GMT, à moins de 46 m du lieu planifié, en faisant l'atterrissage le plus précis de toutes les missions Apollo[ADS 4].
| GET | Événement | Altitude (km) | Durée (secondes) | V (m/s) | Apolune (km) | Périlune (km) |
|---|---|---|---|---|---|---|
| 081:56:40.70 | Insertion en orbite lunaire | 161,86 | 370,84 | -921,2 | 313 | 107,6 |
| 086:10:52.97 | Insertion en orbite de descente | 109,64 | 20,81 | -62,7 | 108.9 | 16,85 |
| 103:47:41.6 | Séparation CSM/LEM | 56,5 | 2,7 | 0,24 | 111,5 | 14,45 |
| 105:11:46.11 | Circularisation orbite CSM | 112,05 | 4,02 | 23,53 | 118,34 | 103,71 |
| 108:02:26.52 | Descente du LEM | 14,45 | 764,61 | -1 696,39 | 14,45 | 0 |
| 108:15:09.3 | Atterrissage | 0 | - | - | - | - |
Activités sur la Lune
Le plan de mission prévoyait deux sorties extravéhiculaires. Une première sortie dédiée aux expériences scientifiques (ALSEP), et une seconde consistant en une expédition vers le Cone Crater et la récolte d'échantillons.
Première sortie extravéhiculaire : déploiement de l'ALSEP

Les préparatifs de sortie commencent deux heures après l’atterrissage, et Shepard pose le pied sur la Lune — plus de cinq heures après l’atterrissage — avec un retard de 49 minutes, dû à un problème intermittent du système de communication du PLSS, qui put être corrigé par une réinitialisation du système[ADS 4]. Mitchell le suit 8 minutes après.
Pour éviter que la poussière qui sera projetée par le décollage du LEM ne vienne recouvrir les instruments, l'ALSEP est déployé à plus de 150 m à l'ouest d'Antares. Le transport des instruments dans cette zone donne aux astronautes un premier aperçu des difficultés qu'ils allaient rencontrer dans l'excursion jusqu'au Cone Crater. Le terrain, qui semble assez plat à première vue, est en réalité légèrement vallonné avec des dénivelées de deux mètres sur les ondulations du terrain. Cela rend non seulement difficile de trouver des emplacements plats où installer les instruments, mais rend aussi la progression difficile et fatigante[EM 2].
L'équipage plaça un second réflecteur lunaire semblable à celui d'Apollo 11 et destiné à la mesure de la distance Terre-Lune par laser.

Une expérience importante de l'ALSEP d'Apollo 14 consistait à installer et exploiter l'ASE (Active Seismic Experiment : expérience de sismographie active). Cette expérience consiste à étudier l'épaisseur des différentes couches géologiques, en utilisant les vibrations sismiques provoquées en différents endroits par un « percuteur » pyrotechnique, et captées par une série de géophones. Cette technique est similaire à celle qui avait été utilisée dans les années 1950 pour mesurer l'épaisseur de l'inlandsis de l'Antarctique, qui s'était avérée beaucoup plus importante que prévu. En plus du « percuteur », les géophones perçoivent également les vibrations provoquées par l'utilisation d'un mortier, qui sera utilisé par télécommande de la Terre, après le départ des astronautes.
L'objectif de cette expérience est de vérifier que la formation Fra Mauro est bien la résultante d'un éjecta de l'impact ayant formé la mer des Pluies, et dater cet impact en mesurant l'épaisseur de la couche de régolithe s'étant déposée depuis cet impact. L'épaisseur de la couche de l'éjecta lui-même doit aussi être évaluée, afin de savoir si le Cone Crater a bien « perforé » cette couche pour atteindre le substrat originel de la Lune.
La première sortie aura duré 4 heures 47 minutes et 50 secondes, la distance parcourue par les astronautes a été d'environ 1 km, et 20,5 kg d'échantillons de précaution ont été collectés.
| GET | Événement |
|---|---|
| 113:39:11 | Dépressurisation de la cabine du LEM |
| 113:47:00 | Sortie d'Alan Shepard |
| 115:46:00 | Déploiement de l'ALSEP |
| 116:47:00 | Premières données de l'ALSEP reçues sur Terre |
| 118:27:01 | Repressurisation du LEM et fin de l'EVA |
Seconde sortie extravéhiculaire : excursion vers le Cone Crater

Au temps de mission (GET) 131:08:13, le module lunaire est de nouveau dépressurisé, et Shepard et Mitchell posent à nouveau le pied sur la Lune pour exécuter l'objectif principal de la mission : récolter des échantillons près du Cone Crater et le long du trajet. Même si le LEM s'est posé le plus près possible du cratère, il reste environ 1 300 m à parcourir à pied, avec un dénivelé d'environ 100 m pour atteindre le bord du cratère.
Le trajet n'était pas supposé poser de problèmes particuliers, mais les astronautes s'aperçoivent bientôt qu’atteindre leur objectif sera difficile. Le MET (le chariot servant à transporter outils, instruments et les échantillons récoltés) a tendance à rebondir dans tous les sens, obligeant les astronautes à adopter une marche « terrienne lente » et plus fatigante que les « sauts de kangourou », plus efficaces en faible gravité[EM 3]. De plus, la navigation vers l'objectif s'avère difficile : la plupart des points de repère qui devaient être utilisés pour la navigation se révèlent être dans des dépressions (le terrain étant fortement ondulé) et difficilement visibles, et la parfaite clarté du paysage dans ce monde sans atmosphère perturbe fortement l'estimation des distances parcourues ou restantes.

Les géologues avaient planifié deux sites où les astronautes devaient prélever des échantillons avant le Cone Crater: le « site A » (situé au nord du point B où les astronautes se sont réellement arrêtés) et le « site B » (un peu au nord-ouest du point B1 réel, voir schéma). Au bout de 8 min de marche, les astronautes atteignent le point A, qu'ils pensent être le site A. Mitchell doit y faire une expérience de gravimétrie, qui s'avère délicate et longue à mener à bien. Le chargement du MET ayant duré une demi-heure, et les expériences et activités au point A 35 min, près d'une heure et quart a déjà été consommée sur le temps alloué de 4h pour l'EVA, et ils ne sont en fait qu'à 150 m du LEM, et le cratère est encore à 1 000 m de distance.
Après encore 8 min de marche, les astronautes atteignent le point B, qu'ils pensent plus ou moins être le site B sans en être très sûrs. En fait, ils sont près du site A planifié. Pour Fred Haise, le Capcom[N 4] de la mission, les astronautes sont 15 minutes en retard sur leur planning alors qu'ils ont près d'une heure de retard. Une heure et demie après le début de l'EVA, le point B1 est atteint alors que les astronautes - toujours perdus - pensent avoir dépassé le cratère Flank et approcher du cratère[EM 4]. Le problème est que le Cone Crater est littéralement incorporé sur les flancs d'une colline, et ses bords ne sont pas surélevés, le rendant complètement invisible de loin et de dessous.
Arrivé au point B2, après 2 h d'EVA, Shepard pense être très près du bord du cratère, mais Mitchell a des doutes et essaie de persuader Shepard de continuer. Étant arrivé à la moitié du temps prévu pour l'EVA, Shepard est inquiet pour le temps de retour. Houston, pour sa part, indique aux astronautes de considérer que leur position actuelle est le bord du Cone Crater[EM 5]. Sur l'insistance de Mitchell, Shepard finit par obtenir une extension de 30 min du temps de l'EVA, augmenté à 4 h 30, et les astronautes continuent à gravir le flanc de la colline.

Un quart d'heure plus tard, ils atteignent le point B3. À cet endroit, la vue est dégagée et sans accidents, mais toujours aucun signe visible du bord du cratère. Ils décident de progresser vers le nord-ouest, où la pente est la plus forte, alors que le cratère est en réalité au nord, en dessous d'eux, mais toujours invisible car le bord éloigné du cratère est plus bas que le bord proche[EM 5]. Toutefois, il devient évident qu'ils doivent être près du cratère car le sol est jonché de débris et de roches qui proviennent certainement de l'impact. À ce point, l'extension de 30 min a pratiquement été consommée. Conscients d'être près du but, et étant dans un site géologiquement riche, ils progressent encore jusqu'au point C prime où ils décident de faire demi-tour, sans avoir pu observer le spectaculaire cratère de 300 m de diamètre. Sur le retour, ils se rapprochent encore sans le savoir du cratère, jusqu'à la distance de 30 mètres, au point C1.
Le retour vers Antares se déroule sans encombre, celui-ci n'ayant jamais été perdu de vue, et la descente s'avère plus facile que la montée. Après avoir chargé près de 45 kg d'échantillons de roche lunaire dans le LEM, et avant de s'embarquer définitivement, Al Shepard s'accorde un petit divertissement : il sort une balle de golf de sa poche, monte une tête de fer-6 sur le manche télescopique d'un collecteur d'échantillons, et tente d'exécuter le premier et à ce jour le seul swing lunaire. La première tentative échoue complètement et le club passe à côté de la balle. La deuxième tentative projette la balle à quelques centaines de mètres (bien que Shepard commente son coup de manière exagérée « Miles and miles ! »).
La deuxième sortie aura duré 4 h 35 min et la distance parcourue aura été de près de 3 km.
| GET | Point | Distance LEM |
Durée | Activités / Roches |
|---|---|---|---|---|
| 131:08:13 | LEM | 0 | - | Dépressurisation de la cabine du LEM |
| 131:13:00 | LEM | 0 | - | Sortie d'Alan Shepard |
| 131:46:00 | LEM | 0 | - | Départ vers le Cone Crater |
| 131:53:34 | A | 150 m | 32 s 38 s | Gravimétrie |
| 132:34:22 | B | 300 m | 4 min 53 s | |
| 132:48:38 | B1 | 700 m | 3 min 04 s | Orientation |
| 132:56:35 | B2 | 840 m | 3 min | « Big Rock », « old nameless » |
| 133:14:25 | B3 | 1 280 m | 1 min 24 s | |
| 133:21:57 | C prime | 1 500 m | 16 min | Point de demi-tour |
| 133:40:24 | C1 | 5 min 49 s | « Saddle Rock » | |
| 133:51:57 | C2 | 4 min | ||
| 134:01:03 | E | 1 min | ||
| 134:06:39 | F | 3 min | ||
| 134:11:02 | G | 36 min | ||
| 134:49:23 | G1 | 2 min | ||
| 134:55:00 | LEM | 30 min | Arrivée au LEM, récupération des expériences, chargement échantillons, golf | |
| 135:42:54 | LEM | 0 | - | Repressurisation du LEM et fin de l'EVA |
Activités dans le CSM pendant la sortie lunaire
Pendant le séjour des astronautes sur la Lune, Roosa effectue un grand nombre d'activités et d'expériences, lui laissant assez peu de temps libre.
Il effectue la première campagne d'observation visuelle systématique de la Lune (qui aurait dû être faite par Apollo 13) et prend pas moins de 758 photos avec son Hasselblad 70 mm[TRM 1]. Il oriente spécifiquement ses observations sur l'étude des traces du volcanisme lunaire et la topographie du cratère Descartes[N 5], près duquel atterrira la mission Apollo 16.
Une caméra spéciale, une Hycon KA-74, dotée d'un objectif de 450 mm, était prévue pour photographier précisément et stéréographiquement la topographie du cratère Descartes, afin de certifier que l'on puisse y atterrir. Malheureusement, l'engin dysfonctionne précisément lors du survol de Descartes. Roosa parvient néanmoins à prendre des photos stéréographiques du site, en montant un objectif de 500 mm sur l'Hasselblad, et en orientant très précisément le CSM, le tout au prix d'« efforts surhumains », étant seul pour accomplir toutes les tâches[TRM 1].
Décollage de la Lune, rendez-vous avec le CSM
Après avoir atteint leurs objectifs sur la surface lunaire, Alan Shepard et Edgar Mitchell ont rejoint le module lunaire. Ils ont scellé l'écoutille et préparé le module pour le décollage. Le 6 février 1971, la section ascendante d'Antares a décollé de la surface lunaire. Cette section supérieure du module lunaire était spécialement conçue pour se détacher et décoller, laissant la section inférieure sur la Lune.
Une fois en vol, Antares a effectué une série de manœuvres pour rejoindre le module de commande et de service en orbite lunaire, piloté par Stuart Roosa. Le module lunaire a d'abord réalisé une "orbite de rendez-vous", qui l'a amené à se rapprocher progressivement du module de commande et de service.
Ensuite, Antares a effectué une manœuvre d'amarrage avec le module de commande et de service. Cette manœuvre impliquait l'alignement des ports d'amarrage des deux vaisseaux spatiaux et leur verrouillage mutuel. Une fois l'amarrage réussi, Shepard et Mitchell ont pu retourner dans le module de commande et de service.
Après le transfert des astronautes et des échantillons de roches lunaires dans le module de commande et de service, le module lunaire a été largué. A ce moment, le module de commande et de service était prêt à effectuer la manœuvre d'injection trans-terrestre pour le voyage de retour vers la Terre.
Ce processus entier a nécessité une synchronisation et une précision extrême pour assurer le succès du rendez-vous et de l'amarrage.
Injection et trajet vers la Terre
Une fois le module lunaire largué, le module de commande et de service (CSM) d'Apollo 14, piloté par Stuart Roosa, s'est préparé pour le voyage de retour vers la Terre. C'est ce qu'on appelle l'injection trans-terrestre, un moment crucial de la mission qui consiste à quitter l'orbite lunaire pour se diriger vers la Terre.
Roosa a allumé le moteur principal du CSM pour effectuer cette manœuvre d'injection trans-terrestre. Ce brûlage du moteur a changé la trajectoire du vaisseau spatial de l'orbite lunaire à un chemin de retour vers la Terre. Une fois l'injection trans-terrestre réussie, le CSM était alors en route vers la Terre, marquant le début du voyage de retour.
Le voyage de retour vers la Terre a duré plusieurs jours. Pendant ce temps, le CSM a suivi une trajectoire de retour précise, calculée par les contrôleurs de mission à Houston. Cette trajectoire a été surveillée et ajustée au besoin pour garantir un atterrissage sûr dans l'océan Pacifique, la zone de récupération prévue.
L'injection trans-terrestre et le trajet vers la Terre ont été des moments essentiels de la mission Apollo 14, nécessitant une planification minutieuse, une précision de navigation et une coordination sans faille avec les équipes au sol pour assurer le retour en toute sécurité des astronautes sur Terre.
Rentrée dans l’atmosphère et récupération
Après avoir passé plusieurs jours en voyage trans-terrestre, le module de commande et de service d'Apollo 14, contenant les astronautes Alan Shepard, Edgar Mitchell et Stuart Roosa, s'est approché de la Terre. Cette phase de la mission a été marquée par la rentrée dans l'atmosphère terrestre et la récupération de l'équipage.
La rentrée dans l'atmosphère a commencé par une manœuvre de désorbitation, où le moteur du module de service a été allumé une dernière fois pour ralentir le vaisseau spatial et le faire pénétrer dans l'atmosphère de la Terre. Après cette manœuvre, le module de service, qui avait servi tout au long du voyage de retour, a été largué.
Ensuite, le module de commande, protégé par son bouclier thermique, est entré dans l'atmosphère à grande vitesse. Ce bouclier thermique a protégé l'équipage de la chaleur intense générée par la friction avec l'atmosphère.
Une fois la phase la plus chaude de la rentrée passée, trois parachutes principaux se sont déployés pour ralentir la descente du module de commande. Le 9 février 1971, le module de commande d'Apollo 14 a atterri en toute sécurité dans l'océan Pacifique.
Immédiatement après l'amerrissage, des équipes de récupération ont été déployées. Des plongeurs sont descendus dans l'eau depuis un hélicoptère de récupération, ont stabilisé le module de commande et ont aidé les astronautes à sortir. Ensuite, les astronautes ont été hissés dans l'hélicoptère qui les a transportés vers le navire de récupération, l'USS New Orleans, marquant ainsi la fin réussie de la mission Apollo 14.
Une fois à bord de l'USS New Orleans, les astronautes d'Apollo 14 ont été soumis à un examen médical initial pour s'assurer qu'ils étaient en bonne santé après leur voyage dans l'espace. Ils ont également eu l'occasion de discuter de leur mission avec les officiers du navire et les représentants de la NASA.
Le module de commande a également été récupéré et transporté sur le navire. Les échantillons lunaires collectés par Shepard et Mitchell ont été sécurisés et préparés pour le transport vers les laboratoires de la NASA pour une analyse plus approfondie.
Après une courte période passée à bord de l'USS New Orleans, les astronautes ont été ramenés sur le continent américain où ils ont été accueillis en héros. Ils ont passé les semaines suivantes à débriefer en détail leur mission avec les équipes de la NASA, à analyser les résultats et à partager leurs expériences avec le public et la communauté scientifique.
La mission Apollo 14 a ainsi marqué une étape importante dans l'exploration de la Lune par l'humanité, et ses réussites ont permis de jeter les bases des missions Apollo suivantes.
Conclusion
Résultats scientifiques

Le sismomètre actif ASE a permis de mesurer l'épaisseur de la couche de régolithe sur le site de Fra Mauro : environ 8,5 mètres en moyenne (avec des ondulations sur une épaisseur de deux mètres), en accord avec l'estimation théorique de 6 à 12 mètres. L'épaisseur de l'éjecta sous-jacent a été mesurée à 75 mètres[EM 2]. L'analyse de l'exposition du régolithe aux rayons cosmiques a montré que le Cone Crater a été formé il y a 25 millions d'années. L'impact du Cone Crater ayant eu lieu sur une colline de 100 m de hauteur, le cratère n'a pas été suffisamment profond pour atteindre le substrat en dessous de l'éjecta[N 6],[EM 7].

Les roches ramenées de la Lune[OFM 1] par Apollo 14 sont parmi les plus complexes et difficiles à étudier. Ce sont toutes des brèches, c'est-à-dire des roches constituées en conglomérat de fragments de roches préexistantes (des clastes), au sein d'une matrice pouvant être du régolithe ou de la roche pulvérisée fondue par des impacts, formant une sorte de roche ignée, ou une cristallisation de sédiments formant alors une roche métamorphique. Dans les échantillons de Fra Mauro, les brèches se révèlent très majoritairement à matrice ignée. Les clastes inclus dans ces brèches peuvent être à leur tour d'autres brèches, parfois jusqu'à trois ou quatre générations, témoignant d'une formation tourmentée au sein d'une succession d'événements cataclysmiques. Ils ont très souvent une teneur élevée en matériaux radioactifs et en terres rares : ces échantillons ont aidé à identifier le composant nommé KREEP, abondant dans la région de la mer des Pluies, et à former un scénario de formation de la croûte et du manteau lunaire[N 7].
Un des objectifs scientifiques principaux de la mission était de dater l'impact ayant créé la mer des Pluies. Les roches ignées, abondantes sur le site de Fra Mauro, permettent une datation radiométrique des événements d'impact, car la chaleur « remet à zéro » les horloges isotopiques : l'âge mesuré est alors l'âge de l'impact et non l'âge des roches elles-mêmes qui peuvent être bien plus anciennes[OFM 2]. Bien que les roches ramenées soient très probablement des éléments de l'éjecta de cet impact, il n'est pas clair de savoir précisément lesquelles[OFM 3], ce qui complique la datation. Les clastes inclus dans les brèches peuvent être issus d'impacts différents et se sont révélés en effet groupés en deux périodes, une entre 3,83 et 3,85 milliards d'années, et une autre entre 3,87 et 3,96 milliards d'années. On a supposé que les brèches se sont formées dans l'intervalle le plus jeune, ce qui date l'impact de la mer des Pluies à il y a 3,84 milliards d'années environ[EM 8].
L'autre groupe, plus ancien, correspond à des clastes créés longtemps avant l'impact sur le site de la mer des Pluies, et projetés vers le sud lors de l'impact[TRM 2]. Le claste le plus ancien (3,96 milliards d'années) s'est avéré être un claste igné (alors que la majorité sur ce site étaient métamorphiques) et montre que le volcanisme existait avant la période de remplissage des mers lunaires (il y a 3 à 3,5 milliards d'années). Il s'agit d'un autre type de basalte que celui des mers, plus riche en aluminium, et qualifié de « non-mare basalt »[EM 9].
Un autre objectif scientifique était de déterminer le scénario de création de la formation Fra-Mauro. Les échantillons vont plutôt dans le sens de confirmer que la formation Fra-Mauro est bien un gigantesque éjecta de l'impact de la mer des Pluies (un scénario volcanique avait aussi été imaginé)[TRM 2]. Il y a 3,84 milliards d'années, un projectile d'une taille de 50 à 100 km de diamètre a percuté la Lune sur le site de la mer des Pluies. Un éjecta composé de roches du site originel et de roches créées lors de l'impact a été projeté sur des centaines de kilomètres dans toutes les directions. Il y a 25 millions d'années, un météore a créé le Cone crater, venant perforer l'éjecta, permettant à Shepard et Mitchell de rapporter ces échantillons complexes sur Terre.
Enfin, des centaines de graines d'arbres (Moon tree) ont été mises en orbite autour de la Lune au cours de cette mission, puis ont subi une germination normale de retour sur terre.
En 2019, il a été mis en évidence que l'échantillon 14321 rapporté par Apollo 14 contient la roche terrestre la plus âgée connue à ce jour, datée de 4,1 milliards d'années (la roche terrestre la plus vieille découverte sur Terre date de 3,9 milliards d'années)[8]. Cet échantillon est une brèche dont l'une des inclusions de deux grammes contient des matériaux typiques de la Terre de l'époque et rares sur la Lune : zircon, quartz, feldspath, formés en présence abondante d'oxygène. On suppose que cette roche a été éjectée de la Terre par un impact géant d'astéroïde, excavant des roches jusqu'à 20km de profondeur et éjectant les débris avec une énergie suffisante pour atteindre la vitesse de libération terrestre et voyager jusqu'à la Lune. Il aurait refait surface il y a 26 millions d'années lors de l'impact du Cone Crater.
Résultats opérationnels
La mission Apollo 14 a mis en évidence la très grande difficulté de se déplacer et de s'orienter à pied sur la Lune. La mission avait été planifiée comme une mission « type H » idéale[EM 7], qui ne devait pas poser de problèmes particuliers, mais l'objectif a pourtant été atteint de justesse. La mission originelle d'Apollo 13 prévoyait d’atterrir à 2 km à l'ouest du cratère, et c'est Jim Lovell qui avait insisté pour réduire la distance à 1,25 km, point atterrissage retenu également pour Apollo 14[TRM 3]. Si le point originel avait été utilisé, la mission n'aurait probablement pas été accomplie[EM 7]. Le facteur limitant principal a été le temps, et bien que les PLSS aient une autonomie de sept heures, les marges de sécurité et les temps de préparation de sortie et d'entrée du LEM réduisent le temps utile à quatre heures environ.
Il est devenu évident après cette mission que la marche à pied n'était pas la manière adéquate d'explorer la Lune car trop de ce temps précieux était consacré aux trajets, exténuants et sans valeur scientifique. Cette expérience a validé le concept de mission de « type J », incluant un véhicule, le rover lunaire LRV, qui allait être utilisé dès la mission suivante, Apollo 15.
La gestion des décisions lors de la difficile excursion vers le Cone crater a été critiquée[TRM 4]. Dans quelle direction aller ?, quel site ou expérience est à privilégier ?, quelles actions sont nécessaires à chaque étape ? (prendre des photos, décrire sur papier, quels échantillons doivent être décrits ou rapportés, etc.) sont autant de questions qui n'ont pas toujours reçu les réponses les plus satisfaisantes. Une "back room" composée de géologues était disponible à tout moment pour orienter les décisions mais n'a pas fonctionné efficacement selon Dave Scott, futur commandant d'Apollo 15, qui travaillera à leur réorganisation[TRM 4].
Notes et références
Notes
- ↑ Le module de commande fut nommé Kitty Hawk en référence au lieu où les frères Wright effectuèrent leurs premiers vols.
- ↑ Les sources sont contradictoires à ce sujet. Exploring the Moon fait état d'un changement de trajectoire, tandis que Definitive Sourcebook parle d'un réajustement de l'horloge de vol de 40 minutes. Il est possible qu'il y ait eu une combinaison des deux.
- ↑ À la suite de cet incident, les bouton et switchs du CSM et du LEM seront systématiquement radiographiés avant d'être montés.
- ↑ L'astronaute chargé de faire l'interface entre les astronautes de la mission et Houston, et unique interlocuteur des astronautes.
- ↑ Voir aussi Farouk El Baz, Stuart Roosa Significant results from Apollo 14 lunar orbital photography
- ↑ Mais avoir des échantillons de ce substrat n'était pas un objectif majeur. L'essentiel était d'avoir des échantillons de l'éjecta, qui est lui-même représentatif d'un substrat très ancien, excavé par le méga-impact ayant formé la mer des Pluies
- ↑ voir article KREEP.
Références
- ↑ Xavier Pasco, La politique spatiale des États-Unis 1958-1985 : Technologie, intérêt national et débat public, L'Harmattan, , 300 p. (ISBN 978-2-7384-5270-2), p. 82-83
- ↑ Apollo the definitive sourcebook, p. 296.
- ↑ W. David Compton, First Phase of Lunar Exploration Completed : Personnel and Program Changes
- ↑ (en) « Apollo 18 », Mark Wade (Encyclopedia Astronautica) (consulté le ).
- ↑ (en) « Apollo 19 », Mark Wade (Encyclopedia Astronautica) (consulté le )
- 1 2 Where No Man Has Gone Before : A History of Apollo Lunar Exploration Missions, p. 205-206.
- ↑ (en) Kelli Mars, « 50 Years Ago: NASA Names Apollo 13 and 14 Crews », NASA, (consulté le ).
- ↑ Sciences et Avenir n°865, mars 2019, p. 47
Sources et bibliographie
Rapports et documents officiels antérieurs à la mission
- (en) Apollo 14 press kit, , 113 p. (lire en ligne [PDF])Dossier de présentation à la presse de la mission Apollo 14
Rapports et documents de la NASA postérieurs à la mission
- (en) NASA - Centre spatial Johnson, Apollo 14 mission report, , 272 p. (lire en ligne [PDF])Rapport post mission décrivant son déroulement, ses performances, les anomalies rencontrées, ... (MSC-04112)
- (en) NASA - Centre spatial Johnson, Apollo 14 Technical Crew Debriefing, , 286 p. (lire en ligne [PDF]). Débriefing de l'équipage à l'issue de la mission Apollo 14 (interviews).
- (en) NASA - Centre spatial Johnson, Apollo 14 Preliminary Science Report, , 308 p. (lire en ligne [PDF]). Rapport scientifique préliminaire de la mission Apollo 14 (SP-272).
- (en) NASA - Centre spatial Johnson, Apollo 14 rock sample, , 410 p. (lire en ligne). Catalogue des roches lunaires collectées dans le cadre de la mission Apollo 14.
- (en) NASA - Centre spatial Johnson, Apollo mission trajectory reconstruction and postflight evbaluation of the Apollo 14 spacecraft trajectories, , 54 p. (lire en ligne [PDF]).Reconstruction de la trajectoire de descente du module lunaire d'Apollo 14 vers la surface de la Lune.
Ouvrages de la NASA décrivant le déroulement de la mission
- (en) Eric M. Jones et Ken Glover, « Apollo 14 surface journal », sur Apollo Surface Journal, NASAPortail regroupant l'ensemble des documents officiels disponibles sur le déroulement de la mission Apollo 14 à la surface de la Lune ainsi que la transcription des échanges radios.
- (en) David Woods, Lennox J. Waugh, Ben Feist et Ronald Hansen, « Apollo 14 flight journal », sur Apollo Flight Journal, NASA, Déroulement de la mission Apollo 14 durant les phases de vol : transcription des échanges radios associée à des explications de spécialistes.
- (en) Eric M. Jones, « Apollo 14 Image Library ». Liste commentée des photos prises durant le séjour sur la Lune de l'équipage de la mission Apollo 14 et durant son entrainement.
- (en) W. David Compton, Where No Man Has Gone Before : A History of Apollo Lunar Exploration Missions, (lire en ligne) Histoire du projet scientifique associé au programme Apollo (document NASA n° Special Publication-4214).
Autres ouvrages
- (en) David M Harland, Exploring the moon : the Apollo expeditions, Chichester, Springer Praxis, , 2e éd., 403 p. (ISBN 978-0-387-74638-8, BNF 41150292, LCCN 2007939116) Déroulement détaillé des séjours lunaires des missions Apollo avec nombreuses illustrations, contexte géologique détaillé et quelques développements sur les missions robotiques de cette période.
- Edgar Mitchell, La Terre se lève: Notre Monde depuis la Lune, Éditions JP Otelli, 2018, (traduction Renaud Joseph). (ISBN 978-2-37301-075-6)
- (en) David M Harland et Richard W. Orloff, Apollo : The Definitive Sourcebook, Springer Praxis, , 633 p. (ISBN 978-0-387-30043-6, LCCN 2005936334) :
- (en) W.David Woods, How Apollo flew to the moon, New York, Springer, , 412 p. (ISBN 978-0-387-71675-6, BNF 41068536, LCCN 2007932412) :
- ↑ p. 49
- Paul Spudis The Once and Future Moon Smithonian Institute, 1996 :
- Don E. Wilhelms To a Rocky Moon University of Arizona Press 1993 :
Voir aussi
Articles connexes
Liens externes
- (en) Apollo 14 sur le site Lunar and Planetary Institute
- (en) « Apollo 14: A View from Antares », sur Astronomy Picture of the Day, NASA, 03/23/2024 (consulté le ) (traduction/adaptation française).
- Portail de l’astronautique
- Portail des États-Unis
- Portail de la Lune


